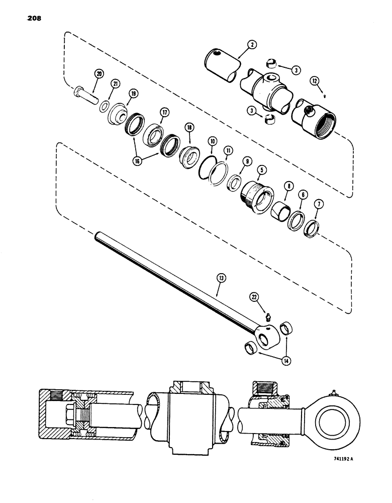
Запчасти Case 450 (208) - G33466 RIPPER CYLINDER, GLAND OR TUBE IS STAMPED WITH CYLINDER PART NUMBER (07) - HYDRAULIC SYSTEM

Схема запчастей Case 450 - (208) - G33466 RIPPER CYLINDER, GLAND OR TUBE IS STAMPED WITH CYLINDER PART NUMBER (07) - HYDRAULIC SYSTEM
FIT
1:1
100%

Артикул

Название

Примечание

Количество

1

G33466

HYDRAULIC CYLINDER

CYLINDER - ripper, 3" (76 mm) dia. x 10-1/2" (267 mm) stroke, not shown, Includes: Ref. 2 - 22

1шт.

2

D35123

TUBE

- cylinder, Includes: Ref. 3

1шт.

3

30634

BUSHING,32.05mm ID x 38.18mm OD x 17.6mm L

- tube trunnion

2шт.

G34328

GLAND

ASSEMBLY, Includes: Ref. 5 - 11

1шт.

5

NSS

NOT SOLD SEPARAT

GLAND

1шт.

6

NSS

NOT SOLD SEPARAT

RING - center bearing

1шт.

7

D95142

WIPER SEAL,1.5" ID x 2" OD x 0.31" Thk

WIPER - piston rod, outer

1шт.

Part of Seal Kit P/N G34332

1шт.

8

G34302

BEARING

- center

1шт.

Part of Seal Kit P/N G34332

1шт.

9

D36969

CUP

SEAL - piston rod, P/N G100776 can be used for extreme heat or cold

1шт.

Part of Seal Kit P/N G34332

1шт.

10

A30095

O-RING,0.139" Thk x 2.984" ID, -234, Cl 5, 75 Duro

1шт.

Part of Seal Kit P/N G34332

1шт.

11

G32122

BACK-UP RING,75.82mm ID x 81.92mm OD x 1.4mm Thk

- back-up

1шт.

Part of Seal Kit P/N G34332

1шт.

12

187-1031

SELF-TAP SCREW,Pan, 0.164"-32 x 1/4"

SCREW - self tapping, No.8 -32 NC x 1/4"

1шт.

13

G33467

ROD

- piston, 1-1/2" dia., Includes: Ref. 14

1шт.

14

30634

BUSHING,32.05mm ID x 38.18mm OD x 17.6mm L

- piston rod

2шт.

G33151

PACKING

- piston, Includes: Ref. 16 and 17

1шт.

Part of Seal Kit P/N G34332

1шт.

16

NSS

NOT SOLD SEPARAT

PACKING - "V" type

2шт.

17

NSS

NOT SOLD SEPARAT

RING - center bearing

1шт.

18

G33150

PISTON

- split, rod end

1шт.

19

D28366

PISTON

- split, bolt end

1шт.

20

28-1240

BOLT,Hex, 3/4" - 16 x 2-1/2", Gr 8

HHCS - 3/4" - 16 NF x 2-1/2", grade 8

1шт.

21

G32317

WASHER,33.34mm ID x 63.5mm OD x 2.38mm Thk

- hardened

1шт.

22

219-1

LUBE NIPPLE,1/8" - 27 NPTF

FITTING - grease, straight, 1/8" NPT

1шт.

G34332

SEAL

KIT - seal, Includes: Ref. 7 - 11 and P/N G33151

1шт.

G100776

SEAL

- piston rod, service option - extreme heat or cold

1шт.

Выбрано товаров: 30