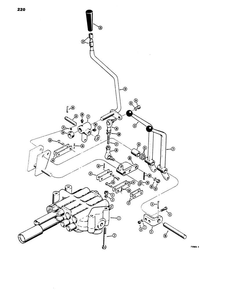
Запчасти Case 450 (220) - FOUR SPOOL VALVES AND LEVERS, ALL VALVES HAVE PART NUMBER ON VALVE IDENTIFICATION PLATE (07) - HYDRAULIC SYSTEM

Схема запчастей Case 450 - (220) - FOUR SPOOL VALVES AND LEVERS, ALL VALVES HAVE PART NUMBER ON VALVE IDENTIFICATION PLATE (07) - HYDRAULIC SYSTEM
FIT
1:1
100%

Артикул

Название

Примечание

Количество

1

R30045

VALVE

- four spool, used on Power Angle-Tilt Dozers Models with ripper or pull behind hydraulics, parts list Figure 230

1шт.

1

NLS

NO LONGER SERVICED

- four spool, use on Power Angle Dozers with Dual Pull Behind Hydraulics, parts list Figure 230 (1)

1шт.

1

R24136

VALVE

- four spool, used on Return-To-Dig Loader Ripper Models and Loader Pull Behind Models with Clam Type Buckets, parts list Figure 232 (1)

1шт.

1

R29818

VALVE - four spool, use on Return-To-Dig Loader Models with logging attachment and dual pull behind hydraulics, parts list Figure 232

1шт.

2

13-668

BOLT,Hex, 3/8" - 16 x 4-1/4", Gr 5

HHCS - 3/8 " - 16 NC x 4-1/4"

4шт.

3

92-6

LOCK WASHER,3/8"

4шт.

4

25-106

NUT,3/8"-16, G5

- hex, 3/8" - 16 NC

4шт.

5

D47216

BRACKET

- valve lever mounting

1шт.

6

13-616

BOLT,Hex, 3/8" - 16 x 1", Gr 5, Full Thd

2шт.

7

92-6

LOCK WASHER,3/8"

2шт.

8

25-106

NUT,3/8"-16, G5

- hex, 3/8" - 16 NC

2шт.

9

138-96

LOCK PIN,3/16" x 1", Slotted

PIN, 3/16" x 1", Slotted

1шт.

10

D43490

PIN

SHAFT - pivot

1шт.

11

D36086

LEVER

- valve control, R.H.

1шт.

12

D35397

LINK

- long

4шт.

13

D35395

LEVER

- valve control, center

1шт.

14

D35397

LINK

- long, use with all valves

2шт.

15

A26411

WASHER

- special

1шт.

16

D37548

SLEEVE

SPACER - lever

1шт.

17

D43451

LEVER

- pivot

1шт.

18

D43453

LINK

- long, use with all valves

2шт.

19

D43450

LEVER

- use R38663 lever, R38654 knob and (2) R38655 ring 1/2" (13 mm) O.D. for knob

1шт.

19a

R38663

LEVER

- 5/8" (15 mm) O.D. for knob

1шт.

20

D43620

COLLAR

- control lever

1шт.

21

83-54

SET SCREW,Hex Soc, 5/16"-18 x 1/4", Cup Pt

1шт.

22

D38662

RING

- 1/2" (13 mm) I.D., D43450 lever

2шт.

22

R38655

RING

- 5/8" (15 mm) I.D., R38663 lever

2шт.

23

D37550

KNOB

- D43450 lever

1шт.

23

R38654

KNOB

- R38663 lever

1шт.

24

25-116

NUT,Hex, 3/8"-24, G5

- hex, 3/8" - 24 NF

2шт.

25

92-6

LOCK WASHER,3/8"

2шт.

26

D40908

BALL JOINT

BALLJOINT

2шт.

27

D37549

STUD

BOLT - stud, 3/8" - 24 NF

1шт.

28

R30508

LEVER

- bell crank

1шт.

29

A26411

WASHER

- special

1шт.

30

138-61

LOCK PIN,1/8" x 1", Slotted

PIN, 1/8" x 1", Slotted

1шт.

31

D43454

LINK

- long, all valves

2шт.

33

D45388

PIN

- link retaining

8шт.

34

132-24

COTTER PIN,3/32" x 1/2"

PIN, SPLIT (COTTER), 3/32" x 1/2"

8шт.

35

D43452

PIN,12.72mm OD x 61.91mm L

- retaining, pivot lever

1шт.

36

138-61

LOCK PIN,1/8" x 1", Slotted

PIN, 1/8" x 1", Slotted

1шт.

37

195-2065

WASHER,33/64" x 7/8" x .049"

- spacer

1шт.

38

219-4

LUBE NIPPLE,1/8" - 27 NPTF

FITTING - grease, straight, 1/8" NPT, if used

2шт.

39

25-156

JAM NUT,Jam, 3/8"-24, G5

- hex, 3/8" - 24 NF

1шт.

Выбрано товаров: 44