Запчасти Case 450 (242[1]) - MAIN RELIEF VALVE USED ON ALL MODELS EXCEPT DOZER BACKHOE MODELS (07) - HYDRAULIC SYSTEM

Схема запчастей Case 450 - (242[1]) - MAIN RELIEF VALVE USED ON ALL MODELS EXCEPT DOZER BACKHOE MODELS (07) - HYDRAULIC SYSTEM
5
9
19
8
14
13
4
12
3
18
1
11
15
2
17
20
6
10
2
16
1
FIT
1:1
100%

Артикул

Название

Примечание

Количество

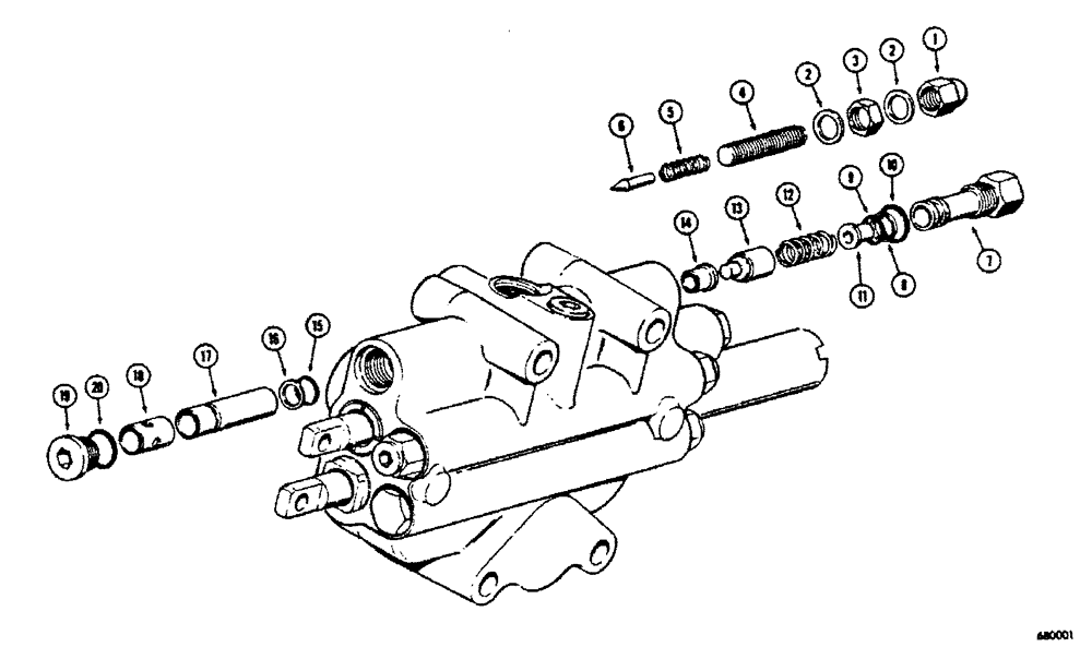
1

129-514

CROWN NUT,Low, 5/16" - 24

NUT - acorn, main relief valve

1шт.

2

D26270

WASHER, SEALING

SEAL WASHER WASHER - special

2шт.

3

25-155

JAM NUT,Jam, 5/16"-24, G5

NUT, hex, lock, 5/16" - 24 NF

1шт.

4

176-296

SET SCREW,5/16"-24 x 1 3/4", Slotted

SCREW - 5/16" - 24 NF x 1-3/4"

1шт.

5

D26268

SPRING

SPRING - pilot

1шт.

6

D26267

PLUNGER

PLUNGER - relief valve

1шт.

7

A25291

CAP

CAP - relief valve

1шт.

8

L30443

BACK-UP RING,0.547" ID x 0.049" Width

RING - backup, L30444 seal

1шт.

9

L30444

O-RING,0.521" ID x 0.661" OD

O-RING - small

1шт.

10

218-5006

O-RING,0.087" Thk x 0.644" ID, -908, Cl 6, 90 Duro

1шт.

11

D26266

SEAT

SEAT - plunger

1шт.

12

D52319

SPRING

SPRING - relief valve

1шт.

13

D37062

VALVE

POPPET ASSEMBLY - main relief valve

1шт.

14

D37063

SEAT

SEAT - poppet

1шт.

15

L30444

O-RING,0.521" ID x 0.661" OD

O-RING

1шт.

16

L30443

BACK-UP RING,0.547" ID x 0.049" Width

RING - backup, L30444 seal

1шт.

17

D37064

SLEEVE

SLEEVE - poppet seat

1шт.

18

D37065

SLEEVE

SLEEVE - drain

1шт.

19

71100209

PLUG,Hex Soc, 3/4"-16 ORB

Valve, Incl Ref 20

1шт.

20

218-5006

O-RING,0.087" Thk x 0.644" ID, -908, Cl 6, 90 Duro

1шт.

Выбрано товаров: 20