Запчасти Case 450 (242) - THREE POSITION SPOOLS - DOUBLE ACTING, USED ON MODELS W/O RETURN TO DIG FEATURE (07) - HYDRAULIC SYSTEM

Схема запчастей Case 450 - (242) - THREE POSITION SPOOLS - DOUBLE ACTING, USED ON MODELS W/O RETURN TO DIG FEATURE (07) - HYDRAULIC SYSTEM
1
16
17
8
3
1
6
4
12
2
11
2
14
15
18
10
13
5
9
19
20
FIT
1:1
100%

Артикул

Название

Примечание

Количество

D37050

SPOOL

ASSEMBLY - three position, color code - black or letter code - W,.73700" to .73709" (18.720 to 18.722 mm), Includes: Ref. 1 - 10

1шт.

D37051

SPOOL

ASSEMBLY - three position, color code - blue or letter code - X,.73710" to .73719" (18.722 mm to 18.724 mm), Includes: Ref. 1 - 10

1шт.

D37052

SPOOL

ASSEMBLY - three position, color code - yellow or letter code - Y,.73720" to .73729 (18.725 mm to 18.727 mm), Includes: Ref. 1 - 10

1шт.

D37053

SPOOL

ASSEMBLY - three position, color code - green or letter code - Z,. 73730" to .73740" (18.727 mm to 18.730 mm), Includes: Ref. 1 - 10

1шт.

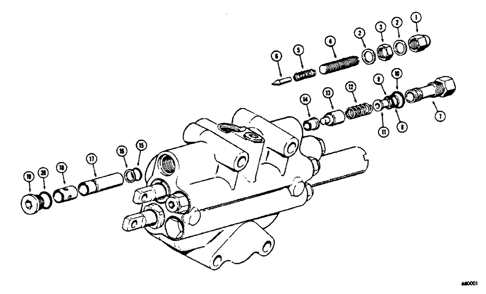
1

L30744

GLAND

AND WIPER - spool

1шт.

2

A27365

O-RING,0.103" Thk x 0.75" ID, -116, Cl 5, 75 Duro

(replaces A27342)

1шт.

3

NSS

NOT SOLD SEPARAT

SPOOL

1шт.

4

A27365

O-RING,0.103" Thk x 0.75" ID, -116, Cl 5, 75 Duro

(replaces A27342)

1шт.

5

A14535

RETAINER

- seal

2шт.

6

A14533

BRONZE BUSHING

RETAINER - spring

2шт.

7

A25286

WASHER

- special

1шт.

8

A14534

SPRING

- spool return

1шт.

9

A27020

RING

SNAP RING - spring retainer

1шт.

10

A14529

CAP

- spool

1шт.

Выбрано товаров: 14