Запчасти Case 450 (100) - TRANSMISSION MECHANICAL RANGE SHIFT (03) - TRANSMISSION

Схема запчастей Case 450 - (100) - TRANSMISSION MECHANICAL RANGE SHIFT (03) - TRANSMISSION
FIT
1:1
100%

Артикул

Название

Примечание

Количество

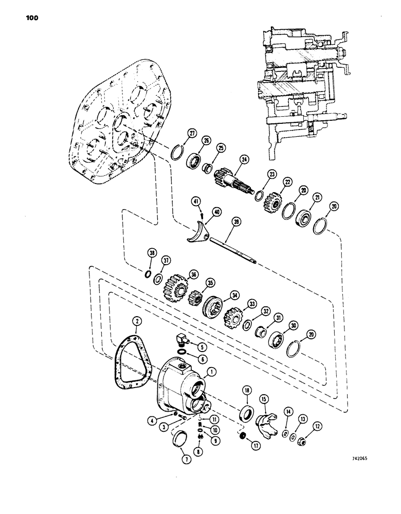
1

NSS

NOT SOLD SEPARAT

HOUSING - two speed shift, see figure 96 for ordering

1шт.

2

A50269

GASKET

- shift housing to front cover

1шт.

3

166-46

12 PT SCREW,Flg, 3/8" - 16 x 1 1/4", Gr 8

SCREW - ferry head, 12 point, 3/8" - 16 NC x 1-1/4"

9шт.

4

A22317

WASHER

- copper

9шт.

5

217-363

FITTING,90 Degree Elbow, 5/8" Hose Barb x 1-1/16" - 12 Male ORB

ELBOW, 90°, 5/8" Hose x 1 1/16"-12 ORB Beaded, Adjustable, Includes Ref. 6

1шт.

6

218-5008

O-RING,0.116" Thk x 0.924" ID, -912, Cl 6, 90 Duro

12-1, 90 Duro, .924 ID x .116" Thk

1шт.

7

A50268

PLUG

- special

1шт.

8

A50094

PLUG,Screw, 5/8" - 18 x 0.377"

SCREW - range selector detent cap

1шт.

9

A50093

SEALING WASHER

WASHER - detent cap screw

1шт.

10

A50092

SPRING

- selector detent

1шт.

11

211-13

BALL,1/2" Dia

steel 1/2" Dia

1шт.

12

131-37

LOCK NUT,3/4"-16

NUT - hex self lock, 3/4" - 16 NF

1шт.

13

32601

WASHER

- flange retaining

1шт.

14

34395

SEALING WASHER

WASHER - flange seal

1шт.

15

A50581

YOKE

FLANGE - universal

1шт.

17

A50421

OIL SEAL,19.05mm ID x 31.95mm OD x 6.73mm Thk

- oil, selector shaft

1шт.

18

A50420

SEAL

- oil, range housing

1шт.

20

R13804

RING

- snap, bearing retainer

3шт.

21

A26537

BALL BEARING,34.99mm ID x 80mm OD x 21mm W

BEARING - ball, drive gear shaft front

1шт.

22

A51927

GEAR WHEEL

GEAR - driver, input shaft (25 teeth) A51924 and 51925 Transmission

1шт.

22

A50515

GEAR

- driver, input shaft, A54116 and A54115 transmission

1шт.

23

R15364

SNAP RING,#152, 1.527", Ext

RING - snap, driver gear

1шт.

24

A50365

SHAFT

- range drive gear

1шт.

25

A50077

BEARING CONE,1.1811" ID x 0.748"

RING - inner, roller bearing

1шт.

26

A50255

BEARING, ROLLER, CYL,2.8359" OD x 0.748"

BEARING - roller, outer ring & rollers

1шт.

27

A27417

RING

- snap, roller bearing retainer

1шт.

30

A50258

ROLLER BEARING,3.1510" OD x 0.8268"

BEARING ASSEMBLY - roller

1шт.

31

A50332

BEARING CONE,1.25" ID x 0.8268"

RING - inner, roller bearing

1шт.

32

A50333

WASHER

- thrust, range gear

1шт.

33

A51928

GEAR

- clutch, 20 and 34 teeth, A51924 and A51925 Transmission

1шт.

33

A50516

GEAR WHEEL

GEAR - A54116 and A54115 transmission

1шт.

34

A51806

COLLAR

SLEEVE - range selector

1шт.

35

A50502

COLLAR

- range selector

1шт.

36

A50517

GEAR

- rear driven shift range

1шт.

37

A50071

WASHER

- thrust, rear driven gear

1шт.

38

A26946

RING

- snap, rear driven gear retainer

1шт.

39

A51886

SHAFT

- range selector

1шт.

A51886 - shaft - this shaft is no longer available. order G107672 shaft and fork.

1шт.

40

A51469

FORK

- range selector shaft

1шт.

A51469 - fork - this fork is no longer available. order G107672 shaft and fork.

1шт.

41

A7044

SET SCREW,3/8" - 16 x 7/8"

- retaining, selector fork

1шт.

42

R10831

ELECTRICAL WIRE

WIRE - tie (Not shown)

1шт.

Выбрано товаров: 42