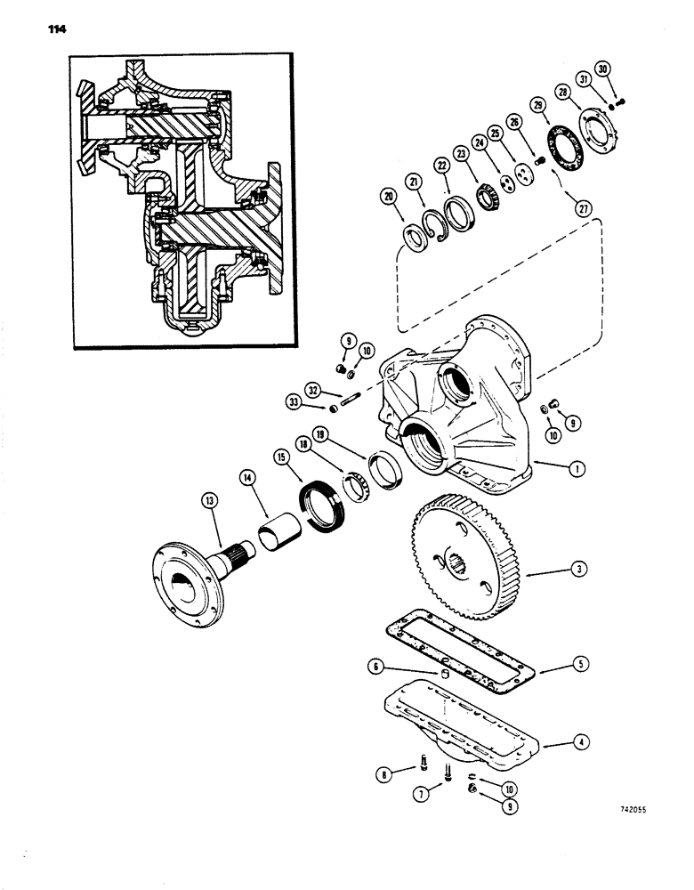
Запчасти Case 450 (114) - TRANSMISSION FINAL DRIVE AND HOUSING, 50" (1270 MM) AND 52" (1321 MM) GAUGE MODELS (03) - TRANSMISSION

Схема запчастей Case 450 - (114) - TRANSMISSION FINAL DRIVE AND HOUSING, 50" (1270 MM) AND 52" (1321 MM) GAUGE MODELS (03) - TRANSMISSION
FIT
1:1
100%

Артикул

Название

Примечание

Количество

G101520

DRIVE

FINAL DRIVE - R. H., loader, Includes: Ref. 1 - 31

1шт.

G101518

DRIVE ASSY.

FINAL DRIVE - R. H., dozer, Includes: Ref. 1 - 31

1шт.

G101521

DRIVE

FINAL DRIVE - L.H., loader, Includes: Ref. 1 - 31

1шт.

G101519

DRIVE ASSY.

FINAL DRIVE - L.H., dozer, Includes: Ref. 1 - 31

1шт.

1

A50564

HOUSING

- G101520 drive

1шт.

1

A50563

HOUSING

- G101519 drive

1шт.

1

A50565

HOUSING

- G101521 drive

1шт.

1

A50562

HOUSING - G101518 drive

1шт.

3

A50214

GEAR

- 2-21/32" ( 68 mm) spline I.D.

1шт.

A50214 and A51737 may be replaced as sets with G101531 and G101530.

1шт.

3

G101531

GEAR

- 3-5/64" (78 mm) spline I.D.

1шт.

4

A136860

COVER

- drop, final drive

1шт.

5

A50218

GASKET

- drop cover

1шт.

6

A50011

SLEEVE

- dowel, drop cover locating

2шт.

7

166-88

12 PT SCREW,Flg, 1/2" - 13 x 1 3/4", Gr 8

SCREW - ferry head, 12 pt. 1/2" - 13 NC x 1-3/4"

1шт.

8

166-86

12 PT SCREW,Flg, 1/2" - 13 x 1 1/4", Gr 8

SCREW - ferry head, 12 pt. 1/2" - 13 NC x 1-1/4"

10шт.

9

A50014

PLUG

- housing

3шт.

10

A58608

GASKET

Drain Plug Gasket

3шт.

11

G102141

SEALING WASHER

WASHER - copper

1шт.

13

A51737

SHAFT

- 2-13/64" (56 mm) spline O.D.

1шт.

A50214 and A51737 may be replaced as sets with G101531 and G101530.

1шт.

13

G101530

SHAFT

- 2 13/16" (82 mm) spline O.D.

1шт.

14

A50566

SPACER

SLEEVE - output shaft

1шт.

15

A50567

SEAL

KIT - oil, final drive shaft

1шт.

18

A50100

ROLLER BEARING,82.55mm ID x 25.4mm W

CONE - bearing , outer

1шт.

19

A27146

BEARING, CUP,125.41mm OD x 19.84mm W

CUP - bearing, outer

1шт.

20

A50215

RING

SPACER - output shaft

1шт.

21

A30504

RING

- snap

1шт.

22

A50179

BEARING CUP

CUP - bearing, inner

1шт.

23

G10414

ROLLER BEARING

CONE - bearing, inner

1шт.

24

A50216

SHIM

- .005" (.127 mm)

1шт.

24

A50224

SHIM,.007" Thk

(0.178 mm) .007" Thk

1шт.

25

G102108

PLATE

- retainer

1шт.

26

A31107

BOLT

- special, 1/2" - 13 NC x 1-1/4"

3шт.

27

R10831

ELECTRICAL WIRE

WIRE - lock

1шт.

28

A50140

COVER

- output shaft

1шт.

29

A50139

GASKET

- cover

1шт.

30

13-620

BOLT,Hex, 3/8" - 16 x 1-1/4", Gr 5, Full Thd

5шт.

31

92-6

LOCK WASHER,3/8"

6шт.

32

A50021

STUD

- 1/2" - 13 NC x 3"

30шт.

33

230-4618

LOCK NUT,1/2"-20, GA

NUT - hex self lock, 1/2" - 13 NC

30шт.

Выбрано товаров: 41