Запчасти Case 450 (144) - PARKING BRAKE (05) - UPPERSTRUCTURE CHASSIS

Схема запчастей Case 450 - (144) - PARKING BRAKE (05) - UPPERSTRUCTURE CHASSIS
FIT
1:1
100%

Артикул

Название

Примечание

Количество

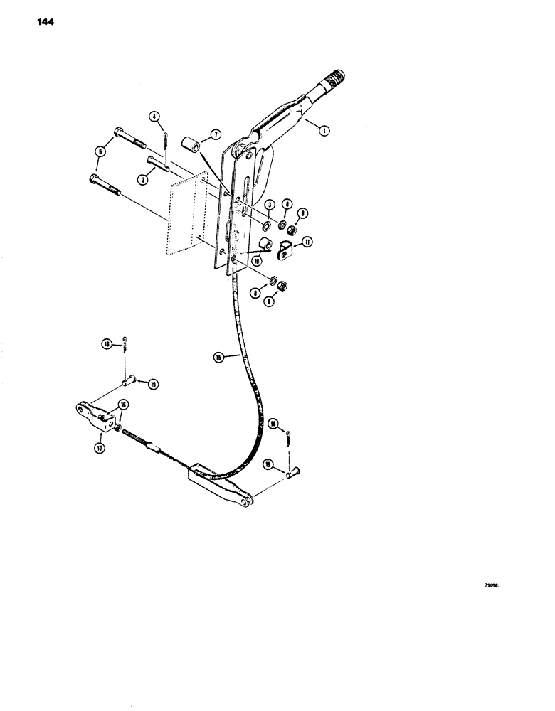
D40687

LEVER

BRAKE LEVER - parking, Includes: Ref. 1 - 4

1шт.

1

NSS

NOT SOLD SEPARAT

LEVER - parking brake

1шт.

2

D42458

PIN

- clevis

1шт.

3

95-5

WASHER,3/8" x 7/8" x .083"

- flat, 5/16"

1шт.

4

132-26

COTTER PIN

Pin, Split (Cotter), 3/32" x 3/4"

1шт.

6

26-526

BOLT,Hex, 5/16" - 18 x 1-5/8", Gr 8

HHCS - 5/16" - 18 NC x 1-5/8", grade 8

2шт.

7

D40685

SPACER

- lever

1шт.

8

92-5

LOCK WASHER,5/16"

2шт.

9

9635082

NUT,5/16" - 18, Gr 5

- hex, 5/16" - 18 NC

2шт.

10

D30863

TUBE

SPACER - clamp

1шт.

11

D40684

CLAMP,12.7mm ID, 8.78mm Bolt Hole, P Type

- cable guide

1шт.

D44006

CABLE

ASSEMBLY - brake, mounted with 5/16" dia. pins, Includes: Ref. 15 - 17

1шт.

15

NSS

NOT SOLD SEPARAT

CABLE - brake

1шт.

16

129-122

NUT,5/16"-24, G5

1шт.

16

86637933

JAM NUT,5/16" - 24, Gr 5

1шт.

17

D43802

CLEVIS

- cable

1шт.

18

132-26

COTTER PIN

Pin, Split (Cotter), 3/32" x 3/4"

2шт.

19

141-2

CLEVIS PIN,1/4" x .770"

PIN - cable yoke, 1/4" dia. x 3/4"

2шт.

Выбрано товаров: 18