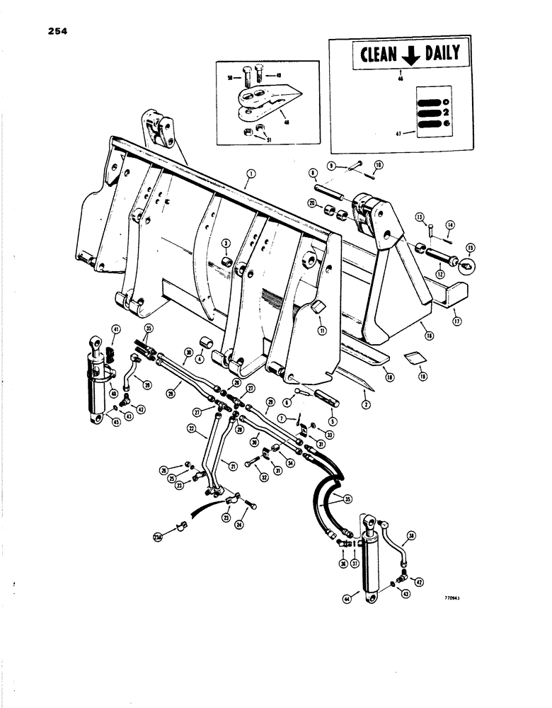
Запчасти Case 450 (254) - D46899 4-IN 1 BUCKET (05) - UPPERSTRUCTURE CHASSIS

Схема запчастей Case 450 - (254) - D46899 4-IN 1 BUCKET (05) - UPPERSTRUCTURE CHASSIS
FIT
1:1
100%

Артикул

Название

Примечание

Количество

D46899

BUCKET - without teeth Machinery item, Includes: Ref. 1 - 20

1шт.

1

D46873

BLADE ASSEMBLY - bucket, Includes: Ref. 2 - 4

1шт.

2

D39316

EDGE, CUTTING

CUTTING EDGE - bucket

1шт.

3

D32919

BUSHING,38.4mm ID x 47.63mm OD x 19.05mm L

- upper

4шт.

4

D33659

BUSHING,51.02mm ID x 63.5mm OD x 19.1mm L

- lower

4шт.

5

D39306

PIN

- lower, Serial Range: cylinder-blade

2шт.

6

D47251

PIN

- clevis

2шт.

7

132-48

COTTER PIN,1/8" x 1"

Pin, Split (Cotter), 1/8" x 1"

2шт.

8

D39311

PIN

- upper, Serial Range: cylinder-blade

2шт.

9

D47252

PIN

- clevis

2шт.

10

132-48

COTTER PIN,1/8" x 1"

Pin, Split (Cotter), 1/8" x 1"

2шт.

11

D46913

PLATE

BLOCK - stop

2шт.

12

D46917

PIN

-, Serial Range: blade-clam

2шт.

13

D46973

PIN

- clevis

2шт.

14

132-48

COTTER PIN,1/8" x 1"

Pin, Split (Cotter), 1/8" x 1"

2шт.

15

219-1

LUBE NIPPLE,1/8" - 27 NPTF

FITTING - straight, grease, 1/8" NPT

2шт.

D46851

CLAW

CLAM ASSEMBLY - bucket, Includes: Ref. 16 - 20

1шт.

16

NSS

NOT SOLD SEPARAT

CLAM - bucket

1шт.

17

D39310

EDGE, CUTTING

CUTTING EDGE - clam

1шт.

18

D39312

PLATE

WEAR PLATE - clam

1шт.

19

D46914

PLATE

GRAB HOOK

2шт.

20

D31140

BUSHING,38.33mm ID x 47.63mm OD x 25.4mm L

- hinge

6шт.

21

D46905

TUBE

- R.H.

1шт.

22

D46903

PIPE

TUBE - L.H.

1шт.

23

D46901

CLAMP

- tube, if used

2шт.

23a

38188

CLAMP

- tube, if usee

2шт.

24

13-514

BOLT,Hex, 5/16" - 18 x 7/8", Gr 5

1-2шт.

25

92-5

LOCK WASHER,5/16"

1-2шт.

26

9635082

NUT,5/16" - 18, Gr 5

- hex, 5/16" - 18 NC

1-2шт.

27

218-1237

TEE,7/8"-14, 37 Degree, Blkhd

- bulkhead

2шт.

28

218-1251

BHD LOCK NUT,Blkhd, 7/8"-14

NUT - hex, 1/4"-20 NC

2шт.

29

D46907

TUBE

- tee to cylinder, L.H. lower - R.H. upper

2шт.

30

D46909

TUBE

- tee to cylinder, R.H. lower - L.H. upper

2шт.

31

D40236

CLAMP

- tube

4шт.

32

13-630

BOLT,Hex, 3/8" - 16 x 1-7/8", Gr 5

HHCS - 3/8" - 16 NC x 1-7/8"

2шт.

33

92-6

LOCK WASHER,3/8"

2шт.

34

D33552

BUSHING

SPACER - clamp

2шт.

35

36547

HOSE

- 19" (483 mm) long

4шт.

36

218-5137

ELBOW,45 Degree Elbow, 7/8" - 14 Male JIC x 7/8" - 14 Male ORB

FITTING - 45 deg., Incl. Ref 37

2шт.

37

237-6010

O-RING,0.097" Thk x 0.755" ID, -910, Cl 6, 90 Duro

1шт.

38

D46957

TUBE

- closed end of cylinder, R.H.

1шт.

39

D46955

TUBE

- closed end of cylinder, L.H.

1шт.

40

214-267

HOSE CLAMP,#64, 3.56" - 4.5", Type F Worm

CLAMP - tube

2шт.

41

D38648

BLOCK

CUSHIONS - rubber

2шт.

42

218-5107

90 ELBOW,90 Degree Elbow, 7/8" - 14 Male JIC x 7/8" - 14 Male ORB

FITTING - 90 deg., Incl. Ref. 43

2шт.

43

237-6010

O-RING,0.097" Thk x 0.755" ID, -910, Cl 6, 90 Duro

1шт.

44

REF

INSTRUCTION

CYLINDER - R.H., See Figures 186 and 188 for cylinders

1шт.

45

REF

INSTRUCTION

CYLINDER - L.H., See Figures 186 and 188 for cylinders

1шт.

46

A18673

DECAL

- clean out, clam

2шт.

47

D39303

DECAL

- clam opening

1шт.

48

D46885

TOOTH

- bucket

6шт.

49

13-840

BOLT,Hex, 1/2" - 13 x 2-1/2", Gr 5

HHCS - 1/2" - 13 NC x 2-1/2"

6шт.

50

13-836

BOLT,Hex, 1/2" - 13 x 2-1/4", Gr 5

HHCS - 1/2" - 13 NC x 2-1/4"

6шт.

51

25-108

NUT,1/2"-13, G5

- hex, 1/2" - 13 NC

12шт.

Выбрано товаров: 54