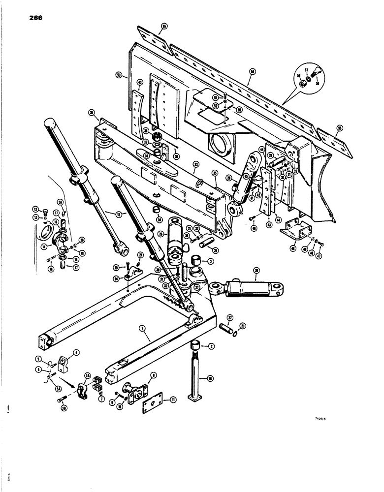
Запчасти Case 450 (266) - POWER ANGLE TILT DOZER (05) - UPPERSTRUCTURE CHASSIS

Схема запчастей Case 450 - (266) - POWER ANGLE TILT DOZER (05) - UPPERSTRUCTURE CHASSIS
FIT
1:1
100%

Артикул

Название

Примечание

Количество

1

R29668

"C" FRAME - Angle Tilt Dozer, Includes: Ref. 2 - 3A

1шт.

R29668 "C" FRAME INCLUDES (2) D34798 TRUNNIONS THAT ARE WELDED TO FRAME AND ARE SERVICEABLE (PER PRINT).

1шт.

2

D33023

BUSHING,51.02mm ID x 63.5mm OD x 50.8mm L

- blade mounting, bottom

1шт.

3

D33023

BUSHING,51.02mm ID x 63.5mm OD x 50.8mm L

- blade mounting, top

1шт.

3a

NSS

NOT SOLD SEPARAT

CAP - end (Use R32490 kit for service)

2шт.

3b

13-1236

BOLT,Hex, 3/4" - 10 x 2-1/4", Gr 5

(Original equipment only) Hex, 3/4"-10 x 2 1/4", G5

4шт.

R32490

CYLINDER END CAP

KIT - end cap, Includes: Ref. 4 - 6

2шт.

4

NSS

NOT SOLD SEPARAT

CAP - end, "C" frame

1шт.

5

S78662

BOLT

- special

1шт.

5a

R32489

BOLT

- special

1шт.

6

391-618

ELECTRICAL WIRE

WIRE - lock, no. 16 x 10"

1шт.

7

D34794

SHIM,1/32" Thk

"C" frame 1/32" Thk

1шт.

8

D34793

TRUNNION

- push "C" frame (replaces D3479)

2шт.

9

13-1028

BOLT,Hex, 5/8" - 11 x 1-3/4", Gr 5, Full Thd

8шт.

10

12034871

WASHER

WASHER, LOCK, (5/8") M16

8шт.

11

R27967

SPACER

- trunnion

2шт.

12

D28481

PLUG

- special

2шт.

13

211-17

BALL,3/4" Dia

- steel, . 3/4" Dia

38шт.

14

D36155

TRUNNION

- inner race

2шт.

15

G34344

CYLINDER

- lift, see Figures 194 and 196

2шт.

16

D24516

WASHER

- thrust

4шт.

17

D24508

PIN,31.74mm OD x 50.8mm L

- trunnion to lift cylinder

4шт.

18

13-648

BOLT,Hex, 3/8" - 16 x 3", Gr 5

HHCS - 3/8" - 16 NC x 3"

4шт.

19

92-6

LOCK WASHER,3/8"

4шт.

20

25-106

NUT,3/8"-16, G5

- hex, 3/8" - 16 NC

4шт.

21

219-1

LUBE NIPPLE,1/8" - 27 NPTF

FITTING - grease, straight, 1/8" NPT

4шт.

22

D46467

PIN

- cylinder mounting

2шт.

23

D26918

SNAP RING,#125, Ext

Ring, Snap, #125, Ext

4шт.

24

D46466

BRACKET

- cylinder mounting

2шт.

25

13-1036

BOLT,Hex, 5/8" - 11 x 2-1/4", Gr 5

4шт.

26

G34343

HYDRAULIC CYLINDER

CYLINDER - angle, see Figures 200 and 202

2шт.

27

D34795

AXLE PIN,35.87mm OD x 136.4mm L

PIN - cylinder mounting

4шт.

28

G34345

HYDRAULIC CYLINDER

CYLINDER - tilt, see Figures 204 and 206

1шт.

29

D34796

PIN

- cylinder mounting

2шт.

30

13-1020

BOLT,Hex, 5/8" - 11 x 1-1/4", Gr 5, Full Thd

6шт.

31

92-10

LOCK WASHER,5/8"

WASHER, LOCK, 5/8"

6шт.

32

70523

WASHER,16.67mm ID x 47.63mm OD x 6.35mm Thk

- flat, special

6шт.

33

R29749

BEAM

- leveling, Includes: Ref. 34 and 35

1шт.

D34869

LARGE PLATE

PLATE - swivel, on back of leveling beam

1шт.

34

D31142

BUSHING,51.02mm ID x 63.5mm OD x 38.1mm L

- beam

2шт.

35

D34868

PLATE

- guide

2шт.

36

D34789

AXLE PIN

PIN - swivel

1шт.

37

95-24

WASHER,1 1/2" x 3 1/2" x .18"

- flat 1-1/2"

1шт.

38

25-1224

SLOTTED NUT,1 1/2"-6, G5

NUT - hex, slotted, 1-1/2" - 6 NC

1шт.

39

132-157

COTTER PIN,Ext Prong Sq Cut, 1/4" x 2 1/2"

Pin, Split (Cotter), 1/4" x 2 1/2"

1шт.

40

164-81

HEX SOC SCREW,Flat Hd, 5/8" - 11 x 1 1/2"

SCREW - hex. socket head, 5/8" - 11 NC x 1-1/2"

4шт.

41

13-1028

BOLT,Hex, 5/8" - 11 x 1-3/4", Gr 5, Full Thd

8шт.

42

92-10

LOCK WASHER,5/8"

WASHER, LOCK, 5/8"

8шт.

43

D47764

PLATE ASSY.

PLATE - guide

2шт.

44

D47911

SHIM,.0359" Thk

(.81 mm) .0359" Thk

1шт.

45

D42402

GAUGE

- leveling

1шт.

46

R24491

SHOE (ASSY)

SHOE - shield, blade

2шт.

47

13-820

BOLT,Hex, 1/2" - 13 x 1-1/4", Gr 5, Full Thd

8шт.

48

92-8

LOCK WASHER,1/2"

8шт.

49

195-33

WASHER,1/2"

- flat, 1/2"

8шт.

50

R24647

GUARD - hose

1шт.

51

13-816

BOLT,Hex, 1/2" - 13 x 1", Gr 5, Full Thd

2шт.

52

195-3

WASHER

- flat 1/2"

2шт.

53

R29731

MOLDBOARD - dozing

1шт.

54

R29741

BLADE

- cutting, center

1шт.

55

R29742

BLADE

- cutting end

2шт.

D34854

LARGE PLATE

PLATE - square plate and ring on back of blade

1шт.

D34855

RING

1шт.

56

19-828

BOLT,1/2"-13 x 1 3/4", G5

- plow, 1/2" - 13 NC x 1-3/4"

22шт.

57

92-8

LOCK WASHER,1/2"

22шт.

58

25-108

NUT,1/2"-13, G5

- hex, 1/2" - 13 NC

22шт.

59

217-55

TEE,1/8"-27 NPTF Fem Run x 1/8"-27 NPTF Male Br

FITTING - grease, 90 deg.

4шт.

Выбрано товаров: 67