Запчасти Case 450 (284) - HOOD, SHROUD AND GRILLE (05) - UPPERSTRUCTURE CHASSIS

Схема запчастей Case 450 - (284) - HOOD, SHROUD AND GRILLE (05) - UPPERSTRUCTURE CHASSIS
FIT
1:1
100%

Артикул

Название

Примечание

Количество

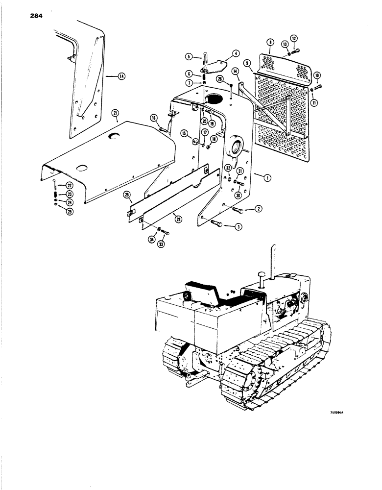
1

R31289

GUARD - radiator, Drawbar Models

1шт.

1a

R31290

GUARD

- radiator, Loader Models

1шт.

2

13-1224

BOLT,Hex, 3/4" - 10 x 1-1/2", Gr 5

All models Hex, 3/4"-10 x 1 1/2", G5

8шт.

3

13-1224

BOLT,Hex, 3/4" - 10 x 1-1/2", Gr 5

Dozer Models only Hex, 3/4"-10 x 1 1/2", G5

2шт.

4

D30074

LID

- radiator

1шт.

5

D35723

BOLT

"U" BOLT -radiator lid

1шт.

6

23098

SPRING

- "U" BOLT

2шт.

7

131-351

LOCK NUT,5/16"-18, GA

NUT - hex self lock, 5/16" - 18 NC

2шт.

8

D43668

GUARD

- headlight

1шт.

9

D35210

RADIATOR

GUARD - grille

1шт.

10

113-472

BOLT

HHCS - 1/2" - 13 NC x 1", plated

6шт.

11

192-42

WASHER - lock, 1/2", plated

6шт.

12

113-473

HHCS - 1/2" - 13 NC x 1-1/4", plated

2шт.

13

192-42

WASHER - lock, 1/2", plated

2шт.

14

D35190

BRACE

- radiator guard

1шт.

15

D35516

BLOCK

- brace mounting

2шт.

16

13-1048

BOLT,Hex, 5/8" - 11 x 3", Gr 5

2шт.

17

92-10

LOCK WASHER,5/8"

WASHER, LOCK, 5/8"

2шт.

18

25-1010

NUT,5/8"-11, G5

2шт.

19

13-1024

BOLT,Hex, 5/8" - 11 x 1-1/2", Gr 5, Full Thd

2шт.

20

92-10

LOCK WASHER,5/8"

WASHER, LOCK, 5/8"

2шт.

21

R32966

HOOD

standard

1шт.

21

R37981

HOOD

AND PAD - noise reduction, see Figure 142 for pad & fasteners

1шт.

22

D33958

BOLT

- hood hold down

4шт.

23

F60482

SPRING

- hood hold down

4шт.

24

195-25

WASHER,3/8"

- plain

4шт.

25

131-352

LOCK NUT,3/8"-16, GA

NUT - hex self lock, 3/8" - 16 NC

4шт.

26

R38089

CUSHION ASSY.

PLUG - quad

4шт.

28

D34996

PANEL - side, R.H.

1шт.

29

D34997

PANEL - side, L.H.

1шт.

30

13-820

BOLT,Hex, 1/2" - 13 x 1-1/4", Gr 5, Full Thd

4шт.

31

92-8

LOCK WASHER,1/2"

4шт.

32

195-33

WASHER,1/2"

- flat, 1/2"

4шт.

33

13-828

BOLT,Hex, 1/2" - 13 x 1-3/4", Gr 5

HHCS - 1/2" - 13 NC x 1-3/4"

2шт.

34

92-8

LOCK WASHER,1/2"

2шт.

Выбрано товаров: 35