Запчасти Case 450B (027A) - PISTONS, 207 NATURALLY ASPIRATED DIESEL ENGINE, ENGINE SERIAL NUMBER 2869290 AND AFTER (01) - ENGINE

Схема запчастей Case 450B - (027A) - PISTONS, 207 NATURALLY ASPIRATED DIESEL ENGINE, ENGINE SERIAL NUMBER 2869290 AND AFTER (01) - ENGINE
FIT
1:1
100%

Артикул

Название

Примечание

Количество

1

A46382

PACKAGE, REPAIR

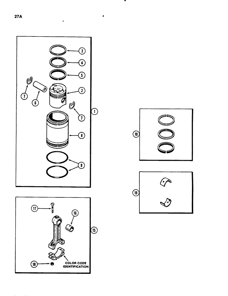
PISTON ASSEMBLY, shallow bowl type, 17.1 compression ratio (Set of 1), Includes: Ref. #s 2 - 9

4шт.

2

A151244

PISTON

1шт.

3

NSS

NOT SOLD SEPARAT

RING - compression, top groove (Order Ref 10) (Reference No. A138346)

1шт.

4

NSS

NOT SOLD SEPARAT

RING - compression, second groove (Order Ref 10) (Reference No. A142350)

1шт.

5

NSS

NOT SOLD SEPARAT

RING - oil control, third groove (Order Ref 10) (Reference No. A138348)

1шт.

6

A35770

PISTON PIN,31.75mm OD x 80.44mm L

PIN - piston

1шт.

7

G46702

RING, LOCKING

RING - piston pin retaining

2шт.

8

A136474

SLEEVE CYLINDER

SLEEVE - piston (cylinder liner)

1шт.

395949R1

SHIM

.004"-.005"

1шт.

395948R1

SHIM

.007"

1шт.

395947R1

SHIM

.012"

1шт.

395946R1

SHIM

.030"

1шт.

The outside edge may need to be trimmed to fit into cylinder bore. This is acceptable. Do not fold the edges over.

1шт.

9

A51916

O-RING,4.115" ID x 4.281" OD

- sleeve, 4-1/8 x 4-1/4 x 3/32 " (105 x 108 x 2 mm)

2шт.

10

A151892

RING

SET - piston re-ring (Set of 1)

4шт.

15

A182007

ROD, CONNECTING

ROD ASSEMBLY - connecting, 46.9 to 47.8 ounces (1331 to 1356 grams) (Yellow) (Includes: Ref. #s 16 - 18)

4шт.

15

A182008

ROD, CONNECTING

ROD ASSEMBLY - connecting, 47.8 to 48.6 ounces (1356 to 1380 grams) (Red) (Includes: Ref. #s 16 - 18)

4шт.

15

A182009

ROD, CONNECTING

ROD ASSEMBLY - connecting, 48.6 to 49.5 ounces (1380 to 1404 grams) (Blue) (Includes: Ref. #s 16 - 18)

4шт.

A182010

PACKAGE

KIT - within 1/4 ounce (7 grams) of each other (Set of 4-A51913) (No color code)

1шт.

15

A51913

RING

ROD ASSEMBLY - connecting, Includes: Ref. #s 16 - 18

4шт.

16

A136712

BUSHING

- piston pin, connecting rods

1шт.

17

A51914

BOLT

- connecting rod cap

2шт.

18

A51904

NUT

NUT - connecting rod bolt

2шт.

19

A50975

BEARING LINER,58.67mm ID x 62.48mm OD x 27.69mm W

INSERT - connecting rod bearing, standard (Set of 2)

4шт.

19

A50976

BEARING

INSERT - connecting rod bearing, 0.002 " undersize (0.06 mm) (Set of 2)

4шт.

19

A50977

BEARING,58.42mm ID x 62.48mm OD x 27.69mm W

INSERT - connecting rod bearing, 0.010 " undersize (0.26 mm) (Set of 2)

4шт.

19

A50978

BEARING,58.17mm ID x 62.48mm OD x 27.69mm W

INSERT - connecting rod bearing, 0.020 "undersize (0.51 mm) (Set of 2)

4шт.

19

A50979

BEARING

INSERT - connecting rod bearing, 0.030 " undersize (0.77 mm) (Set of 2)

4шт.

Выбрано товаров: 28