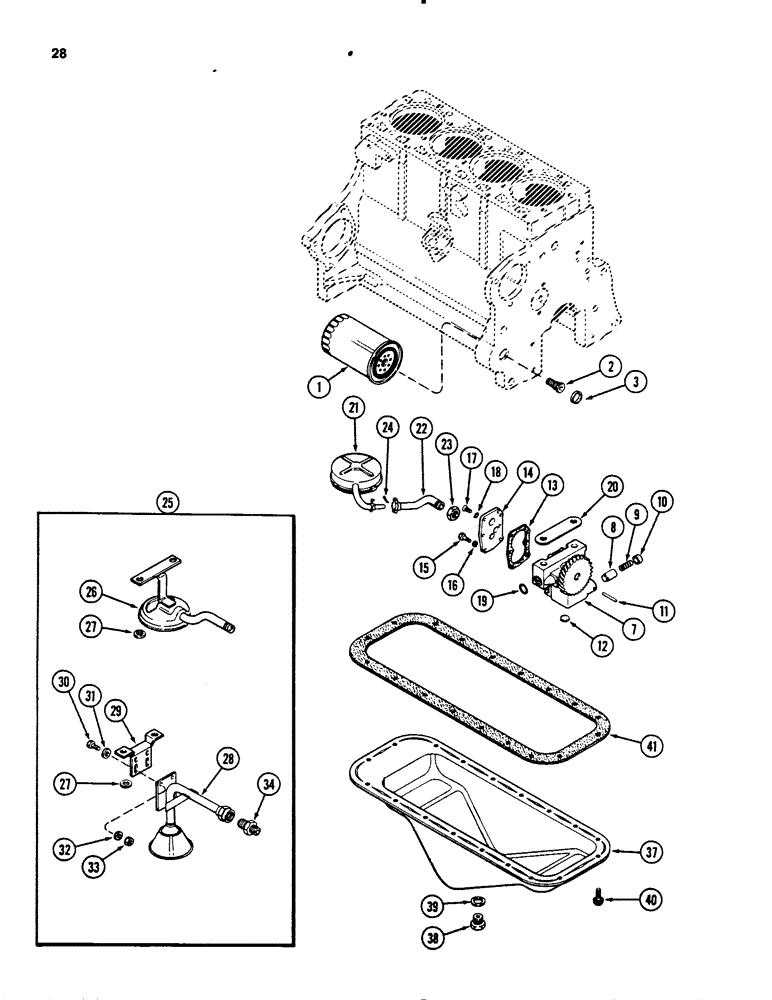
Запчасти Case 450B (028) - OIL FILTERS, 207 NATURALLY ASPIRATED DIESEL ENGINE, FLOAT TYPE (01) - ENGINE

Схема запчастей Case 450B - (028) - OIL FILTERS, 207 NATURALLY ASPIRATED DIESEL ENGINE, FLOAT TYPE (01) - ENGINE
FIT
1:1
100%

Артикул

Название

Примечание

Количество

1

A146696

ENGINE OIL FILTER

FILTER - engine oil

1шт.

2

A153552

ADAPTER

ADAPTER - filter to block (Replaces A37206)

1шт.

3

41-1016

PLUG,Cup, 1"

PLUG - adapter hole, cup type, 1" (25mm)

1шт.

7

A38372

PUMP

PUMP ASSEMBLY - engine oil, oil pump, Includes: Ref. #s 8 - 18

1шт.

7

AR38372

REMAN-ENG OIL PUMP

REMAN-ENGINE OIL PUMP Remanufactured Oil Pump; For N.A. only

1шт.

7

AC38372

CORE-ENGINE OIL PUMP

CORE-ENGINE OIL PUMP Return number - For N.A. only

1шт.

8

A155144

VALVE, PRESSURE RELI

EF VALVE - relief (Replaces A29279), oil pump

1шт.

9

G48500

SPRING

SPRING - relief valve, 2-1/8 " free length (54 mm), oil pump

1шт.

10

A29260

RETAINER

RETAINER - relief valve spring, oil pump

1шт.

11

138-62

LOCK PIN,1/8" x 1 1/8", Slotted

PIN, , Oil pump 1/8" x 1 1/8", Slotted

1шт.

12

A39321

PLUG,Cup, 7/16"

PLUG - body, cup type, 1/2 " (13 mm), oil pump

1шт.

13

G46852

GASKET

GASKET - pump cover, oil pump

1шт.

14

NSS

NOT SOLD SEPARAT

COVER - pump body (Reference No. G10838), oil pump

1шт.

15

13-420

BOLT,Hex, 1/4" - 20 x 1-1/4", Gr 5

BOLT, , Oil pump Hex, 1/4"-20 x 1 1/4", G5

1шт.

15

13-412

BOLT,Hex, 1/4" - 20 x 3/4", Gr 5, Full Thd

BOLT, , Cup type, Oil pump Hex, 1/4"-20 x 3/4", G5, Full Thd

3шт.

16

92-4

LOCK WASHER,1/4"

WASHER, LOCK, , Oil pump 1/4"

4шт.

17

73-410

SCREW,Slotted Flat Hd, 1/4"-20 x 5/8"

SCREW - slotted flat head, 1/4 NC x 5/8" oil pump

2шт.

18

193-52

LOCK WASHER,Ext Csk Tooth, 1/4"

WASHER, LOCK, , Oil pump Ext Csk Tooth, 1/4"

2шт.

19

A27365

O-RING,0.103" Thk x 0.75" ID, -116, Cl 5, 75 Duro

O-RING - oil port, 3/4 x 15/16 x 3/32 " (19 x 24 x 2 mm), oil pump

1шт.

20

G11337

SHIM,.002" Thk

SHIM, , Pump to bearing cap (0.06 mm), Oil pump .002" Thk

1шт.

20

G11338

SHIM,.005" Thk

SHIM, , Pump to bearing cap (0.13 mm), Oil pump .005" Thk

1шт.

21

A39037

FLOAT

FLOAT ASSEMBLY - with screen (Order A155221), oil pump

1шт.

22

A39035

TUBE

PIPE ASSEMBLY - suction, oil pump

1шт.

23

223-207

LOCK NUT

NUT - tube to pump, oil pump

1шт.

24

132-50

COTTER PIN,1/8" x 1 1/4"

Pin, Split (Cotter), , Oil pump 1/8" x 1 1/4"

1шт.

25

A155221

KIT

SCREEN KIT - oil pump,oil pump,Includes: Ref. #s 26 - 34

1шт.

26

A39896

FILTER SCREEN

SCREEN - oil pump, use with shallow oil pan, oil pump

1шт.

27

G35009

WASHER

WASHER - bracket to bearing cap, 17/32 x 1-1/16 x 7/64 " (13 x 27 x 3 mm), oil pump

2шт.

28

A156794

FILTER SCREEN

SCREEN - oil pump, use with deep oil pan, oil pump

1шт.

29

A156845

BRACKET

BRACKET - screen support, oil pump

1шт.

30

13-48

BOLT,Hex, 1/4" - 20 x 1/2", Gr 5

BOLT, , Oil pump Hex, 1/4"-20 x 1/2", G5, Full Thd

2шт.

31

95-4

WASHER,1/4"

WASHER - flat, 1/4 " oil pump

2шт.

32

92-4

LOCK WASHER,1/4"

WASHER, LOCK, , Oil pump 1/4"

2шт.

33

25-104

NUT,1/4"-20, G5

NUT, , Oil pump 1/4"-20, G5

2шт.

34

218-1026

HYD CONNECTOR,7/8"-14, 37 Degree x 3/8"-18, NPTF

CONNECTOR - straight (37 degree flared), oil pump

1шт.

37

A36782

PAN

PAN ASSEMBLY - oil, oil pan, Includes: Ref. #s 38 & 39

1шт.

38

A140222

PLUG

PLUG - drain, oil pan

1шт.

39

A58608

GASKET

GASKET - drain plug, oil pan

1шт.

40

193-514

SCREW,SEMS, Hex Hd, 5/16"-18 x 3/4"

BOLT ASSEMBLY - hex Sems, 5/16 NC x 3/4 " oil pan

18шт.

41

NSS

NOT SOLD SEPARAT

GASKET - oil pan (Order A44758, Fig. 30), oil pan

1шт.

Выбрано товаров: 40