Запчасти Case 450B (039A) - AIR CLEANER SYSTEM, MODELS WITH TURBOCHARGED ENGINE (01) - ENGINE

Схема запчастей Case 450B - (039A) - AIR CLEANER SYSTEM, MODELS WITH TURBOCHARGED ENGINE (01) - ENGINE
FIT
1:1
100%

Артикул

Название

Примечание

Количество

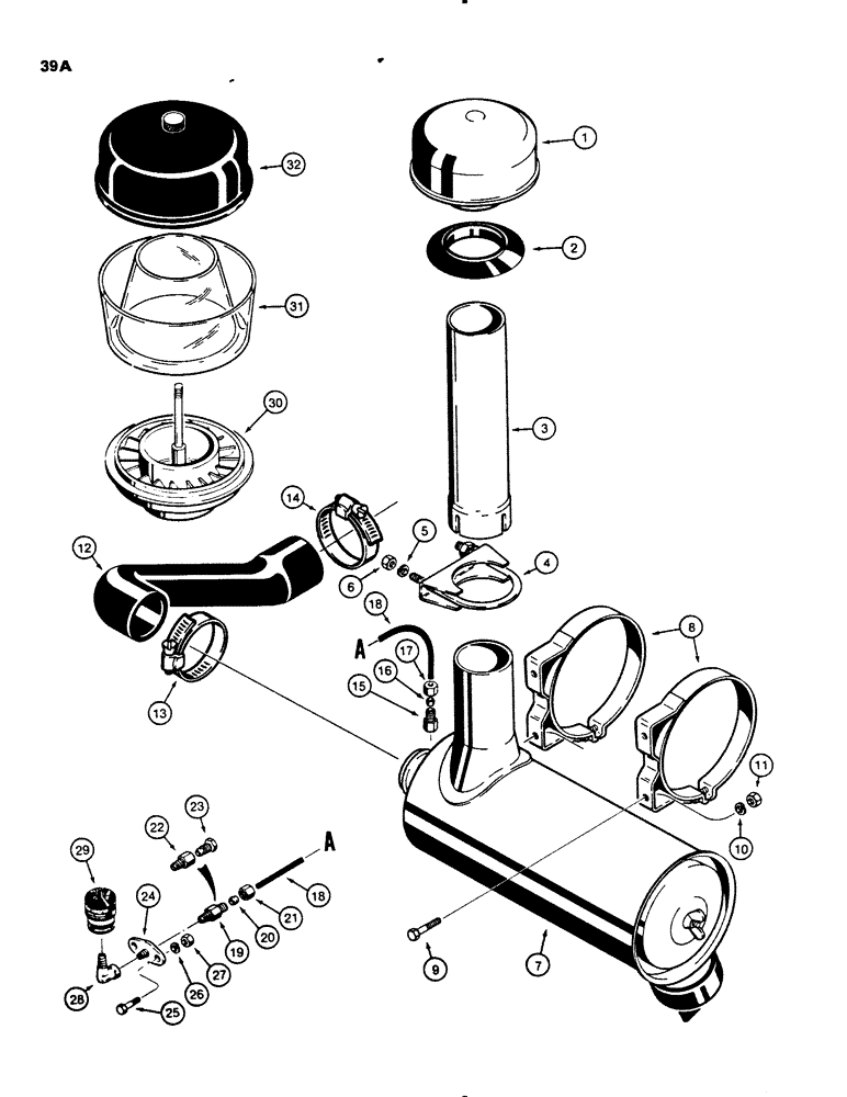
1

A61277

CAP

- air cleaner

1шт.

2

D93451

GROMMET

- air cleaner cap

1шт.

Grommet has 2.38" I.D.

1шт.

3

D34631

TUBE

STACK - air cleaner

1шт.

Stack has 3" O.D.

1шт.

4

L73711

CLAMP

ASSEMBLY - air cleaner stack, Includes: Ref. #s5 & 6

1шт.

5

92-6

LOCK WASHER,3/8"

2шт.

6

25-106

NUT,3/8"-16, G5

- hex, 3/8"-16 NC

2шт.

7

D83962

AIR CLEANER

ASSEMBLY - parts list Fig. 41A

1шт.

8

L11247

BAND

CLAMP - air cleaner

1шт.

9

13-612

BOLT,Hex, 3/8" - 16 x 3/4", Gr 5, Full Thd

4шт.

10

92-6

LOCK WASHER,3/8"

4шт.

11

25-106

NUT,3/8"-16, G5

- hex, 3/8"-16 NC

4шт.

12

R44376

HOSE

- air intake

1шт.

13

214-264

HOSE CLAMP,#52, 2.81" - 3.75", Type F Worm

CLAMP - hose, at air cleaner

1шт.

14

214-262

HOSE CLAMP,#44, 2.31" - 3.25", Type F Worm

CLAMP - hose, at turbocharger

1шт.

Clamp - Use 214-355 Clamp (Prevent clamp from Slipping off per Service Bulletin 10-June-96

1шт.

D35091

PIPE FITTING

FITTING - compression, straight, Includes: Ref. #s 15 - 17

1шт.

15

NSS

NOT SOLD SEPARAT

BODY - fitting

1шт.

16

D37176

SLEEVE

- fitting

1шт.

17

D37362

TUBE NUT

- fitting

1шт.

18

D36946

TUBE

- restriction indicator

1шт.

D35816

CONNECTOR, ELEC

FITTING - compression, straight, production part, for service order 222-400, Fig. 19 - 21

1шт.

19

NSS

NOT SOLD SEPARAT

BODY - fitting

1шт.

20

D37176

SLEEVE

- fitting

1шт.

21

D37362

TUBE NUT

- fitting

1шт.

22

222-400

HYD CONNECTOR,1/8" NPT x 5/16"-24

FITTING - straight, service replacement for D35816, Fig. 22 & 23

1шт.

22

NSS

NOT SOLD SEPARAT

BODY - fitting

1шт.

23

222-500

TUBE NUT,5/16" - 24 NPT

NUT AND SLEEVE - fitting

1шт.

24

L10235

FLANGE

BRACKET - mounting, restriction indicator

1шт.

25

113-3

BOLT,Hex, 1/4" - 20 x 3/4", Gr 5

2шт.

26

92-4

LOCK WASHER,1/4"

WASHER, LOCK, 1/4"

2шт.

27

25-104

NUT,1/4"-20, G5

2шт.

28

217-20

ELBOW,90 Degree, 1/8"-28 NPTF, Fem x 1/8"-27 NPTF Male

1шт.

29

A59568

INDICATOR

RESTRICTION INDICATOR - air cleaner

1шт.

A24391

AIR CLEANER

PRECLEANER ASSEMBLY - Includes: 30 - 32

1шт.

Precleaner Assy has 3" I.D.

1шт.

30

NSS

NOT SOLD SEPARAT

BODY - precleaner

1шт.

31

73186

HOUSING

BOWL - precleaner

1шт.

32

73187

COVER

- precleaner

1шт.

Выбрано товаров: 40