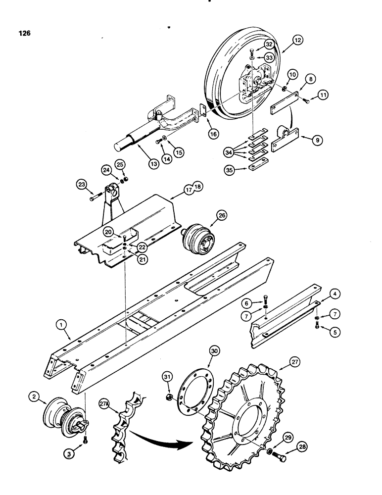
Запчасти Case 450B (126) - TRACK FRAME AND RECOIL SYSTEM (04) - UNDERCARRIAGE

Схема запчастей Case 450B - (126) - TRACK FRAME AND RECOIL SYSTEM (04) - UNDERCARRIAGE
FIT
1:1
100%

Артикул

Название

Примечание

Количество

1

R42254

FRAME

- track

2шт.

2

REF

INSTRUCTION

TRACK ROLLER - for correct assembly and components, Fig. 130

10шт.

3

113-2628

LOCK BOLT,Locking, 5/8"-11 x 1 1/4", G5, Full Thd

BOLT, Locking, 5/8"-11 x 1 1/4", G5, Full Thd

40шт.

4

D35276

PLATE

- wear, track channel

4шт.

5

113-606

BOLT,Hex, 5/8" - 11 x 1-1/4", Gr 5, Full Thd

4шт.

6

113-607

BOLT,Hex, 5/8" - 11 x 1-1/2", Gr 5, Full Thd

4шт.

7

192-25

LOCK WASHER,5/8"

WASHER, LOCK, 5/8"

8шт.

8

REF

INSTRUCTION

BAR - idler guide, without locking tab for idler bolt, no longer used, replace with Ref. # 9

4шт.

9

R48847

PLATE

BAR - idler guide, with locking tab for idler bolt

4шт.

10

D44330

SHIM,.031" Thk

Idler guide bar .031" Thk

1шт.

11

113-607

BOLT,Hex, 5/8" - 11 x 1-1/2", Gr 5, Full Thd

8шт.

12

R42186

WHEEL

IDLER ASSEMBLY - parts list Fig. 129

2шт.

12

R42186

WHEEL

IDLER ASSEMBLY - parts list Fig. 129

2шт.

13

R42179

YOKE

TRACK ADJUSTER - yoke, hydraulic, parts list Fig. 129

2шт.

14

113-417

BOLT,Hex, 1/2" - 13 x 1-1/4", Gr 5, Full Thd

8шт.

15

R24323

WASHER

- flat, hardened, 1/2", replaces lock washer used on some models

8шт.

16

R37875

SHIM,0.813mm Thk

Track adjuster 0.813mm Thk

1шт.

17

R43771

HOUSING

RECOIL HOUSING ASSEMBLY - with carrier roller bracket, right-hand

1шт.

18

R43772

HOUSING

RECOIL HOUSING ASSEMBLY - with carrier roller bracket, left-hand

1шт.

19

RESERVED

1шт.

20

113-424

BOLT,Hex, 1/2" - 13 x 1", Gr 5, Full Thd

12шт.

21

195-533

WASHER,1/2", SAE

- flat, 1/2", plated

12шт.

22

92-8

LOCK WASHER,1/2"

12шт.

23

113-425

BOLT,Hex, 1/2" - 13 x 3", Gr 5

2шт.

24

92-8

LOCK WASHER,1/2"

2шт.

25

129-105

NUT,Hex, 1/2" - 13, Gr 5

2шт.

26

REF

INSTRUCTION

CARRIER ROLLER - track, parts list Fig. 132

2шт.

27

R24570

DRIVE SPROCKET

SPROCKET - all models except 64" (1626 mm) gauge LGP dozer models

2шт.

27

R41317

DRIVE SPROCKET

SPROCKET - 64" (1626 mm) gauge LGP dozer models

2шт.

27a

R32724

SPROCKET - reliefed, service option for all models ezcept 64" (1626 mm) gauge LGP dozer models

2шт.

28

R27954

BOLT

- special, use with 52" (1321 mm) gauge models

14шт.

28

R27242

BOLT

- hex, special, 3/4"-10 NC x 3", use with 64" (1626 mm) gauge dozer models

14шт.

29

D34666

WASHER,33.34mm ID x 63.5mm OD x 2.38mm Thk

- hardened

14шт.

30

R46160

SHIM,.032" Thk

Sprocket .032" Thk

1шт.

31

131-1152

LOCK NUT,3/4"-10, GC

NUT, LOCK, 3/4"-10, GC

14шт.

32

113-417

BOLT,Hex, 1/2" - 13 x 1-1/4", Gr 5, Full Thd

8шт.

33

R24323

WASHER

- hardened

8шт.

34

R42182

SHIM

- idler mounting

1шт.

35

R42181

BLOCK

- idler mounting

4шт.

Выбрано товаров: 39