Запчасти Case 450B (220) - LOADER COWL AND MAIN FRAME AND CYLINDERS (04) - UNDERCARRIAGE

Схема запчастей Case 450B - (220) - LOADER COWL AND MAIN FRAME AND CYLINDERS (04) - UNDERCARRIAGE
FIT
1:1
100%

Артикул

Название

Примечание

Количество

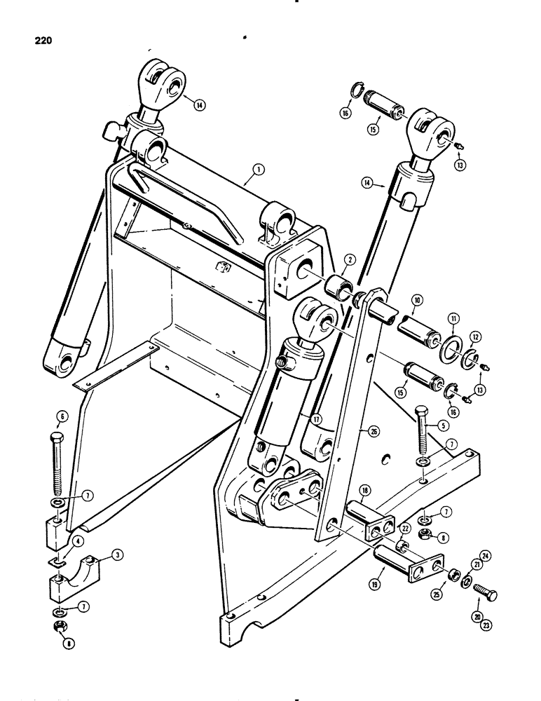
1

R44259

COWL AND MAIN FRAME - loader, Includes: Ref #2

1шт.

2

D33023

BUSHING,51.02mm ID x 63.5mm OD x 50.8mm L

- cowl and main frame

2шт.

3

D34663

CLAMP

- pivot shaft to cowl and main frame

2шт.

4

R28516

SPACER

- clamp

2шт.

5

13-1480

BOLT,Hex, 7/8" - 9 x 5", Gr 5

4шт.

6

413-14120

BOLT,Hex, 7/8" - 9 x 7-1/2", Gr 5

- hex head, 7/8" -9 NC x 7-1/2"

4шт.

7

D34667

WASHER,23.02mm ID x 38.1mm OD x 3.57mm Thk

- hardened

16шт.

8

131-658

LOCK NUT,7/8"-9, GB

NUT - hex, self-locking, 7/8" -9 NC

8шт.

10

R39606

SHAFT

ROD - pivot

1шт.

11

D34668

WASHER,52.39mm ID x 76.2mm OD x 3.57mm Thk

- special

2шт.

12

D34664

RING

SNAP RING - pivot rod

2шт.

13

219-1

LUBE NIPPLE,1/8" - 27 NPTF

GREASE FITTING - straight, 1/8" NPT

5шт.

14

REF

INSTRUCTION

CYLINDER - lift, see figure 180

2шт.

15

D34658

PIN,44.45mm OD x 101.6mm L

- hydra-leveling cylinder

3шт.

16

D25280

SNAP RING,#175, Ext

Ring, Snap, , pin #175, Ext

6шт.

17

REF

INSTRUCTION

CYLINDER - hydra-leveling, see Fig. 184

1шт.

18

R39601

PIN

- lift cylinder

2шт.

19

R39598

PIN

- hydra-leveling cylinder

1шт.

20

13-1232

BOLT,Hex, 3/4" - 10 x 2", Gr 5

LH side only Hex, 3/4"-10 x 2", G5

1шт.

21

D31328

WASHER

- special

1шт.

22

T31129

BUSHING,19.66mm ID x 31.75mm OD x 17.48mm L

- pin, lift cylinder

1шт.

23

13-1240

BOLT,Hex, 3/4" - 10 x 2-1/2", Gr 5

RH side only Hex, 3/4"-10 x 2 1/2", G5

1шт.

24

D31328

WASHER

- special

1шт.

25

R39604

BUSHING

- pin, hydra-leveling cylinder

1шт.

26

R39605

LINK - connecting

1шт.

Выбрано товаров: 25