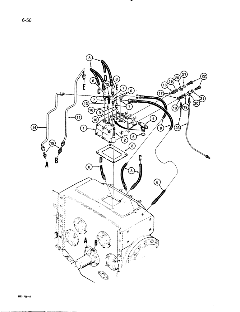
Запчасти Case 450C (6-56) - TRANSMISSION CONTROL VALVE HYDRAULIC LINES, USED THRU P.I.N. 3080911 (06) - POWER TRAIN

Схема запчастей Case 450C - (6-56) - TRANSMISSION CONTROL VALVE HYDRAULIC LINES, USED THRU P.I.N. 3080911 (06) - POWER TRAIN
FIT
1:1
100%

Артикул

Название

Примечание

Количество

1

1343751C1

VALVE

CONTROL VALVE - transmission, parts list Fig. 6-60

1шт.

Front cover is for common fluid brakes. Valve is still used for 450, 450B, 850, 850B AND 850C service, hench no sub. Per ECN C890734.

1шт.

2

166-49

12 PT SCREW,Flg, 3/8" - 16 x 2", Gr 8

BOLT - Ferry head, 3/8" - 16 NC x 2", grade 8

4шт.

3

B17428

LOCTITE

SEALANT - Gasket Eliminator No. 504, 50 ml tube, control valve to transmission housing

1шт.

4

A50356

FITTING

TEE - adjustable, control valve inlet, Includes: Ref. 5

1шт.

5

237-6010

O-RING,0.097" Thk x 0.755" ID, -910, Cl 6, 90 Duro

- tee

1шт.

6

218-5105

ELBOW,90 Degree Elbow, 9/16" - 18 Male JIC x 9/16" - 18 Male ORB

- 90 degree, adjustable, Includes: Ref. 7

4шт.

8

A50295

HYDRAULIC HOSE,6.35 mm ID x 419.00 mm, SAE100R1

6.35 mm ID x 419.00 mm, SAE 100R1

4шт.

9

218-5057

HYD CONNECTOR,9/16" - 18 JIC x 9/16" - 18 ORB

ADAPTER - straight, male, forward tube at control valve, Incl. Ref. 10

1шт.

11

A50471

TUBE

- forward, right-hand

1шт.

12

G107995

ELBOW

- 90 degree, adjustable, reverse tube at control valve, Includes: Ref. 13

1шт.

14

A54112

TUBE

- reverse, left-hand

1шт.

15

218-443

HYD CONNECTOR,9/16" - 18 Male JIC x 1/4" - 18 Male NPTF

ADAPTER - tube

2шт.

16

221-849

PLUG,Hex Soc, 1/8"-27

- hex socket head, 1/8" NPT, used with item 12 elbow on models without a backup alarm, if used

1шт.

17

237-6008

O-RING,0.087" Thk x 0.644" ID, -908, Cl 6, 90 Duro

8-1, 90 Duro, .644" ID x .087" Thk, Adapter

2шт.

18

72125

ADAPTER

- straight

2шт.

19

L114099

WASHER,13.64mm ID x 21.21mm OD x 1.59mm Thk

GASKET - inner, Y-fitting

2шт.

20

51200243

FITTING

ADAPTER - special, Y-fitting, not used on models with optional brake system

2шт.

For optional brake system used through P.I.N. 3080911 see Fig. 7-16

1шт.

21

51200242

SEAL,15.24mm ID x 20.64mm OD x 0.81mm Thk

- outer, Y-fitting

2шт.

22

A12864

BOLT

- special, Y-fitting

2шт.

23

A50358

TUBE

- control valve to brake cylinder, not used on models with optional brake system

2шт.

For optional brake system used through P.I.N. 3080911 see Fig. 7-16

1шт.

7

237-6006

O-RING,0.078" Thk x 0.468" ID, -906, Cl 6, 90 Duro

6-1, 90 Duro, .468" ID x .078" Thk, Elbow

1шт.

10

237-6006

O-RING,0.078" Thk x 0.468" ID, -906, Cl 6, 90 Duro

6-1, 90 Duro, .468" ID x .078" Thk, Adapter

1шт.

13

237-6006

O-RING,0.078" Thk x 0.468" ID, -906, Cl 6, 90 Duro

6-1, 90 Duro, .468" ID x .078" Thk, Elbow

1шт.

Выбрано товаров: 0