Запчасти Case 450C (6-66) - TRANSMISSION SEAL KIT, USED THRU P.I.N. 3080911 (06) - POWER TRAIN

Схема запчастей Case 450C - (6-66) - TRANSMISSION SEAL KIT, USED THRU P.I.N. 3080911 (06) - POWER TRAIN
FIT
1:1
100%

Артикул

Название

Примечание

Количество

G102662

SEAL

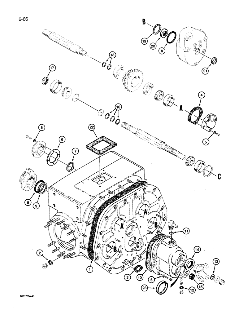
KIT - seal, transmission housing, Includes: Ref. 1 - 18, 19, 20, 21, 22 and 23

1шт.

This seal kit was designed for transmissions with dry brakes. It can also be used for models with wet brakes through P.I.N. 3080911, with exceptions as noted in Ref. 8, 11, 19, 20, and 21. There is no seal kit for models with wet brakes on P.I.N. GBE 0001501 and after.

1шт.

1

G35334

GASKET

- front cover, if used, may be replaced with Gasket Eliminator No. 504, see below

1шт.

2

A58613

SEALING WASHER

WASHER - drain plug

1шт.

3

A50109

GASKET

- oil suction tube

1шт.

4

A50056

GASKET

- clutch shaft cover, front

2шт.

5

D32117

COPPER WASHER

WASHER, COPPER

33шт.

6

A50348

SHIM,.003" Thk

(0.076 mm) , Clutch shaft cover, Outer .003" Thk

4шт.

6

A50272

SHIM,.005" Thk

(0.127 mm), Clutch shaft cover, Outer .005" Thk

2шт.

6

CASA50347

SHIM

- .010" (0.254 mm) thick, clutch shaft cover, outer

1шт.

7

G100338

SHIM,.028" Thk

(0.711 mm), Clutch shaft cover, Inner .028" Thk

4шт.

8

A50055

SEALING RING

RING - square section, main shaft rear cover and brake mounting plates used on brake mounting plates on models with dry brakes only

3шт.

9

A50053

SHIM,.003" Thk

(0.076 mm), Main shaft inner cover .003" Thk

4шт.

9

40590

SHIM

- .005" (0.127 mm) thick, main shaft inner cover

2шт.

9

40591

SHIM

- .010" (0.254 mm) thick, main shaft inner cover

1шт.

10

A50269

GASKET

- range gear housing, if used, may be replaced with Gasket Eliminator No. 504, see below

1шт.

11

237-6012

O-RING,0.116" Thk x 0.924" ID, -912, Cl 6, 90 Duro

12-1, 90 Duro, .924 ID x .116" Thk, Oil return elbow, 90 degree, adjustable, models with dry brakes only

1шт.

12

A50093

SEALING WASHER

WASHER - special, range selector detent

1шт.

13

34395

SEALING WASHER

WASHER - seal, yoke

1шт.

14

A50420

SEAL

- shaft

1шт.

15

G105118

OIL SEAL

- double lip, selector shaft

1шт.

16

A51841

RING

- seal, main shaft

3шт.

17

A54107

OIL SEAL,38.1mm ID x 8mm Thk

- main shaft, rear

1шт.

18

A50389

SEAL

RING - seal, high and low clutch shafts

4шт.

B17428

LOCTITE

SEALANT - Gasket Eliminator No. 504, 50 ml tube

1шт.

B17504

GASKET

SEALANT - Gasket Eliminator No. 504, 300 ml cartridge

1шт.

19

A50061

SHIM,0.076mm Thk

(.003"), Brake mounting plate, Models with dry brakes only 0.076mm Thk

4шт.

19

A50062

SHIM,0.127mm Thk

(.005"), Brake mounting plate, Models with dry brakes only 0.127mm Thk

2шт.

19

A50063

SHIM,0.254mm Thk

(.010"), Brake mounting plate, Models with dry brakes only 0.254mm Thk

1шт.

20

A50418

OIL SEAL

- brake plate, models with dry brakes only

2шт.

21

41-1628

PLUG,Cup, 1 3/4", Stainless

- cup, brake cover, models with dry brakes only

2шт.

22

A50113

GASKET

- control valve base, if used, may be replaced with Gasket Eliminator No. 504, see below

1шт.

23

A50268

PLUG

- cup, range gear housing

1шт.

B17428

LOCTITE

SEALANT - Gasket Eliminator No. 504, 50 ml tube

1шт.

B17504

GASKET

SEALANT - Gasket Eliminator No. 504, 300 ml cartridge

1шт.

Выбрано товаров: 0