Запчасти Case 450C (5-24) - CASE LUBRICATED TRACK CHAIN, WITH SPLIT MASTER LINKS (11) - TRACKS/STEERING

Схема запчастей Case 450C - (5-24) - CASE LUBRICATED TRACK CHAIN, WITH SPLIT MASTER LINKS (11) - TRACKS/STEERING
FIT
1:1
100%

Артикул

Название

Примечание

Количество

R52292

CHAIN (CE)

CHAIN ASSEMBLY - 36 unit, LGP standard length track dozer models, optional on loader models and 53" (1346 mm) gauge std dozer models, if used, Incl Ref. 1 - 11; No Longer Available, Order 131191A1 Chain Assy & 178328A3 Tag, See Figure 05-24A

2шт.

R52292 IS A SEALED AND LUBED CHAIN

1шт.

R54461

CHAIN (CE)

CHAIN ASSEMBLY - 39 unit, LGP extended track and 53 inch gauge long track dozer models, if used, Incl Ref. 1 - 11; No Longer Available, Order 131192A1 Chain Assy & 178328A3 Tag, See Figure 05-24A

2шт.

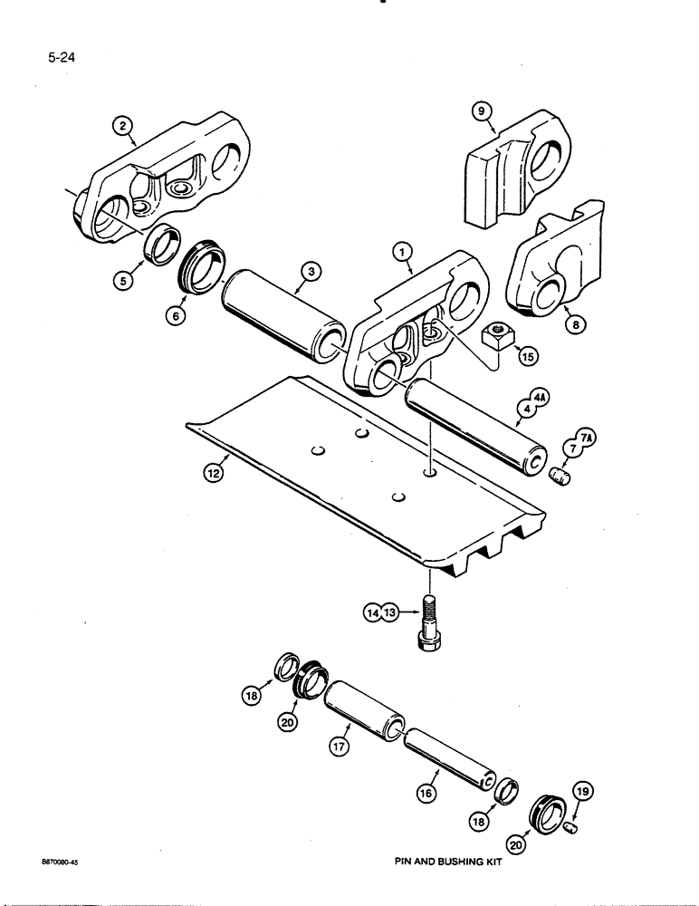
1

R52284

LINK

- track, right-hand

35-38шт.

2

R52285

LINK

- track, left-hand

35-38шт.

3

R52297

BUSHING

- track pin, 1-7/8" (47 mm) OD

36-39шт.

4

R52298

PIN

- track, 19/32" (15 mm) dia. hole for oil plug, use with R50441 plug, Ref. 7, only, if used

36шт.

4a

R54335

PIN

- track, 17/32" (13.5 mm) dia. hole for oil plug, use with R54334 plug, Ref. 7A, only, if used

36-39шт.

5

R52299

SEALING RING

SPACER - seal

72-78шт.

6

R52300

SEAL

SEAL - track pin

72-78шт.

7

R50441

PLUG

- track pin, 23/32" (18 mm) diameter, use with R52298 pin (Ref. 4) only

36шт.

7a

R54334

PLUG,16mm

- track pin, 20/32" (16 mm) diameter, use with R54335 pin (Ref. 4A) only

36-39шт.

R52642

DRAG LINK

MASTER LINK ASSEMBLY - right-hand, Includes: Ref. 9 and 10

1шт.

8

NSS

NOT SOLD SEPARAT

LINK - track, master, fits over track pin on outside of regular track link, right-hand

1шт.

9

NSS

NOT SOLD SEPARAT

LINK - track, master, fits over bushing on inside of regular track link, right-hand

1шт.

REF: #9 LINK HAS TAPPED HOLES

1шт.

R52641

DRAG LINK

MASTER LINK ASSEMBLY - left-hand, not shown, Includes: Ref. 10 and 11

1шт.

10

NSS

NOT SOLD SEPARAT

LINK - track, master, fits over track pin on outside of regular track link, left-hand, not shown

1шт.

11

NSS

NOT SOLD SEPARAT

LINK - track, master, fits over bushing on inside of regular track link, left-hand, not shown

1шт.

12

REF

INSTRUCTION

TRACK SHOE - see Figs. 5-28 and 5-30 for options

72-78шт.

13

R24688

FLANGE BOLT

Special, 1/2 - 20 NF x 1.56 inch, Use With Self-Cleaning, If Used; Quantity 288-312

1шт.

14

R43189

BOLT

Hex, Special, 1/2 - 20 NF x 3 inch, Use With Self-Cleaning Track Shoe Only, If Used; Quantity 288-312

1шт.

15

R24578

NUT

Special, Square, 1/2 - 20 NF, Not Used On Master Link Bolts; Quantity 280-304

1шт.

R53265

SET

KIT - pin and bushing, includes instruction sheet, services complete track chain, both sides of tractor, Includes: Ref. 16 - 21

1шт.

16

R54335

PIN

- track, 17/32" (13.5 mm) dia. hole for plug

78шт.

17

R52297

BUSHING

- track pin

78шт.

18

R52299

SEALING RING

SPACER - seal

156шт.

19

R54334

PLUG,16mm

- track pin, 20/32" (16 mm) diameter

78шт.

20

R52300

SEAL

SEAL - track pin

156шт.

21

345-140

SEALANT

ADHESIVE - gasket, Scotch Grip No. 847, 1 pint, for link pin bores, not shown

1шт.

Выбрано товаров: 30