Запчасти Case 455C (9-42) - RADIATOR SHROUD, GRILLE, AND SCREEN (09) - CHASSIS/ATTACHMENTS

Схема запчастей Case 455C - (9-42) - RADIATOR SHROUD, GRILLE, AND SCREEN (09) - CHASSIS/ATTACHMENTS
FIT
1:1
100%

Артикул

Название

Примечание

Количество

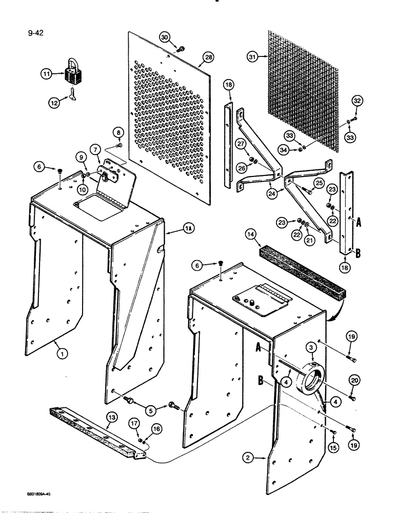
1

R50766

FRAME

SHROUD - radiator, loader models, includes decals, Includes: Ref. 1A

1шт.

1a

R50169

LARGE PLATE

PLATE - rub, weld on, loader models

2шт.

2

R50767

FRAME

SHROUD - radiator, dozer and drawbar models, includes decals, Includes: Ref. 3 and 4

1шт.

3

D31317

RACE

- lift trunnion

2шт.

4

R42367

GUSSET

- trunnion race

4шт.

5

113-709

BOLT,Hex, 3/4" - 10 x 1-1/2", Gr 5

4 per side on loader models, 5 per side on dozer and drawbar models Hex, 3/4"-10 x 1 1/2", G5

8-10шт.

6

R38805

PLUG

- rubber, used on models without ROPS canopy, if used

6шт.

7

L102515

LATCH

- radiator access door

1шт.

8

182-516

SCREW,Sl Pan Hd, #10 - 24 x 1/2"

MACHINE SCREW - pan head slotted, No 10 - 24 NC x 1/2"

2шт.

9

192-18

LOCK WASHER,Helical Spring, #10, 0.196" ID, CST, ZND

WASHER, LOCK, #10

2шт.

10

129-17

NUT,Hex, #10 - 24

NUT - hex, No. 10 - 24 NC, plated

2шт.

11

D93753

PADLOCK

- radiator access door, Includes: Keys

1шт.

12

R29555

KEY

- for Master padlock only

2шт.

12

D93751

SET OF 2 KEYS

KEY - for Yale padlock only

2шт.

13

R51465

BRACKET

BAFFLE - radiator, lower, includes pad

1шт.

14

R46759

PROTECTION STRIP

PAD - radiator baffle, upper

1шт.

15

113-208

BOLT,Hex, 3/8" - 16 x 1-1/4", Gr 5

4шт.

16

192-21

LOCK WASHER,3/8"

WASHER, LOCK, 3/8"

4шт.

17

129-103

NUT,Hex, 3/8" - 16, Gr 5

NUT, 3/8"-16, G5

4шт.

18

R49206

SUPPORT

BRACKET - grille and brace mounting

2шт.

19

113-421

BOLT,Hex, 1/2" - 13 x 2", Gr 5

Upper and lower holes Hex, 1/2"-13 x 2", G5

4шт.

20

113-417

BOLT,Hex, 1/2" - 13 x 1-1/4", Gr 5, Full Thd

Center holes Hex, 1/2"-13 x 1 1/4", G5, Full Thd

2шт.

21

95-8

WASHER,1/2"

flat, upper and lower holes 1/2"

4шт.

22

192-23

LOCK WASHER,1/2"

WASHER, LOCK, 1/2"

6шт.

23

129-105

NUT,Hex, 1/2" - 13, Gr 5

6шт.

24

R49207

SUPPORT

BRACE - grille and shroud support

2шт.

25

113-600

BOLT,Hex, 5/8" - 11 x 1-3/4", Gr 5

1шт.

26

192-25

LOCK WASHER,5/8"

WASHER, LOCK, 5/8"

1шт.

27

129-107

NUT,5/8"-11, G5

1шт.

28

R47883

SIEVE

GRILLE - radiator

1шт.

30

121-429

FLANGE BOLT,Hex, 1/2" - 13 x 1 1/4", Gr 8, Full Thd

BOLT, Hex Flg, 1/2"-13 x 1 1/4", G8, Full Thd

7шт.

31

R49212

GRILLE ASSY

SCREEN - radiator, if used

1шт.

32

113-209

BOLT,Hex, 3/8" - 16 x 1-1/2", Gr 5

10шт.

33

39519

WASHER,10.31mm ID x 34.9mm OD x 3.57mm Thk

- flat, 3/8"

20шт.

34

131-652

LOCK NUT,3/8"-16, GB

NUT - hex, self-locking, 3/8" - 16 NC

10шт.

345-44

ADHESIVE

- for attaching foam pads to metal surfaces, spray can, 19-1/2 fluid ounces

1шт.

Выбрано товаров: 36