Запчасти Case 455C (2-22) - CYLINDER BLOCK, 4-390 ENGINE (02) - ENGINE

Схема запчастей Case 455C - (2-22) - CYLINDER BLOCK, 4-390 ENGINE (02) - ENGINE
FIT
1:1
100%

Артикул

Название

Примечание

Количество

A174293

ENGINE ASSEMBLY

ENGINE ASSY ENGINE ASSEMBLY - 4-390 complete, new, includes all parts except starter, alternator, fan, fan belt, air cleaner, muffler and exhaust pipe

1шт.

1989046C2R

REMAN-REPLACEMENT EN

Remanufactured, Complete Engine, 4-390

1шт.

1989046C2C

CORE-REPLACEMENT ENG

Return Part Number, Engine

1шт.

1989091C3R

REMAN-BASIC ENGINE

Remanufactured Basic Engine Assembly, assembly includes short block assembly, cylinder head, valve cover, front cover, oil pan, water pump, thermostat and gasket kit to transfer trim parts

1шт.

1989091C3C

CORE-BASIC ENGINE

Return Part Number

1шт.

J905377

SKELETON ENGINE

BLOCK ASSEMBLY - short, engine, new, includes stripped block, pistons, connecting rods and bearings, crankshaft and bearings, order short block and J905813 kit, Includes: Ref. 1 - 9

1шт.

JR905377

ENGINE, EXCHANGE

Engine (Exchange) Block Assembly - short, engine, remanufactured

1шт.

JC905377

CORE

Return Part Number - use this part number to return short block core for credit

1шт.

JR933238

REMAN-SHORT ENGINE

Reman For New P/N J905377

1шт.

JC933238

CORE-SHORT ENGINE

Return Part Number

1шт.

A174066

ENGINE ASSEMBLY

ENGINE ASSY

1шт.

1989046C2R

REMAN-REPLACEMENT EN

Reman For New P/N A174066

1шт.

1989046C2C

CORE-REPLACEMENT ENG

Return Part Number, Engine

1шт.

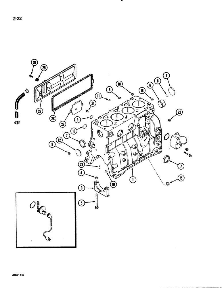
1

J905376

CRANKCASE

BLOCK ASSEMBLY - stripped, engine, order block and J905813 kit, Includes: Ref. 3 - 9

1шт.

3

J900967

BEARING CAP

CAP - main bearing

5шт.

4

J900068

BEARING WASHER

RING - dowel, 18 mm OD

10шт.

5

J904217

BOLT,Hex, M14 x 2 x 119mm, Cl 12.9

BOLT - bearing cap, special

10шт.

6

REF

INSTRUCTION

BUSHING - camshaft front, see Fig. 2-20

1шт.

7

J900965

PLUG

PLUG - expansion, 58 mm OD

4шт.

8

J900956

PLUG

PLUG - expansion, 18 mm OD

3шт.

9

A77539

PLUG

PLUG - expansion, 26 mm

2шт.

J905813

PACKAGE, REPAIR

KIT - block hardware, Includes: Ref. 10 - 23

1шт.

10

J900958

PLUG

PLUG - expansion, 32 mm OD

2шт.

11

J900955

PLUG

PLUG - expansion, 10 mm OD

1шт.

12

J900687

PLUG

PLUG - expansion, welch, 60 mm OD

1шт.

15

A77439

PLUG

PLUG - expansion, 0.886 mm OD

1шт.

16

J900257

PIN,10.01mm OD x 16mm L

PIN - dowel, 16 mm long

2шт.

18

J902343

DOWEL

RING - dowel, 16 mm OD

2шт.

19

J900068

BEARING WASHER

RING - dowel, 18 mm OD

2шт.

21

J906619

PLUG,1/8" - 27

PLUG - hex socket pipe, 1/8-27 PT

2шт.

22

A77429

PLUG

PLUG - hex socket pipe, 1/4-18 PT

1шт.

23

J901020

NOZZLE CAP

NOZZLE - piston cooling

4шт.

25

J900267

SEAL

SEAL ASSEMBLY - cover bolt

4шт.

26

J900629

FLANGE BOLT,Hvy Hex, M8 x 16mm, Cl 8.8

BOLT, Hex Flg, M8 x 16, 8.8, Full Thd

2шт.

27

J916441

COVER

COVER - tappet, replaces J905023

1шт.

28

J904056

GASKET

GASKET - tappet cover

1шт.

29

J907586

BAFFLE

BAFFLE - tappet cover

1шт.

Short Block (new & remaining) do not include camshaft or tappets.

1шт.

Выбрано товаров: 38