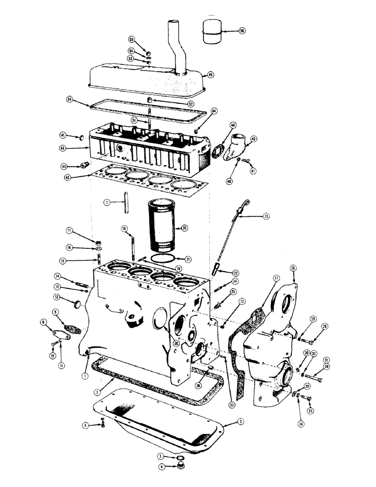
Запчасти Case 310 (008) - ENGINE BLOCK AND RELATED PARTS (01) - ENGINE

Схема запчастей Case 310 - (008) - ENGINE BLOCK AND RELATED PARTS (01) - ENGINE
FIT
1:1
100%

Артикул

Название

Примечание

Количество

G12452M

ENGINE - complete

1шт.

1

A49114

BLOCK - cylinder (Includes main bearing, caps, place bolts, camshaft bushings, and studs)

1шт.

Ref #1 - Replaced by G11004 06/11/96

1шт.

2

G10020

X

GASKET - oil pan

1шт.

3

G11154

PAN - oil (Original equipment) Use A35278

1шт.

A35278

PAN - oil (Replacement)

1шт.

4

VT4521

X

PLUG - drain, G11154 oil pan

1шт.

G45786

PLUG

- drain, A35278 oil pan (Includes gasket)

1шт.

5

VT4520

X

GASKET - drain plug (VT4521 drain plug)

1шт.

6

193-514

SCREW,SEMS, Hex Hd, 5/16"-18 x 3/4"

HHCS AND LOCKWASHER - attaching, oil pan (5/16" - 18 NC x 3/4")

16шт.

7

VT3224

TUBE - push rod

8шт.

8

VT3253

PAD - oil filter opening

1шт.

9

VT3229

X

GASKET - oil filter pad

1шт.

10

13-612

BOLT,Hex, 3/8" - 16 x 3/4", Gr 5, Full Thd

2шт.

11

92-6

LOCK WASHER,3/8"

2шт.

12

VT3398

X

PLUG - expansion, rear crankshaft bearing (2-1/8" dia.)

1шт.

13

VT3395

X

PLUG - pipe, oil gallery (1/8" NPT socket head)

2шт.

14

VT3531

X

STUD - block to clutch housing (5/8" x 3")

2шт.

15

VT4503

X

STUD - cylinder head (1/2" x 2")

9шт.

16

VT4529

WASHER

- cylinder head studs

14шт.

17

VT3361

X

NUT - cylinder head studs

14шт.

18

VT4515

X

STUD - cylinder head (1/2" x 5-13/16")

5шт.

19

VT4502

STUD - engine block to cable clip (3/8" x 1-1/2")

2шт.

20

G1061

SLEEVE

- cylinder (3-3/8" bore)

4шт.

21

VT3375

X

SEAL - "O"ring, cylinder sleeve (Use G46909)

8шт.

G46909

O-RING,3.112" ID x 3.344" OD

SEAL - "O"ring, cylinder sleeve

8шт.

22

G45139

BRACKET

SUPPORT - dipstick

1шт.

23

G45138

DIPSTICK

- oil level (Use G37037)

1шт.

G37037

DIPSTICK

- oil level

1шт.

G46892

OIL SEAL

- rubber, dipstick (Not shown)

1шт.

24

VT4508

STUD - generator mounting bracket (3/8" x 1-1/4")

2шт.

25

217-92

COCK

VALVE - water drain, cylinder block

1шт.

26

VT334

COVER - timing gear (When stock is exhausted use A35905)

1шт.

A35905

COVER - timing gear (See VT334)

1шт.

A35822

NEEDLE BEARING,Needle, 9.52mm ID x 14.29mm OD x 12.7mm W

BEARING - needle, governor lever (Not shown - see figure 28)

2шт.

27

VT3248

X

GASKET - timing gear cover

1шт.

28

413-632

BOLT,Hex, 3/8" - 16 x 2", Gr 5

- 3/8" - 16 NC x 2"

1шт.

29

92-6

LOCK WASHER,3/8"

1шт.

30

13-636

BOLT,Hex, 3/8" - 16 x 2-1/4", Gr 5

1шт.

31

13-652

BOLT,Hex, 3/8" - 16 x 3-1/4", Gr 5

HHCS - 3/8" - 16 NC x 3-1/4"

3шт.

32

92-6

LOCK WASHER,3/8"

4шт.

25-106

NUT,3/8"-16, G5

- hex. (3/8" - 16 NC) not shown

3шт.

33

13-620

BOLT,Hex, 3/8" - 16 x 1-1/4", Gr 5, Full Thd

5шт.

34

92-6

LOCK WASHER,3/8"

5шт.

35

V20214

WASHER

- cover bolt (13/32" I.D. x 3/4" O.D. x 1/16" thick)

2шт.

36

VT3352

X

PLUG - pipe, timing gear cover (1/8" NPT slotted head)

1шт.

37

VT3364

X

PIN - crankshaft thrust washer (5/32" dia. x 1/2")

2шт.

38

VT4535

X

RING - dowel, timing gear cover, Serial Range: -block

2шт.

39

VT3243

X

COVER - magneto drive hole

1шт.

40

G11063

O-RING

HEAD - cylinder (Includes guides, tubes, "O"ring seals, studs, and safety plugs) use A49124

1шт.

G11909

HEAD - cylinder (Includes guides, tubes, "O"ring seals, studs, and safety plugs) ( replaced A49124 )

1шт.

41

VT5058

PLUG - safety freeze (1-1/8" dia.)

1шт.

42

G10672

CYLINDER HEAD GASKET

- cylinder head

1шт.

43

D26015

FITTING

ADAPTER - temperature gauge heat bulb

1шт.

44

VT3383

X

PLUG - heat fuse

1шт.

45

G11087

ELBOW - water outlet (Includes 3/8" NPT square head pipe plug)

1шт.

46

VT3228

X

GASKET - water outlet elbow

1шт.

47

13-620

BOLT,Hex, 3/8" - 16 x 1-1/4", Gr 5, Full Thd

2шт.

48

92-6

LOCK WASHER,3/8"

2шт.

49

G11156

COVER - valve

1шт.

50

VT3246

GASKET - valve cover

1шт.

51

VT4511

STUD - valve cover (3/8" x 5")

1шт.

52

VT3142

X

SPACER - valve cover studs

2шт.

53

VT4564

X

SPACER - valve cover studs

2шт.

54

VT3291

X

WASHER - valve cover stud (13/32" I.D. x 1" O.D. x 1/8" thick)

3шт.

55

25-106

NUT,3/8"-16, G5

- hex. (3/8" - 16 NC)

3шт.

56

VT3545

X

CAP - oil filler and breather order A49111

1шт.

Выбрано товаров: 67