Запчасти Case 310C (052) - TRANSMISSION - DIFFERENTIAL AND FINAL DRIVE SPACERS (03) - TRANSMISSION

Схема запчастей Case 310C - (052) - TRANSMISSION - DIFFERENTIAL AND FINAL DRIVE SPACERS (03) - TRANSMISSION
FIT
1:1
100%

Артикул

Название

Примечание

Количество

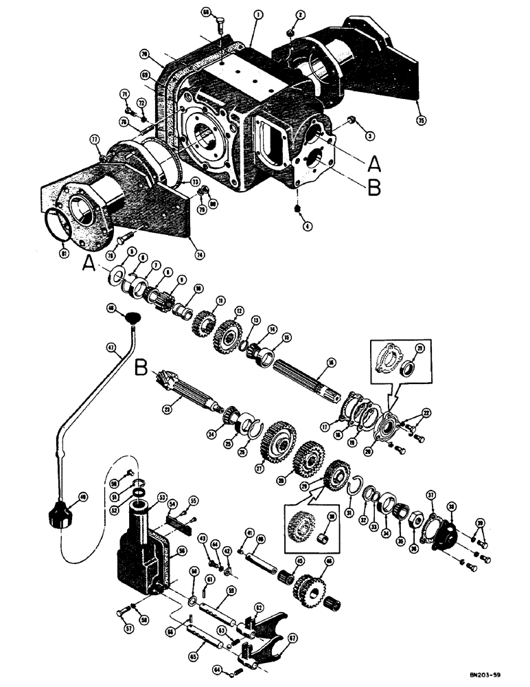
D23400

X

TRANSMISSION AND DIFFERENTIAL ASSY - complete

1шт.

1

NLS

NO LONGER SERVICED

CASE - transmission (Includes ref. no. 26)

1шт.

2

221-16

PLUG,Sq Hd, 1"-11 1/2 NPTF

- pipe, transmission filler (1" NPT square head)

1шт.

3

221-834

X

PLUG - pipe, oil level (1/2" extended square head)

1шт.

4

D23217

X

PLUG - pipe, magnetic (Drain)

2шт.

5

11371

CUP ASSY.

CUP - oil, main shaft rear bearing

1шт.

6

11453

TAPERED BEARING

SNAP RING - main shaft rear bearing

1шт.

7

O4056TS

CUP

- bearing

1шт.

8

VT3404

X

CONE - bearing

1шт.

9

11363

BALL BEARING

GEAR - main shaft, low and reverse

1шт.

10

35130

SPACER

- main shaft gear

1шт.

11

11365

GEAR

- main shaft, second speed

1шт.

12

11366

GEAR

- main shaft, constant mesh

1шт.

13

VT2111

X

SNAP RING - main shaft front bearing

1шт.

14

VT3404

X

CONE - bearing

1шт.

15

O4056TS

CUP

- bearing

1шт.

16

D33873

MAIN SHAFT

1шт.

17

51200023

GASKET

- main shaft front bearing cap

1шт.

18

11368

SHIM

- main shaft front bearing cap (.005" thick)

1шт.

19

11367

SHIM

- main shaft front bearing cap (.010" thick)

1шт.

D20541

SHIM,.020" Thk

Main shaft front bearing cap (Not shown) .020" Thk

1шт.

20

11369

X

CAP - main shaft front bearing

1шт.

21

11370

OIL RESERVOIR

SEAL - oil, bearing cap

1шт.

22

23016

CAP

HHCS AND LOCKWASHER - 3/8" - 16 NC x 1"

3шт.

23

R25584

GEAR WHEEL

COUNTERSHAFT AND BEVEL PINION - (Included with differential)

1шт.

24

40384

ROLLER BEARING

CONE - bearing

1шт.

25

12667A1

CUP - bearing

1шт.

26

11451

RING, SNAP

SNAP RING - countershaft rear bearing

1шт.

27

11373

BALL BEARING

- countershaft, first and reverse

1шт.

28

11374

GEAR

- sliding, second and third

1шт.

28

11374GV

DISC

- sliding, second and third

1шт.

29

11375

GEAR

AND BUSHING - third

1шт.

30

11376

BUSHING

- countershaft third gear

1шт.

31

101-21250

SNAP RING,#250, 2.673", Int

- countershaft front bearing

1шт.

32

11378

BELLEVILLE WASHER

- retaining, countershaft third gear

1шт.

33

11377

X

WASHER - spring, countershaft third gear retaining (Use D11205)

1шт.

D11205

SHIM KIT

KIT - shim pack, countershaft third gear retaining

1шт.

D27621

SPACER

WASHER - spacer, hardened (1-1/32" I.D. x 1-7/16" O.D. x 18 gauge) Not shown

1шт.

D27618

SHIM,.004" Thk

Steel (Not shown) .004" Thk

2шт.

D27619

SHIM,.007" Thk

Steel (Not shown) .007" Thk

2шт.

D27620

SHIM,.010" Thk

Steel (Not shown) .010" Thk

5шт.

34

O4056TS

CUP

- bearing

1шт.

35

W9651S

CUP ASSY.

CONE - bearing

1шт.

36

11380

NUT

- adjusting, countershaft front bearing

1шт.

37

51200023

GASKET

- countershaft front bearing cap

1шт.

38

11381

CAP

- countershaft front bearing

1шт.

39

D20542

X

HHCS AND LOCKWASHER - bearing cap

3шт.

40

34592

SHAFT

ASSY - reverse idler

1шт.

41

34594

X

PLUG - pipe, slotted headless

1шт.

42

11385

LOCK ASSY

LOCK - reverse idler shaft

1шт.

43

13-610

BOLT,Hex, 3/8" - 16 x 5/8", Gr 5, Full Thd

Reverse idler shaft lock Hex, 3/8"-16 x 5/8", G5, Full Thd

1шт.

44

193-10

LOCK WASHER,Ext Tooth, 0.391" ID x 0.682" OD, STL, PLN

WASHER - Shakeproof lock, internal tooth (3/8")

1шт.

45

11450

TAPERED BEARING

BEARING - needle, reverse idler

2шт.

46

NLS

NO LONGER SERVICED

GEAR - reverse idler

1шт.

D28239

CONTROL ASSY - gear shift, complete

1шт.

47

37238

LEVER

- gear shift

1шт.

48

O3501AB

X

KNOB - gear shift lever

1шт.

49

VT2017

X

COVER - dust, gear shift lever

1шт.

50

31365

PIN

- stake, gear shift lever

1шт.

51

11454

RING, SNAP

SNAP RING - gear shift lever

1шт.

52

CAS11393

WASHER

- pivot, gear shift lever

1шт.

53

NLS

NO LONGER SERVICED

COVER AND GUIDE ASSY - control

1шт.

54

11389

PLATE

- guide, control cover

1шт.

55

45-414

RIVET,But Hd, 1/4" x 7/8"

- button head, guide plate to control cover (1/4" x 7/8")

2шт.

56

11391

GASKET

- control cover

1шт.

57

13-614

BOLT,Hex, 3/8" - 16 x 7/8", Gr 5, Full Thd

4шт.

58

92-6

LOCK WASHER,3/8"

4шт.

59

11396

ROD

- shift, first and reverse

1шт.

60

D28299

WASHER

- spacer, first and reverse shift fork

5шт.

61

11398

PIN

- lock, first and reverse shift rod (Short)

1шт.

62

11400

FORK TEDDER

FORK - shift, first and reverse

1шт.

63

11403

SPRING

- mesh lock, shift fork

2шт.

64

VT4913

X

BALL - mesh lock, shift fork (3/8" dia.)

2шт.

65

11397

ROD

- shift, second and third

1шт.

66

11399

PIN

- lock, second and third shift rod (Long)

1шт.

67

NLS

NO LONGER SERVICED

FORK - shift, second and third

1шт.

68

13-916

BOLT,Hex, 9/16" - 12 x 1", Gr 5

HHCS - 9/16 - 12 NC x 1

4шт.

69

11429

GASKET

- transmission cover plate

1шт.

70

D21185

PLATE

- cover, transmission

1шт.

71

13-720

BOLT,Hex, 7/16" - 14 x 1-1/4", Gr 5, Full Thd

11шт.

72

92-7

LOCK WASHER,7/16"

11шт.

73

32369

SEAL

- cork, final drive spacer to transmission case (Original equipment) See D27642 and D29309

2шт.

D27642

X

SEAL - "O" ring, final drive spacer to transmission case (Used with transmission case that has solid faced surface and spacer tube with "O" ring groove only) See 32369 and D29309

2шт.

D29309

GASKET

2шт.

GASKET - final drive spacer to transmission case (Used with transmission case that has recess in faced surface and spacer tube with "O" ring groove; also used with transmission that has solid faced surface and spacer tube without "O" ring groove) See 32369 and D27642

1шт.

74

NLS

NO LONGER SERVICED

SPACER - final drive, R.H. (Standard 48" gauge tractor) has plain faced surface on transmission side (Original equipment - when stock is exhausted, order D27640) See 32369, D27642 and D29309

1шт.

D27640

SPACER - final drive, R.H. (Standard 48" gauge tractor) has "O" ring groove around inside of faced surface on transmission side (Replacement) See 11966, 32369, D27642, and D29309

1шт.

32658

SPACER - final drive, R.H. (36" gauge tractor)

1шт.

11977

ACCUMULATOR

SPACER - final drive, R.H. (42" gauge tractor)

1шт.

11970

LARGE PLATE

SPACER - final drive, R.H. (60" gauge tractor)

1шт.

11974

O-RING

SPACER - final drive, R.H. (72" gauge tractor)

1шт.

75

NLS

NO LONGER SERVICED

SPACER - final drive, L.H. (Standard 48" gauge tractor) has plain faced surface on transmission side (Original equipment - when stock is exhausted, order D27639) See 32369, D27642, and D29309

1шт.

D27639

SPACER - final drive, L.H. (Standard 48" gauge tractor) has "O" ring groove around inside of faced surface on transmission side (Replacement) See 11967, 32369, D27642, and D29309

1шт.

32659

ROLLER

SPACER - final drive, L.H. (36" gauge tractor)

1шт.

11978

PULLER

SPACER - final drive, L.H. (42" gauge tractor)

1шт.

11971

O-RING

SPACER - final drive, L.H. (60" gauge tractor)

1шт.

11975

FITTING

SPACER - final drive, L.H. (72" gauge tractor)

1шт.

76

46505

STUD

- final drive spacer to transmission case (9/16" x 1")

12шт.

46509

STUD - final drive spacer to transmission case (5/8" x 2") 36" gauge tractor

12шт.

77

131-675

LOCK NUT,9/16"-18, GB

NUT - lock (9/16" - 18 NF)

12шт.

131-154

LOCK NUT,5/8"-18, GA

NUT - lock (5/8" - 18 NF) 36" gauge tractor

12шт.

78

14-1028

BOLT,Hex, 5/8" - 18 x 1-3/4", Gr 5

Final drive spacer to engine frame Hex, 5/8"-18 x 1 3/4", G5

8шт.

79

92-10

LOCK WASHER,5/8"

WASHER, LOCK, 5/8"

8шт.

80

25-1110

NUT,5/8"-18, G5

- hex. (5/8 - 18 NF)

8шт.

81

O8849AB

X

SEAL - "O" ring, final drive spacer outer flange

2шт.

Выбрано товаров: 105