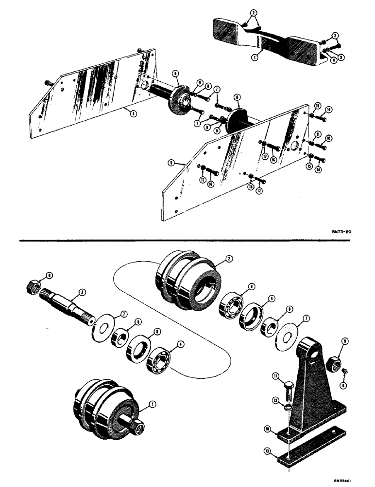
Запчасти Case 310C (060) - SIDE PLATE, PIVOT BAR, AND DRAWBAR GUIDE (04) - UNDERCARRIAGE

Схема запчастей Case 310C - (060) - SIDE PLATE, PIVOT BAR, AND DRAWBAR GUIDE (04) - UNDERCARRIAGE
FIT
1:1
100%

Артикул

Название

Примечание

Количество

1

13103

GUIDE - drawbar (48" gauge and wider tractors)

1шт.

32662

RICE TOOTH

GUIDE - drawbar (36" gauge tractor)

1шт.

32419

GUIDE - drawbar (42" gauge tractor)

1шт.

2

14-1032

BOLT,Hex, 5/8" - 18 x 2", Gr 5

4шт.

14-1232

BOLT,Hex, 3/4" - 16 x 2", Gr 5

HHCS - 3/4 - 16 NF x 2 (36" gauge tractor)

2шт.

3

92-10

LOCK WASHER,5/8"

WASHER, LOCK, 5/8"

4шт.

92-12

LOCK WASHER,3/4"

WASHER, LOCK, (36" gauge tractor) 3/4"

2шт.

4

25-1110

NUT,5/8"-18, G5

- hex. (5/8 - 18 NF)

4шт.

25-1112

NUT,3/4"-16, G5

- hex. (3/4 - 16 NF) (36" gauge tractor)

2шт.

5

33110

HYDRAULIC VALVE

PLATE - side (3 roller track - 42" gauge and wider tractors)

2шт.

32605

PLATE - side (3 roller track - 36" gauge tractor)

2шт.

All 36" gauge tractors have three-roller track frame.

1шт.

33111

PLATE - side (4 roller tract - 42" gauge and wider tractors)

2шт.

NLS

NO LONGER SERVICED

SPACER - rear (Not shown) (36" gauge tractor)

2шт.

32700

SPACER - front (Not shown) (36" gauge tractor)

2шт.

6

D27542

BAR - pivot

2шт.

7

14-1240

BOLT,Hex, 3/4" - 16 x 2-1/2", Gr 5

HHCS - 3/4 - 16 NF x 2-1/2

6шт.

8

92-12

LOCK WASHER,3/4"

WASHER, LOCK, 3/4"

6шт.

9

25-1112

NUT,3/4"-16, G5

- hex. (3/4 - 16 NF)

6шт.

10

14-1040

BOLT,Hex, 5/8" - 18 x 2-1/2", Gr 5

HHCS - 5/8 - 18 NF x 2-1/2

2шт.

11

231-46110

LOCK NUT,5/8"-18, GB

NUT - lock (5/8" - 18 NF)

2шт.

12

14-1244

BOLT,Hex, 3/4" - 16 x 2-3/4", Gr 5

HHCS - 3/4 - 16 NF x 2-3/4

2шт.

14-1032

BOLT,Hex, 5/8" - 18 x 2", Gr 5

(Side plate, 36" gauge tractor) Hex, 5/8"-18 x 2", G5

10шт.

13

231-46112

LOCK NUT,3/4"-16, GB

NUT - lock (3/4" - 16 NF)

2шт.

92-10

LOCK WASHER,5/8"

WASHER, LOCK, (36" gauge tractor) 5/8"

10шт.

25-1110

NUT,5/8"-18, G5

- hex. (5/8 - 18 NF) (36" gauge tractor)

10шт.

14

33046

BOLT - body (5/8" - 18 NF x 2-1/2")

4шт.

15

231-46110

LOCK NUT,5/8"-18, GB

NUT - lock (5/8" - 18 NF)

4шт.

16

33047

BOLT,Hex, 1" - 14 x 3 3/32"

- body (1" - 14 NF x 3-3/32")

4шт.

17

232-46116

LOCK NUT,1"-14, GC

NUT - lock (1" - 14 NF)

4шт.

1

37430

ROLLER

KIT - track carrier roller

2шт.

2

31163

ROLLER

HUB - track carrier roller

1шт.

D10793

X

KIT - service, track carrier roller

1шт.

3

30707

SHAFT

- track carrier roller

1шт.

4

VT2893

X

BEARING - ball, track carrier roller

2шт.

5

40633

PLATE

SEAL - oil, track carrier roller

2шт.

6

32051

SPACER

- bearing, track carrier roller

2шт.

7

30704

BEARING COVER

- bearing, track carrier roller

2шт.

8

219-1

LUBE NIPPLE,1/8" - 27 NPTF

FITTING - grease, straight (1/8" NPT), track carrier roller

1шт.

9

131-370

LOCK NUT

NUT - lock (1" - 14 NF), track carrier roller

2шт.

10

30718

BRACKET

- track carrier roller

2шт.

11

14-1036

BOLT,Hex, 5/8" - 18 x 2-1/4", Gr 5

Track carrier roller Hex, 5/8"-18 x 2 1/4", G5

4шт.

12

92-10

LOCK WASHER,5/8"

WASHER, LOCK, , Track carrier roller 5/8"

4шт.

13

D27036

SPACER - track carrier roller bracket (If used)

2шт.

Выбрано товаров: 44