Запчасти Case 310C (160) - C-12 WINCH CASE (05) - UPPERSTRUCTURE CHASSIS

Схема запчастей Case 310C - (160) - C-12 WINCH CASE (05) - UPPERSTRUCTURE CHASSIS
FIT
1:1
100%

Артикул

Название

Примечание

Количество

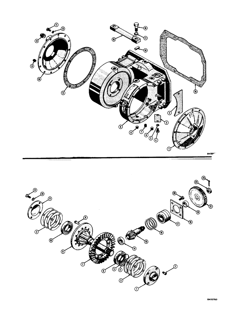
1

D26539

COVER - brake side

1шт.

2

D26540

COVER - brake adjustment

1шт.

3

D26542

COVER - brake hole

1шт.

4

14-614

SCREW,Hex, 3/8" - 24 x 7/8", Gr 5

HHCS - 3/8 - 24 NF x 7/8

14шт.

5

92-6

LOCK WASHER,3/8"

14шт.

6

D26541

SCREW - set, Nylock socket hd. (3/4 - 16 NF x 3/4)

3шт.

7

D26543

PLUG - pipe, magnetic (1/2 NPT ext. sq. hd.)

1шт.

8

D26544

CASE - winch

1шт.

9

D26546

GASKET - gear side cover

1шт.

10

D26547

COVER - gear side

1шт.

11

14-614

SCREW,Hex, 3/8" - 24 x 7/8", Gr 5

HHCS - 3/8 - 24 NF x 7/8

12шт.

12

92-6

LOCK WASHER,3/8"

12шт.

13

221-4

DRAIN PLUG,Sq Hd, 1/2"-14 NPTF

PLUG - pipe (1/2 NPT ext. sq. hd.)

1шт.

14

D26548

PLUG - breather

1шт.

15

D26549

GUARD - cable

1шт.

16

14-1228

BOLT,Hex, 3/4" - 16 x 1-3/4", Gr 5

HHCS - 3/4 - 16 NF x 1-3/4

2шт.

17

92-12

LOCK WASHER,3/4"

WASHER, LOCK, 3/4"

2шт.

18

38812

ARM

PIN - dowel (1/2" dia. x 1-1/4")

2шт.

19

38820

GASKET

GASKET - winch to adapter plate

1шт.

1

D26550

CARRIER - bearing, C-12 winch pinion and bevel gears

1шт.

2

62-816

SHCS - bearing carrier (1/2 - 20 NF x 1), C-12 winch pinion and bevel gears

4шт.

3

D26551

SHIM - bearing carrier, C-12 winch pinion and bevel gears

1шт.

4

D27711

SEAL - cork, C-12 winch pinion and bevel gears

1шт.

5

D27709

SEAL - rubber band, oil resistant, C-12 winch pinion and bevel gears

1шт.

6

38805

BEARING - ball, C-12 winch pinion and bevel gears

1шт.

7

D26552

GEAR - spiral bevel, C-12 winch pinion and gears

1шт.

8

D26553

HUB - spiral bevel gear, C-12 winch pinion and gears

1шт.

9

151-252

RIVET - pan hd. (1/2 x 1-3/8), C-12 winch pinion and bevel gears

12шт.

10

A20291

BALL BEARING,2.3616" ID x 4.3307" OD

BEARING - ball, C-12 winch pinion and bevel gears

1шт.

11

D26555

CAP - bearing, C-12 winch pinion and bevel gears

1шт.

12

14-820

BOLT,Hex, 1/2" - 20 x 1-1/4", Gr 5

HHCS - 1/2 - 20 NF x 1-1/4, C-12 winch pinion and bevel gears

4шт.

13

92-8

LOCK WASHER,1/2"

C-12 winch pinion and bevel gears 1/2"

4шт.

14

D26556

BEARING - roller, C-12 winch pinion and bevel gears

1шт.

15

D26557

PINION - spiral drive, C-12 winch pinion and bevel gears

1шт.

16

D26558

SHIM - bearing retainer, C-12 winch pinion and bevel gears

1шт.

17

D26559

BEARING - spiral drive pinion, C-12 winch and bevel gears

1шт.

18

D26560

RETAINER - bearing, C-12 winch pinion and bevel gears

1шт.

19

D26561

SPACER - gear, C-12 winch pinion and bevel

1шт.

20

46947

HHCS - drilled hd. (1/2 - 20 NF x 1), C-12 winch pinion and bevel gears

4шт.

38811

LOCK WIRE - 16 gauge x 18" (Not shown), C-12 winch pinion and bevel gears

1шт.

21

38829

GEAR - driven, C-12 winch pinion and bevel

1шт.

22

D26563

NUT - Timken, C-12 winch pinion and bevel gears

1шт.

23

132-56

COTTER PIN,Ext Prong Sq Cut, 1/8" x 2"

Pin, Split (Cotter), , C-12 Winch pinion and bevel gears 1/8" x 2"

1шт.

Выбрано товаров: 43