Запчасти Case 310C (166) - C-12 WINCH ADAPTER (05) - UPPERSTRUCTURE CHASSIS

Схема запчастей Case 310C - (166) - C-12 WINCH ADAPTER (05) - UPPERSTRUCTURE CHASSIS
FIT
1:1
100%

Артикул

Название

Примечание

Количество

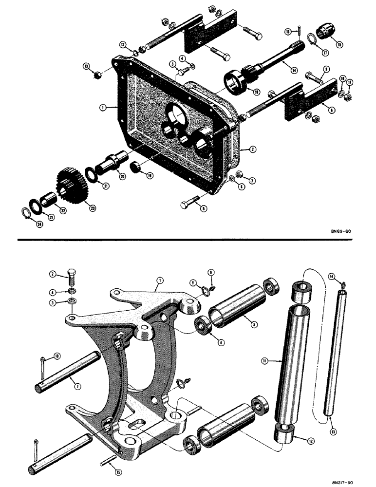
1

D26531

ADAPTER -, Serial Range: winch-transmission

1шт.

2

11429

GASKET

-, Serial Range: transmission-adapter

1шт.

3

13-724

BOLT,Hex, 7/16" - 14 x 1-1/2", Gr 5

Hex, 7/16"-14 x 1 1/2, G5, Adapter to transmission

11шт.

4

92-7

LOCK WASHER,7/16"

11шт.

5

14-836

BOLT,Hex, 1/2" - 20 x 2-1/4", Gr 5

HHCS - winch to adapter (1/2 - 20 NF x 2-1/4)

8шт.

6

92-8

LOCK WASHER,1/2"

8шт.

7

25-118

NUT,1/2"-20, G5

- hex. (1/2 - 20 NF)

8шт.

8

D26537

ANCHOR - adapter

2шт.

9

14-1036

BOLT,Hex, 5/8" - 18 x 2-1/4", Gr 5

4шт.

10

92-10

LOCK WASHER,5/8"

WASHER, LOCK, 5/8"

4шт.

11

25-1110

NUT,5/8"-18, G5

- hex. (5/8 - 18 NF)

4шт.

12

92-12

LOCK WASHER,3/4"

WASHER, LOCK, 3/4"

2шт.

13

25-1112

NUT,3/4"-16, G5

- hex. (3/4 - 16 NF)

4шт.

14

D26532

SHAFT - power take-off

1шт.

15

38827

COUPLING - power take-off shaft

1шт.

16

38828

RIVET - ctsk. hd. (3/16 x 1-5/8)

1шт.

17

A7409

SNAP RING,#137, Ext

Ring, Snap, , shaft #137, Ext

1шт.

18

38838

BEARING - ball

1шт.

19

D26536

X

PLUG - expansion, cup type (1-3/8" dia.)

1шт.

20

D26533

X

SHAFT - idler

1шт.

21

38835

SPACER - gear

2шт.

22

D26535

BUSHING - idler gear

1шт.

23

39244

GEAR - idler

1шт.

24

D26534

RING - retaining, idler gear

1шт.

1

D26626

FRAME - roller, C-12 winch fairlead

1шт.

2

14-1224

BOLT,Hex, 3/4" - 16 x 1-1/2", Gr 5

HHCS - 3/4 - 16 NF x 1-1/2, C-12 winch fairlead

4шт.

3

95-12

WASHER,3/4"

- plain (3/4), C-12 winch fairlead

4шт.

4

92-12

LOCK WASHER,3/4"

WASHER, LOCK, , C-12 winch fairlead 3/4"

4шт.

5

D26630

ROLLER - horizontal (1 - used with 3 roller failead; 2 - used with 4 roller fairlead)

1-2шт.

6

D26631

BUSHING - horizontal roller, C-12 winch fairlead

4шт.

7

D26632

SHAFT - horizontal roller, C-12 winch fairlead

2шт.

8

219-1

LUBE NIPPLE,1/8" - 27 NPTF

FITTING - straight grease, 1/8 NPT (Lincoln #5000), C-12 winch fairlead

2шт.

9

O179BF

SNAP RING - horizontal roller shaft, C-12 winch fairlead

2шт.

10

132-204

SPLIT PIN/SAFETY PIN

PIN - cotter, horizontal roller shaft (3/8 x 3), C-12 winch fairlead

2шт.

11

D26627

ROLLER - vertical, C-12 winch fairlead

2шт.

12

D26628

BUSHING - vertical roller, C-12 winch fairlead

4шт.

13

D26629

SHAFT - vertical roller, C-12 winch fairlead

2шт.

14

219-1

LUBE NIPPLE,1/8" - 27 NPTF

FITTING - straight grease, 1/8 NPT (Lincoln #5000), C-12 winch fairlead

2шт.

15

138-182

LOCK PIN,3/8" x 3", Slotted

PIN, , Vertical roller shaft, C-12 winch fairlead 3/8" x 3", Slotted

2шт.

Выбрано товаров: 39