Запчасти Case 310D (152) - HYDRAULIC ANGLING DOZER HYDRAULICS, LIFT CYLINDER HYDRAULICS (07) - HYDRAULIC SYSTEM

Схема запчастей Case 310D - (152) - HYDRAULIC ANGLING DOZER HYDRAULICS, LIFT CYLINDER HYDRAULICS (07) - HYDRAULIC SYSTEM
FIT
1:1
100%

Артикул

Название

Примечание

Количество

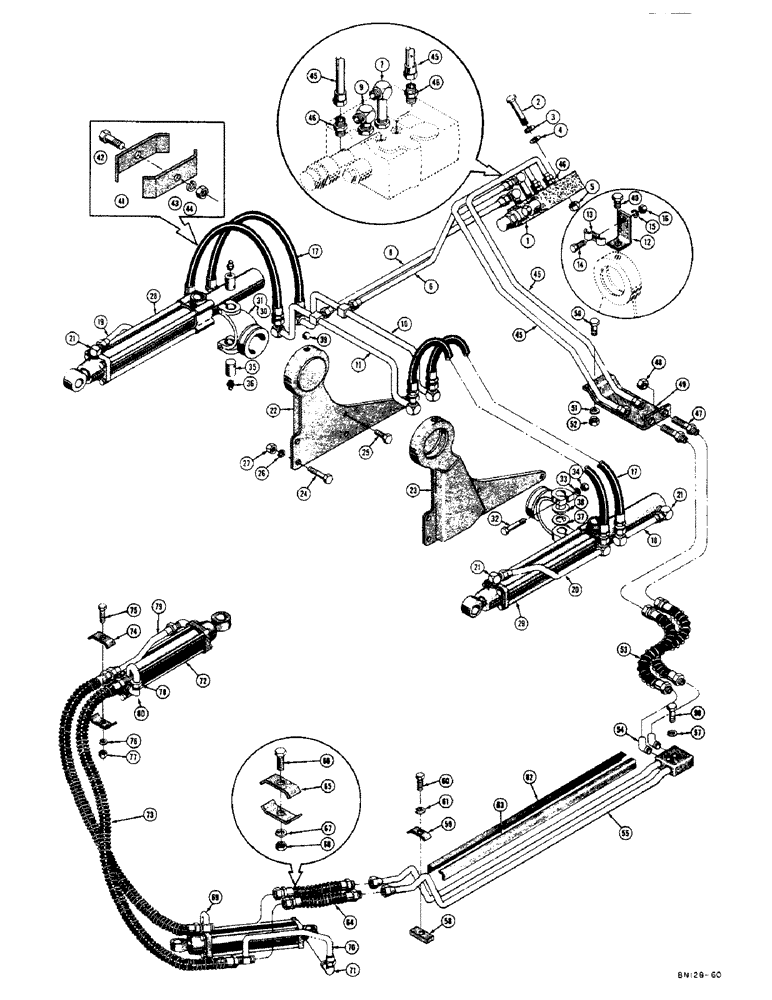
1

D25451

VALVE - control (See Figure 086 for breakdown)

1шт.

2

13-664

BOLT,Hex, 3/8" - 16 x 4", Gr 5

3шт.

3

92-6

LOCK WASHER,3/8"

3шт.

4

95-6

WASHER,3/8"

- plain (3/8)

3шт.

5

25-106

NUT,3/8"-16, G5

- hex. (3/8 - 16 NC)

3шт.

6

D25673

TUBE - control valve right rear port to rear manifold tube

1шт.

7

D25698

X

ELBOW - adjustable 90 degree male, extra long (5/8 JIC)

1шт.

237-6010

O-RING,0.097" Thk x 0.755" ID, -910, Cl 6, 90 Duro

"O" RING - seal (Not shown)

1шт.

8

D25675

TUBE - control valve right front port to front manifold tube

1шт.

9

218-5107

90 ELBOW,90 Degree Elbow, 7/8" - 14 Male JIC x 7/8" - 14 Male ORB

- adjustable 90 degree male (5/8 JIC)

1шт.

237-6010

O-RING,0.097" Thk x 0.755" ID, -910, Cl 6, 90 Duro

"O" RING - seal (Not shown)

1шт.

10

D25591

TUBE - manifold, rear (Used up to serial #4038684)

1шт.

D26793

TUBE - manifold, rear (Serial #4038684 and after)

1шт.

11

D25576

TUBE - manifold, front (Used up to serial #4038684)

1шт.

D26794

TUBE - manifold, front (Serial #4038684 and after)

1шт.

12

D25738

BRACKET - tube clamp (Mounted to outer race trunnion plug)

2шт.

13

17179

CLAMP - tube

2шт.

14

13-512

BOLT,Hex, 5/16" - 18 x 3/4", Gr 5

2шт.

15

92-5

LOCK WASHER,5/16"

2шт.

16

9635082

NUT,5/16" - 18, Gr 5

- hex. (5/16 - 18 NC)

2шт.

17

D25670

FLEXIBLE HOSE

HOSE - manifold tube to lift cylinder (1/2" I.D. x 7/8" O.D. x 26") Used up to serial #4038684

4шт.

D26792

HOSE - manifold tube to lift cylinder (1/2" I.D. x 7/8" O.D. x 26") Serial #4038684 and after

4шт.

18

D25574

TUBE - hose to rear lift cylinder port

2шт.

19

D25570

TUBE

- hose to R.H. lift cylinder front port

1шт.

20

D25572

TUBE - hose to L.H. lift cylinder rear port

1шт.

21

218-485

ELBOW,90 Degree Elbow, 7/8" - 14 Male JIC x 1/2" - 14 Male NPTF

- 90 degree male (1/2 NPT x 5/8 JIC)

4шт.

22

D24502

BRACKET - cylinder, R.H.

1шт.

23

D24501

BRACKET - cylinder, L.H.

1шт.

24

13-1036

BOLT,Hex, 5/8" - 11 x 2-1/4", Gr 5

2шт.

25

13-1024

BOLT,Hex, 5/8" - 11 x 1-1/2", Gr 5, Full Thd

8шт.

26

92-10

LOCK WASHER,5/8"

WASHER, LOCK, 5/8"

10шт.

27

25-1010

NUT,5/8"-11, G5

10шт.

28

D25937

CYLINDER - hydraulic, dozer lift (R.H.) See Figure 142 for breakdown

1шт.

29

D25936

CYLINDER - hydraulic, dozer lift (L.H.) See Figure 142 for breakdown

1шт.

30

D24497

TRUNNION

- inner race

2шт.

31

219-1

LUBE NIPPLE,1/8" - 27 NPTF

FITTING - straight grease, 1/8 NPT (Lincoln #5000)

2шт.

32

13-648

BOLT,Hex, 3/8" - 16 x 3", Gr 5

HHCS - 3/8 - 16 NC x 3

4шт.

33

92-6

LOCK WASHER,3/8"

4шт.

34

25-106

NUT,3/8"-16, G5

- hex. (3/8 - 16 NC)

4шт.

35

D24508

PIN,31.74mm OD x 50.8mm L

- mounting, Serial Range: cylinder-trunnion

4шт.

36

219-1

LUBE NIPPLE,1/8" - 27 NPTF

FITTING - straight grease, 1/8 NPT (Lincoln #5000)

4шт.

37

D24516

WASHER

- thrust, bottom (1-9/32" I.D. x 2-1/4" O.D. x 3/16" thick)

2шт.

38

32625

WASHER - thrust, top (1-9/32" I.D. x 2-1/2" O.D. x 11/64" thick)

2шт.

39

VT3268

BALL - steel (3/4" dia.)

38шт.

40

D24506

PLUG

- special, outer race trunnion (5/8 JIC)

2шт.

41

31665

COLLAR CLAMP

PLATE - clamp

4шт.

42

13-528

BOLT,Hex, 5/16" - 18 x 1-3/4", Gr 5

HHCS - 5/16 - 18 NC x 1-3/4

2шт.

43

92-5

LOCK WASHER,5/16"

2шт.

44

9635082

NUT,5/16" - 18, Gr 5

- hex. (5/16 - 18 NC)

2шт.

45

D25755

TUBE - left control valve ports to bulkhead unions , ANGLING CYLINDER HYDRAULICS

2шт.

46

218-5060

HYD CONNECTOR,3/4" - 16 Male JIC x 7/8" - 14 Male ORB

male (1/2 JIC x 5/8 JIC) , Angling cylinder hydraulics 3/4"-16, 37º x 7/8"-14, O-Ring

2шт.

237-6010

O-RING,0.097" Thk x 0.755" ID, -910, Cl 6, 90 Duro

"O" RING - seal (Not shown) , ANGLING CYLINDER HYDRAULICS

1шт.

47

50883

UNION - special bulkhead , ANGLING CYLINDER HYDRAULICS

2шт.

48

25-1112

NUT,3/4"-16, G5

- hex. (3/4 - 16 NF) , ANGLING CYLINDER HYDRAULICS

2шт.

49

39046

GUARD - tubing , ANGLING CYLINDER HYDRAULICS

1шт.

50

13-820

BOLT,Hex, 1/2" - 13 x 1-1/4", Gr 5, Full Thd

Angling cylinder hydraulics Hex, 1/2"-13 x 1 1/4", G5, Full Thd

1шт.

51

92-8

LOCK WASHER,1/2"

angling cylinder hydraulics 1/2"

1шт.

52

25-108

NUT,1/2"-13, G5

- hex. (1/2 - 13 NC) , ANGLING CYLINDER HYDRAULICS

1шт.

53

D20176

HOSE - bulkhead union to junction block (1/2" I.D. x 7/8" O.D. x 15-3/4") , ANGLING CYLINDER HYDRAULICS

2шт.

54

D23906

ELBOW

- 45 degree street (3/8 NPT) , ANGLING CYLINDER HYDRAULICS

2шт.

55

39612

X

JUNCTION BLOCK AND TUBE ASS'Y - original equipment - use D28039 and 221-2 , ANGLING CYLINDER HYDRAULICS

1шт.

When replacing junction block and tube assembly, also order (1) 221-2 pipe plug.

1шт.

D28039

BLOCK

JUNCTION BLOCK AND TUBE ASS'Y - replacement - see 39612 , ANGLING CYLINDER HYDRAULICS

1шт.

When replacing junction block and tube assembly, also order (1) 221-2 pipe plug.

1шт.

221-2

DRAIN PLUG,Sq Hd, 1/4"-18 NPTF

PLUG - pipe (1/4 NPT sq. hd.) See 39612 (Not shown) , ANGLING CYLINDER HYDRAULICS

1шт.

56

14-828

BOLT,Hex, 1/2" - 20 x 1-3/4", Gr 5

HHCS - 1/2 - 20 NF x 1-3/4 , ANGLING CYLINDER HYDRAULICS

2шт.

57

92-8

LOCK WASHER,1/2"

angling cylinder hydraulics 1/2"

2шт.

58

39607

SPACER - tube clamp , ANGLING CYLINDER HYDRAULICS

1шт.

59

D20369

CLAMP

PLATE - tube clamp , ANGLING CYLINDER HYDRAULICS

1шт.

60

14-836

BOLT,Hex, 1/2" - 20 x 2-1/4", Gr 5

HHCS - 1/2 - 20 NF x 2-1/4 , ANGLING CYLINDER HYDRAULICS

1шт.

61

92-8

LOCK WASHER,1/2"

angling cylinder hydraulics 1/2"

1шт.

62

39610

GUARD - tubing, inside (Tack welded over inside tube of juction block and tube ass'y) , ANGLING CYLINDER HYDRAULICS

1шт.

63

39611

FINGER

GUARD - tubing, outside (Tack welded over outside tube of junction block and tube ass'y) , ANGLING CYLINDER HYDRAULICS

1шт.

64

38614

CLIP

HOSE - junction block and tube ass'y to L.H. angling cylinder (1/2" I.D. x 7/8" O.D. x 12-5/8") , ANGLING CYLINDER HYDRAULICS

2шт.

65

31665

COLLAR CLAMP

PLATE - clamp , ANGLING CYLINDER HYDRAULICS

2шт.

66

14-528

BOLT,Hex, 5/16" - 24 x 1-3/4", Gr 5

Angling cylinder hydraulics Hex, 5/16"-24 x 1 3/4", G5

1шт.

67

92-5

LOCK WASHER,5/16"

angling cylincer hydraulics 5/16"

1шт.

68

25-115

NUT,5/16"-24, G5

- hex (5/16"-24 NF) , ANGLING CYLINDER HYDRAULICS

1шт.

69

38326

BUSHING,1.875, 1.125" Length

TUBE - hose to L.H. angling cylinder, front port , HYDRAULICS

1шт.

70

38324

TUBE - hose to L.H. angling cylinder, rear port , HYDRAULICS

1шт.

71

218-493

ELBOW,90 Degree Elbow, 3/4" - 16 Male JIC x 1/2" - 14 Male NPTF

- 90 degree male (1/2 NPT x 1/2 JIC) , ANGLING CYLINDER HYDRAULICS

2шт.

72

37932

CYLINDER - angling, hydraulic (See Figure 156 for breakdown)

2шт.

73

39637

LINE

HOSE - L.H. angling cylinder to R.H. angling cylinder (1/2" I.D. x 7/8" O.D. x 45") , HYDRAULICS

2шт.

74

31665

COLLAR CLAMP

PLATE - clamp , ANGLING CYLINDER HYDRAULICS

4шт.

75

14-528

BOLT,Hex, 5/16" - 24 x 1-3/4", Gr 5

Angling cylinder hydraulics Hex, 5/16"-24 x 1 3/4", G5

2шт.

76

92-5

LOCK WASHER,5/16"

angling cylincer hydraulics 5/16"

2шт.

77

25-115

NUT,5/16"-24, G5

- hex (5/16"-24 NF) , ANGLING CYLINDER HYDRAULICS

2шт.

78

38328

TUBE - hose to R.H. angling cylinder front port , HYDRAULICS

1шт.

79

38322

TUBE - hose to R.H. angling cylinder rear port , HYDRAULICS

1шт.

80

218-493

ELBOW,90 Degree Elbow, 3/4" - 16 Male JIC x 1/2" - 14 Male NPTF

- 90 degree male (1/2 NPT x 1/2 JIC) , ANGLING CYLINDER HYDRAULICS

2шт.

Выбрано товаров: 90