Запчасти Case 310E (092) - MECHANICAL DOZER HYDRAULICS (07) - HYDRAULIC SYSTEM

Схема запчастей Case 310E - (092) - MECHANICAL DOZER HYDRAULICS (07) - HYDRAULIC SYSTEM
22
17
1
14
10
7
6
18
13
17
16
20
23
8
2
31
30
28
19
5
25
26
3
11
23
27
9
22
24b
24
31
24c
4
12
15
29
21
FIT
1:1
100%

Артикул

Название

Примечание

Количество

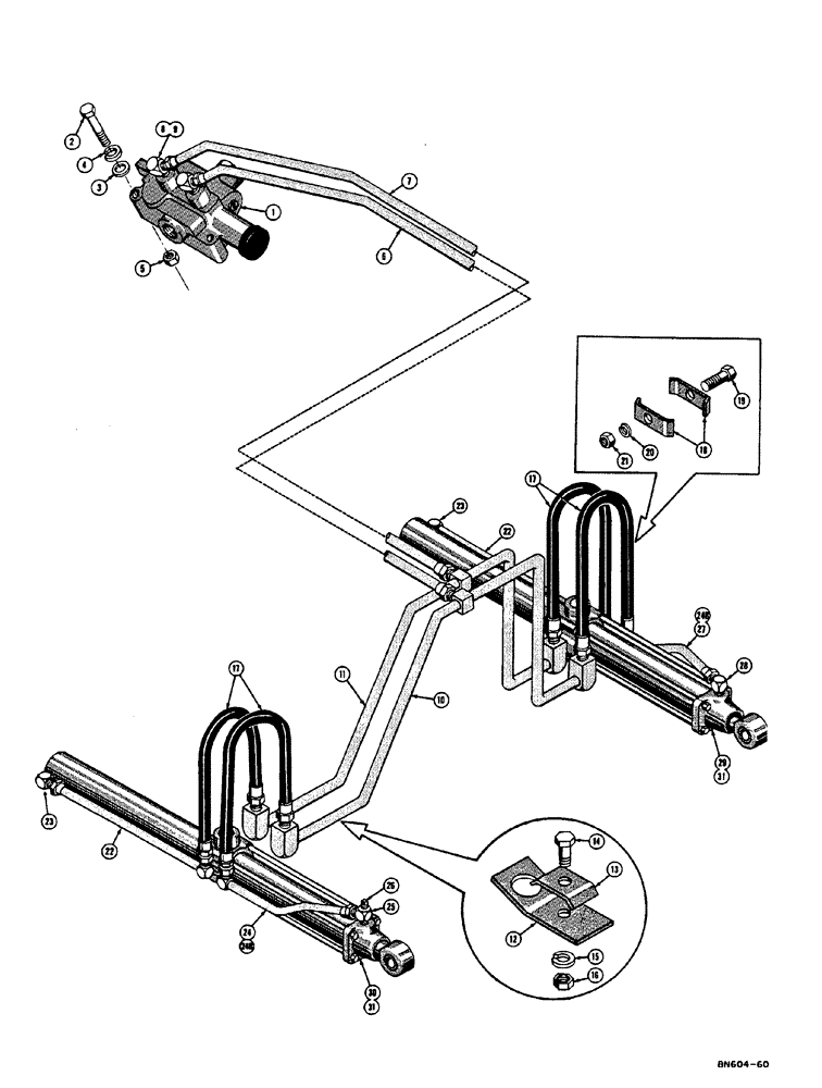
1

D27049

VALVE - control (See figure 73 for breakdown)

1шт.

2

13-636

BOLT,Hex, 3/8" - 16 x 2-1/4", Gr 5

3шт.

3

95-6

WASHER,3/8"

- standard wrot (7/16" ID x 1" O.D. x 5/64" thick)

3шт.

4

92-6

LOCK WASHER,3/8"

med. sec. 3/8"

3шт.

5

25-106

NUT,3/8"-16, G5

- hex (3/8" - 16 NC)

3шт.

6

D26741

TUBE - front control valve port to front manifold tube

1шт.

7

D26743

TUBE - rear control valve port to rear manifold tube

1шт.

8

218-5107

90 ELBOW,90 Degree Elbow, 7/8" - 14 Male JIC x 7/8" - 14 Male ORB

- male 90° (5/8" JIC x 5/8" JIC), Incl. Ref. 9

2шт.

9

218-5007

O-RING,0.097" Thk x 0.755" ID, -910, Cl 6, 90 Duro

SEAL - 218-5107 elbow

1шт.

10

D26745

TUBE - manifold, front

1шт.

11

D26748

TUBE - manifold rear

1шт.

12

D26751

BRACKET - tube

2шт.

13

38843

PLATE - clamp when stock is exhausted, order 38331

2шт.

38331

PLATE

- clamp

2шт.

14

13-528

BOLT,Hex, 5/16" - 18 x 1-3/4", Gr 5

HHCS - 5/16" - 18 NC x 1-3/4"

2шт.

15

92-5

LOCK WASHER,5/16"

med sect. 5/16"

2шт.

16

9635082

NUT,5/16" - 18, Gr 5

- hex (5/16" - 18 NC)

2шт.

17

D26792

HOSE- manifold tube to cylinder (1/2" I.D. x 7/8" O.D. x 26")

4шт.

18

31665

COLLAR CLAMP

PLATE

4шт.

19

13-528

BOLT,Hex, 5/16" - 18 x 1-3/4", Gr 5

HHCS - 5/16" - 18 NC x 1-3/4"

2шт.

20

92-5

LOCK WASHER,5/16"

med sect. 5/16"

2шт.

21

9635082

NUT,5/16" - 18, Gr 5

- hex (5/16" - 18 NC)

2шт.

22

D25574

TUBE - hose to rear lift cylinder port (Cylinder with tie rods only) see D27785

2шт.

22

D27785

TUBE - hose to rear lift cylinder port (Cylinder without tie rods only) see D25574

2шт.

23

218-485

ELBOW,90 Degree Elbow, 7/8" - 14 Male JIC x 1/2" - 14 Male NPTF

- male 90° (Cylinder with tie rods only) (1/2" NPT x 5/8" JIC) see 218-5107

2шт.

23

218-5107

90 ELBOW,90 Degree Elbow, 7/8" - 14 Male JIC x 7/8" - 14 Male ORB

- male, 90° (Cylinder without tie rods only) (5/8" JIC x 5/8" JIC) see 218-485

2шт.

218-5007

O-RING,0.097" Thk x 0.755" ID, -910, Cl 6, 90 Duro

SEAL - 218-5107 elbow (Not shown)

1шт.

24

D25570

TUBE

- hose to front R.H. lift cylinder port (cylinder with tie rods only) see D27783

1шт.

24b

D27783

TUBE - hose to front lift cylinder port (Cylinder without tie rods only) see D25570 and D25572

2шт.

25

33888

ELBOW - special R.H. front lift cylinder port (Cylinder with tie rods only) (1/2" NPT male x 5/8" JIC male x 1/8" NPT female) see D27782

1шт.

25

D27782

X

ELBOW - special R.H. front lift cylinder port (Cylinder without tie rods only) (5/8" JIC male x 5/8" JIC male x 1/4" NPT female) see 33888

1шт.

218-5007

O-RING,0.097" Thk x 0.755" ID, -910, Cl 6, 90 Duro

SEAL - D27782 elbow (Not shown)

1шт.

26

221-1

DRAIN PLUG,Sq Hd, 1/8"-27 NPTF

PLUG - pipe, 1/8" NPT square head (33888 elbow)

1шт.

26

221-2

DRAIN PLUG,Sq Hd, 1/4"-18 NPTF

PLUG - pipe, 1/4" NPT square head (D27782 elbow)

1шт.

27

D25572

TUBE - hose to front L.H. lift cylinder port (Cylinder with tie rods only) see D27783

1шт.

28

218-485

ELBOW,90 Degree Elbow, 7/8" - 14 Male JIC x 1/2" - 14 Male NPTF

- male 90° (Front port of L.H. lift cylinder) cylinder with tie rods only (1/2" NPT x 5/8" JIC) see 218-5107

1шт.

28

218-5107

90 ELBOW,90 Degree Elbow, 7/8" - 14 Male JIC x 7/8" - 14 Male ORB

- male 90° (Front port of L.H. lift cylinder) cylinder without tie rods only (5/8" JIC x 5/8" JIC) see 218-485

1шт.

218-5007

O-RING,0.097" Thk x 0.755" ID, -910, Cl 6, 90 Duro

SEAL - 218-5107 elbow (Not shown)

1шт.

29

D25936

CYLINDER - Dozer lift hydraulic (LH.) with tie rods (See figure 93 for breakdown) when stock is exhausted order D27826 cylinder D27785 tube D27783 tube and 218-5107 elbow

1шт.

30

D25937

CYLINDER - Dozer lift hydraulic (R.H.) with tie rods (See figure 93 for breakdown) when stock is exhausted order D27826 cylinder D27785 tube D27783 tube 218-5107 elbow D27782 elbow and 221-2 pipe plug

1шт.

31

D27826

CYLINDER - Dozer lift hydraulic (Without tie rods) (See figure 93 for breakdown) (See D25936 and D25937)

2шт.

Выбрано товаров: 41