Запчасти Case 310E (023) - TIMING GEAR COVER AND FUEL INJECTION PUMP DRIVE - DIESEL (01) - ENGINE

Схема запчастей Case 310E - (023) - TIMING GEAR COVER AND FUEL INJECTION PUMP DRIVE - DIESEL (01) - ENGINE
11
38
20
26
23a
17
21
6
41
23
18
32
10a
4
30
36
24
19
15
23
8
27
33
13
12
25
2
37
22
16
5
14
10
29
7
35
10a
34
3
9
31
1
28
40
39
23b
FIT
1:1
100%

Артикул

Название

Примечание

Количество

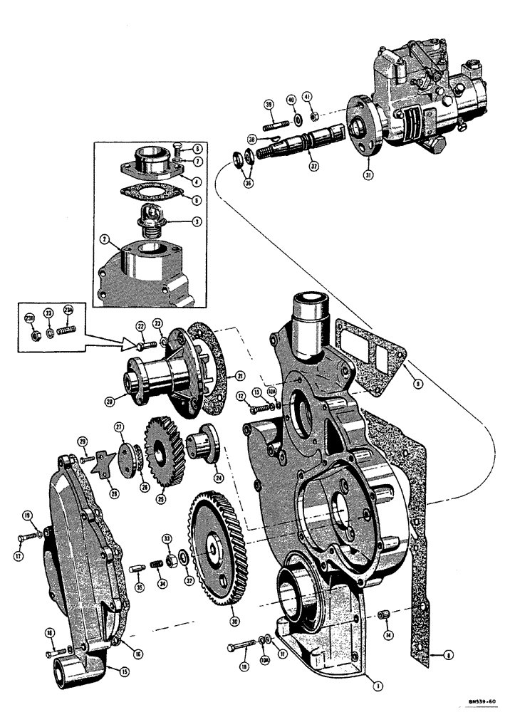
1

G2074

SPARE PART COVER - timing gear Original equipment on engines up to engine serial #2000157 (Use G37089)

1шт.

G37089

SPARE PART TIMING GEAR COVER THERMOSTAT AND WATER OUTLET ASS Y - Original equipment on engine serial #2000157 and after (See G2074), Includes: Ref. 2 - 7

1шт.

2

G2143

SPARE PART COVER - timing gear (See G2074)

1шт.

VT3373

SPARE PART SEAL - oil crankshaft (Front) not shown (See figure 20)

1шт.

VT3380

SPARE PART SEAL - dust fan pulley (Not shown) see figure 20

1шт.

G11204

STUD

STUD - injection pump to timing gear cover (3/8" x 1-7/16") see Ref. 39

3шт.

3

G45788

SPARE PART THERMOSTAT

1шт.

Used with G37089 timing gear cover, thermostat and water outlet assembly only; for the part number of the thermostat used with G2074 timing gear cover, refer to Fig. 22

1шт.

4

G2144

FITTING

OUTLET - water

1шт.

5

G46907

GASKET

GASKET - water outlet

1шт.

6

13-616

BOLT,Hex, 3/8" - 16 x 1", Gr 5, Full Thd

BOLT, Hex, 3/8"-16 x 1", G5, Full Thd

2шт.

7

92-6

LOCK WASHER,3/8"

LOCK WASHER, , med. sec. 3/8"

2шт.

8

G46857

GASKET

GASKET - timing gear, Serial Range: cover-block

1шт.

9

G46858

GASKET

GASKET - timing gear, Serial Range: cover-head

1шт.

10

13-614

BOLT,Hex, 3/8" - 16 x 7/8", Gr 5, Full Thd

BOLT, Hex, 3/8"-16 x 7/8", G5, Full Thd

2шт.

13-620

BOLT,Hex, 3/8" - 16 x 1-1/4", Gr 5, Full Thd

BOLT, Hex, 3/8"-16 x 1 1/4", G5, Full Thd

3шт.

13-624

BOLT,Hex, 3/8" - 16 x 1-1/2", Gr 5

HHCS - 3/8" - 16 NC x 1-1/2""

1шт.

13-632

BOLT,Hex, 3/8" - 16 x 2", Gr 5

BOLT, Hex, 3/8"-16 x 2", G5

1шт.

195-22

WASHER

WASHER - plain (3/8" I.D. x 3/4" O.D. x 5/64" thick)

2шт.

13-644

BOLT,Hex, 3/8" - 16 x 2-3/4", Gr 5

HHCS - 3/8" - 16 NC x 2-3/4" (2 - used with G2074 cover 3 - used with G2143 cover)

2-3шт.

10a

92-6

LOCK WASHER,3/8"

LOCK WASHER, , med. sec. 3/8"

10шт.

11

195-25

WASHER,3/8"

WASHER - plain (13/32" I.D. x 13/16" O.D. x 5/64" thick) 13-614 capscrew

2шт.

12

G49083

BOLT

BOLT - drilled tuning gear, Serial Range: cover-head

1шт.

13

193-77

LOCK WASHER,Int Tooth, 1/2"

WASHER, LOCK, Int Tooth, 1/2"

1шт.

14

VT4535

X

RING - dowel, Serial Range: cover-block

2шт.

15

G2077

COVER ASSY

COVER - pump drive

1шт.

16

G46859

GASKET

GASKET - pump drive cover to gear cover

1шт.

17

13-616

BOLT,Hex, 3/8" - 16 x 1", Gr 5, Full Thd

BOLT, Hex, 3/8"-16 x 1", G5, Full Thd

8шт.

18

13-632

BOLT,Hex, 3/8" - 16 x 2", Gr 5

BOLT, Hex, 3/8"-16 x 2", G5

1шт.

19

92-6

LOCK WASHER,3/8"

LOCK WASHER, , med. sec. 3/8"

9шт.

20

G11939

PUMP

PUMP - water (See figure 24 for breakdown)

1шт.

20

A146584GV

WATER PUMP

Value, Water Pump Assy.

1шт.

20

A146584R

REMAN-WATER PUMP

Reman For New P/N G11939, Pump

1шт.

20

A146584C

CORE-WATER PUMP

Return Part Number

1шт.

20

A48363

REMAN-WATER PUMP

Remanufactured WATER PUMP

1шт.

20

A48323

CORE-WATER PUMP

Return Number, WATER PUMP

1шт.

21

G46875

GASKET

GASKET - water pump to timing gear cover

1шт.

22

13-612

BOLT,Hex, 3/8" - 16 x 3/4", Gr 5, Full Thd

BOLT, (Used up to engine S/N 2002827) use VT4512 and 25-106 Hex, 3/8"-16 x 3/4", G5, Full Thd

3шт.

23

92-6

LOCK WASHER,3/8"

LOCK WASHER, , med. sec. 3/8"

3шт.

23a

VT4512

X

STUD - water pump to timing gear cover (3/8" - 16 NC x 1-1/4") used on engine serial #2002827 and after (See 13-612)

3шт.

23b

25-106

NUT,3/8"-16, G5

NUT - hex (3/8" - 16 NC) used on engine serial #2002827 and after

3шт.

24

G11726

HUB

HUB - idler gear injection pump

1шт.

25

G11852

GEAR

GEAR - idler injection pump

1шт.

26

G11728

SHIM,.005" Thk

SHIM, , Idler gear .005" Thk

1шт.

G11729

SHIM,.006" Thk

SHIM, , Idler gear .006" Thk

1шт.

G11730

SHIM,.007" Thk

SHIM, , Idler gear .007" Thk

1шт.

G11731

SHIM,.009" Thk

SHIM, , Idler gear .009" Thk

1шт.

27

G11732

PLATE

PLATE - thrust idler gear

1шт.

28

G11746

PLATE

PLATE - lock idler gear

1шт.

29

13-632

BOLT,Hex, 3/8" - 16 x 2", Gr 5

BOLT, Hex, 3/8"-16 x 2", G5

2шт.

30

G2076

GEAR

GEAR - injection pump drive

1шт.

31

G37055

SPARE PART PUMP - fuel injection (See figure 28 for breakdown), Includes: Ref. 32 - 38

1шт.

32

G49081

WASHER

WASHER - pump drive shaft nut

1шт.

33

25-159

JAM NUT,Jam, 9/16"-18, G5

NUT - hex jam (9/16" - 18 NF)

1шт.

34

G48502

SPRING

SPRING - thrust pump drive shaft

1шт.

35

G47128

PLUNGER

PLUNGER - thrust pump drive shaft

1шт.

36

G46862

X

SEAL - pump drive shaft (Use R14711)

2шт.

R14711

SEAL

SEAL - pump drive shaft (See G46862)

2шт.

37

G47113

SHAFT

SHAFT - pump drive

1шт.

38

126-12

WOODRUFF KEY,#6, 5/32" x 5/8"

WOODRUFF KEY, #6, 5/32" x 5/8"

1шт.

39

G11204

STUD

STUD - injection pump to timing gear cover (3/8" x 1-7/16")

3шт.

40

VT3695

X

WASHER - clipped pump mounting stud

3шт.

41

25-106

NUT,3/8"-16, G5

NUT - hex (3/8" - 16 NC)

3шт.

Выбрано товаров: 63