Запчасти Case 310E (043) - CLUTCH HOUSING (03) - TRANSMISSION

Схема запчастей Case 310E - (043) - CLUTCH HOUSING (03) - TRANSMISSION
7
10
3
37
39
33
40
31
24
27
23
35
9
25
30
22
11
16
38
34
12
15
21
43
18
5
36
20
6
42
28
4
8
2
5
41
17
13
26
1
29
32
19
14
4
FIT
1:1
100%

Артикул

Название

Примечание

Количество

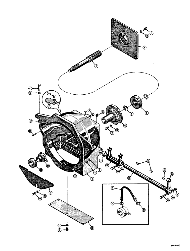
1

G11905

HOUSING - clutch, Includes: Ref. 2

1шт.

2

G49666

BUSHING

- clutch cross shaft

2шт.

3

VT3507

BOLT - body clutch, Serial Range: housing-block

2шт.

4

92-10

LOCK WASHER,5/8"

WASHER, LOCK, 5/8"

4шт.

5

25-1110

NUT,5/8"-18, G5

- hex (5/8" - 18 NF)

4шт.

6

G1364

PLATE - back clutch housing

1шт.

7

G11354

SHAFT - drive clutch

1шт.

8

O3354AB

BEARING - clutch drive shaft

1шт.

9

O6384AB

RING snap - bearing

2шт.

10

G1365

SPINDLE

- clutch throwout carrier

1шт.

11

13-614

BOLT,Hex, 3/8" - 16 x 7/8", Gr 5, Full Thd

4шт.

12

92-6

LOCK WASHER,3/8"

med. sec. 3/8"

4шт.

13

13-616

BOLT,Hex, 3/8" - 16 x 1", Gr 5, Full Thd

Back plate to clutch housing Hex, 3/8"-16 x 1", G5, Full Thd

7шт.

14

92-6

LOCK WASHER,3/8"

med. sec. 3/8"

7шт.

15

G11368

COVER - clutch housing

1шт.

16

13-58

BOLT,Hex, 5/16" - 18 x 1/2", Gr 5

4шт.

17

92-5

LOCK WASHER,5/16"

med sect. 5/16"

4шт.

18

G11356

COVER - flywheel housing (When stock is exhausted order D30040)

1шт.

D30040

COVER - flywheel housing (See G11356)

1шт.

19

13-68

SCREW,Hex, 3/8" - 16 x 1/2", Gr 5

HHCS - 3/8" - 16 NC x 1/2"

2шт.

20

92-6

LOCK WASHER,3/8"

med. sec. 3/8"

2шт.

21

VT2176

X

COVER - timing hole

1шт.

22

13-48

BOLT,Hex, 1/4" - 20 x 1/2", Gr 5

1шт.

23

92-4

LOCK WASHER,1/4"

WASHER, LOCK, 1/4"

1шт.

24

138-63

LOCK PIN,1/8" x 1 1/4", Slotted

PIN, , Timing 1/8" x 1 1/4", Slotted

1шт.

25

G11906

CARRIER

- throwout bearing (Used up to tractor serial #3018001) when stock is exhausted order D30055, Includes: Ref. 26

1шт.

26

G13624

BEARING

- throwout

1шт.

25

D30055

CARRIER

- throwout bearing (Used on tractor serial #3018001 and after) see G11906, Includes: Ref. 26

1шт.

26

G13624

BEARING

- throwout

1шт.

27

51040-10

HOSE - throwout bearing lube (Use D20272)

1шт.

D20272

HOSE

- throwout bearing lube

1шт.

28

217-15

ELBOW,45 Degree, 1/8"-27 NPTF, Fem x 1/8"-27 NPTF Male

- brass 45° (1/8" NPT female x 1/8" NPT male (If used)

1шт.

29

222-762

ELBOW,90 Degree, 7/16"-20, 45 Degree Fl x 1/8" NPT

male (x 1/4" JIC) 90º, 7/16"-20, 45º Fl x 1/8" NPT

1шт.

30

219-36

LUBE NIPPLE,45 Degree Elbow, 1/8" - 27 NPTF

FITTING - 45° (1/8" NPT)

1шт.

31

G11353

SHAFT - cross

1шт.

32

B4717A

X

YOKE - clutch

1шт.

33

13-620

BOLT,Hex, 3/8" - 16 x 1-1/4", Gr 5, Full Thd

2шт.

34

92-6

LOCK WASHER,3/8"

med. sec. 3/8"

2шт.

35

126-24

WOODRUFF KEY,#15, 1/4" x 1"

2шт.

36

11037

BELT, TRANSMISSION

LEVER - outer cross shaft

1шт.

37

13-632

BOLT,Hex, 3/8" - 16 x 2", Gr 5

1шт.

38

92-6

LOCK WASHER,3/8"

med. sec. 3/8"

1шт.

39

25-106

NUT,3/8"-16, G5

- hex (3/8" - 16 NC)

1шт.

40

126-26

WOODRUFF KEY,#16, 3/16" x 1 1/8"

KEY - #16

1шт.

41

13-844

BOLT,Hex, 1/2" - 13 x 2-3/4", Gr 5

Hex, 1/2"-13 x 2 3/4", G5

2шт.

42

92-8

LOCK WASHER,1/2"

med. sec. 1/2"

2шт.

43

25-108

NUT,1/2"-13, G5

- hex (1/2" - 13 NC)

2шт.

Выбрано товаров: 47