Запчасти Case 310E (017) - G44888 STARTER - GAS (06) - ELECTRICAL SYSTEMS

Схема запчастей Case 310E - (017) - G44888 STARTER - GAS (06) - ELECTRICAL SYSTEMS
9
10
27
39
3
2
12
21
36
18
15
16
47
24
19
43
11
13
41
46
42
40
17
45
37
7
49
48
50
23
5
38
35
14
4
20
32
33
30
4
28
36
26
31
44
8
22
1
34
25
6
29
FIT
1:1
100%

Артикул

Название

Примечание

Количество

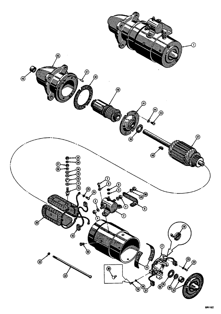
1

G44888

X

STARTER AND SOLENOID ASS'Y - (Auto-Lite #MDU-7104), Includes: Ref. 2 - 50

1шт.

All other P/N's must be obtained from an Auto-Lite Service Station

1шт.

1

104223A1R

REMAN-STARTER

Remanufactured STARTER 12 volt Presto Inertia

1шт.

1

104223A1C

CORE-STARTER

Return Part Number, STARTER 12 volt Presto Inertia

1шт.

2

A20145

X

SOLENOID ASS'Y- (Auto-Lite #SAW-4201), Includes: Ref. 3 - 6

1шт.

All other Refs. must be obtained from an Auto-Lite Service Station

1шт.

3

12X-200

WASHER - lock (5/16")

2шт.

4

8X-1701

NUT - hex (5/16" - 24 NF)

2шт.

5

12X-3321

WASHER - lock (#10)

1шт.

6

8X-173

NUT - hex (#10 - 32 NF)

1шт.

7

8X-312

SCREW - round head solenoid mounting (#10 - 32 NF x 1/4")

2шт.

8

X-1270

WASHER - Shakeproof lock, solenoid mounting screw (#10)

2шт.

9

G46297

CONNECTOR, ELEC

CONNECTOR BAR - solenoid to starter (Auto-Lite #SS-6L)

1шт.

All other Refs. must be obtained from an Auto-Lite Service Station

1шт.

NSS

NOT SOLD SEPARAT

STARTER ASS'Y - use G44888, Includes: Ref. 10 - 50

1шт.

NSS

NOT SOLD SEPARAT

FRAME AND FIELD ASS'Y - use G44888, Includes: Ref. 10 - 50

1шт.

10

GK-38

SCREW - pole shoe

4шт.

11

MDM-27

WASHER - insulation, terminal stud (Inner)

1шт.

12

MDT-90

BUSHING - insulation terminal stud

1шт.

13

MAB-31C

WASHER - insulation terminal stud (Outer)

1шт.

14

MU-37

WASHER - plain terminal stud (5/16")

1шт.

15

MDT-28

STUD - terminal

1шт.

16

MDL-66

INSULATION - field connection

2шт.

17

MDL-1064

PLATE ASS'Y - brush, Includes: Ref. 18 and 19

1шт.

18

MDL-1063S

BRUSH - grounded

2шт.

All other P/N's are included in MDL-2012cs Service Brush Set

1шт.

19

MZ-19

SPRING - brush

4шт.

20

MDU-1005AS

FIELD COIL PACKAGE, Includes: Ref. 21

1шт.

21

MDL-50

BRUSH

1шт.

All other P/N's are included in MDL-2012cs Service Brush Set

1шт.

22

8X-56

SCREW - round head coil ground lead to brush plate (See X-3434)

1шт.

23

12X-195

WASHER - lock coil round lead mounting screw

1шт.

24

8X-304

SCREW - round head lead (Terminal stud)(#8 -32 NC x 5/16")

1шт.

25

12X-195

WASHER - lock terminal stud lead screw (#8)

1шт.

26

12X-1014

WASHER - lock terminal stud (Inner) (5/16")

1шт.

27

8X-2988

NUT - hex terminal stud (Inner) (5/16" - 18 NC)

1шт.

28

8X-3407

SCREW - brush plate mounting (See X-3434)

3шт.

29

12X-195

WASHER - lock brush plate mounting screw (See X-3434)

3шт.

30

X-3434

RIVET - brush plate and ground lead mounting (See 8X-3407 and 12X-195)b

3шт.

31

8X-164

NUT - hex, terminal stud (Outer) (5/16" - 18 NC)

1шт.

32

GJ-20C

BOLT - thru

2шт.

33

12X-199

WASHER - lock, thru bolt (1/4")

2шт.

34

12X-1014

WASHER - lock, terminal stud (5/16")

1шт.

35

MDT-1002

HEAD ASSY - commutator end, Includes: Ref. 36

1шт.

36

MAD-110

PELT

1шт.

37

MDL-2048A

ARMATURE

1шт.

38

MU-54

WASHER - armature thrust, commutator end and intermediate (1/32" thick)

2шт.

39

MU-54B

WASHER - armature thrust, commutator end (3/64" thick)

1шт.

MU-54K

WASHER - armature thrust, commutator end (.080" thick)

1шт.

MU-54L

WASHER - armature thrust, commutator end (1/16" thick)

1шт.

40

X-261

KEY - #6 Woodruff

1шт.

41

G45478

PLATE

BEARING ASSY - intermediate (Auto-Lite #MDL-1080A)

1шт.

All other Refs. must be obtained from an Auto-Lite Service Station

1шт.

42

G46910

GASKET

GASKET - intermediate bearing (Auto-Lite #MDL-73)

1шт.

All other Refs. must be obtained from an Auto-Lite Service Station

1шт.

43

8X-1368

SCREW - round head intermediate bearing (#10 - 32 NF x 7/16")

4шт.

44

12X-196

WASHER - lock intermediate bearing screw (#10)

4шт.

45

PS-1375A

HOUSING ASSY - pinion, Includes: Ref. 46 and 47

1шт.

46

MS-77A

BEARING - absorbent bronze

1шт.

47

MN-21

PIN - dowel

1шт.

48

EBA-33

DRIVE - Bendlx

1шт.

49

12X-1014

WASHER - lock, solenoid terminal (5/16")

1шт.

50

8X-1376

NUT - hex solenoid terminal (5/16" - 24 NF)

1шт.

Выбрано товаров: 63