Запчасти Case 310F (148) - D27925 HYDRAULIC PUMP (07) - HYDRAULIC SYSTEM

Схема запчастей Case 310F - (148) - D27925 HYDRAULIC PUMP (07) - HYDRAULIC SYSTEM
FIT
1:1
100%

Артикул

Название

Примечание

Количество

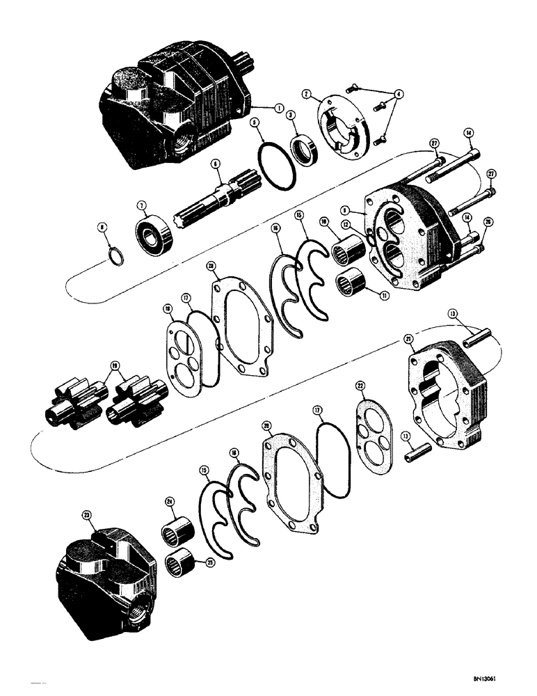
1

D27925

STUD

PUMP - hydraulic (Webster 4JDS-4L) For dozer-backhoe units only

1шт.

2

D28716

PLATE - pilot, driveshaft

1шт.

3

D24047

SEAL

- oil, driveshaft (Double lip)

1шт.

4

171-212

SCREW,Sl Flat Hd, #10 - 24 x 5/8"

- machine, flat head (No. 10 - 24 NC x 5/8")

4шт.

5

D26065

X

SEAL - "O" ring, pilot plate to pump body

1шт.

6

D28721

SHAFT - drive, pump

1шт.

7

O5903AB

BEARING, BALL

BEARING - ball, driveshaft

1шт.

8

O9099AB

X

SNAP RING - bearing retaining

1шт.

9

D28712

BODY - pump, hydraulic

1шт.

10

O10882AB

X

BEARING - needle, driven gear

1шт.

11

G10642

NEEDLE BEARING,Needle, 22.23mm ID x 28.57mm OD x 19.05mm W

BEARING - needle, drive gear

1шт.

12

D28724

SEAL - "O" ring, pocket

2шт.

13

D28723

PIN - dowel

2шт.

14

61-448

HEX SOC SCREW,1/4"-20 x 3"

SCREW - cap, Allen head (1/4" - 20 NC x 3")

2шт.

15

D28726

SEAL - retaining plate

2шт.

16

D28730

- backup, plastic

2шт.

17

D28727

RING - sealing, wear plate

2шт.

18

D28729

WEAR PLATE

PLATE - wear, Serial Range: next-body

1шт.

19

D28719

GEARS - set of, drive and driven

2шт.

20

D28725

PLATE - retaining, wear plate

2шт.

21

D28720

PLATE - gear

1шт.

22

D28728

WEAR PLATE

PLATE - wear, next to front cover

1шт.

23

D28714

COVER - pump

1шт.

24

O10882AB

X

BEARING - needle, driven gear

1шт.

25

G10642

NEEDLE BEARING,Needle, 22.23mm ID x 28.57mm OD x 19.05mm W

BEARING - needle, drive gear

1шт.

26

166-32

12 PT SCREW,Flg, 5/16" - 18 x 2 1/2", Gr 8

SCREW - cap, counterbore head (5/16" - 18 NC x 2-1/2")

2шт.

27

166-34

12 PT SCREW,Flg, 5/16" - 18 x 3", Gr 8

SCREW - cap, counterbore head (5/16" - 18 NC x 3")

4шт.

Выбрано товаров: 27