Запчасти Case 310F (166) - LOADER FRAME, LIFT ARM, BUCKET, AND CYLINDERS (07) - HYDRAULIC SYSTEM

Схема запчастей Case 310F - (166) - LOADER FRAME, LIFT ARM, BUCKET, AND CYLINDERS (07) - HYDRAULIC SYSTEM
FIT
1:1
100%

Артикул

Название

Примечание

Количество

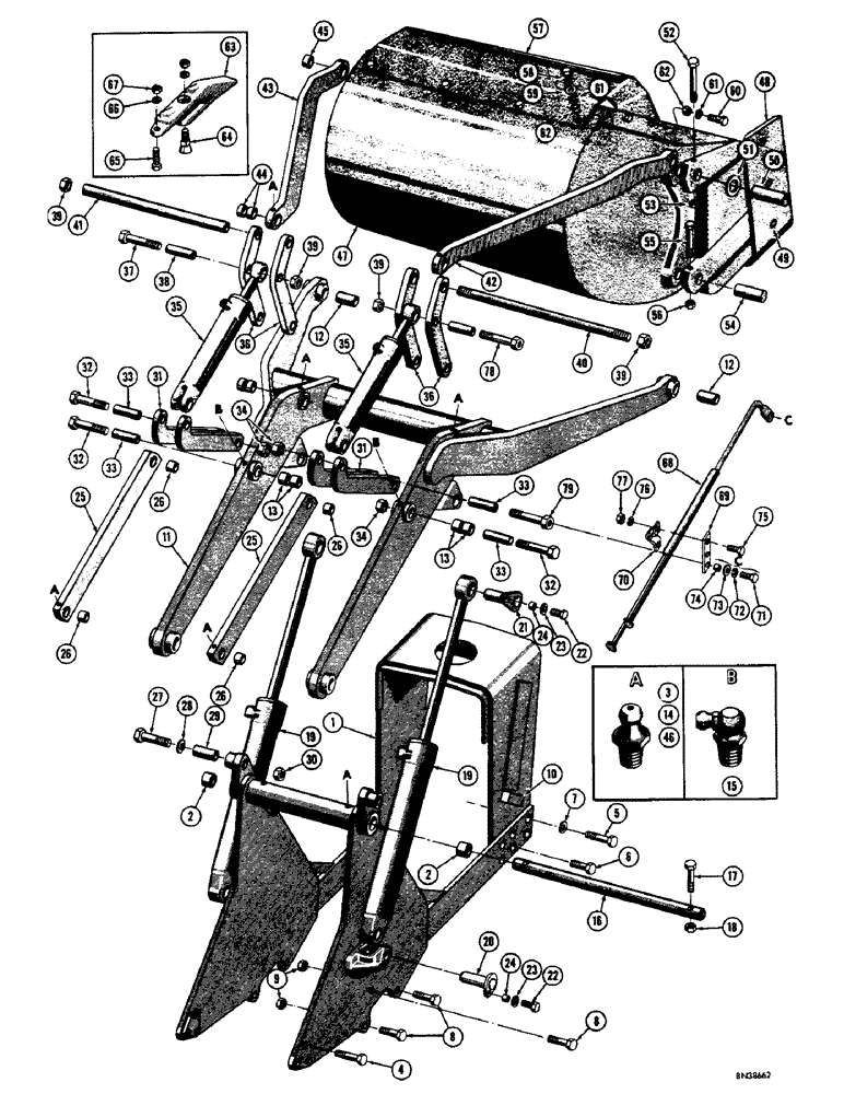
1

D29965

FRAME - main, loader

1шт.

2

D23870

BUSHING

- main frame

2шт.

3

219-1

LUBE NIPPLE,1/8" - 27 NPTF

FITTING - grease, straight (1/8" NPT)

2шт.

4

13-1248

BOLT,Hex, 3/4" - 10 x 3", Gr 5

6шт.

5

13-828

BOLT,Hex, 1/2" - 13 x 1-3/4", Gr 5

HHCS - 1/2" - 13 NC x 1-3/4"

4шт.

6

13-824

BOLT,Hex, 1/2" - 13 x 1-1/2", Gr 5, Full Thd

4шт.

7

92-8

LOCK WASHER,1/2"

8шт.

8

13-1236

BOLT,Hex, 3/4" - 10 x 2-1/4", Gr 5

6шт.

9

25-1012

NUT,3/4"-10, G5

4шт.

10

D29090

BLOCK - stop, loader main arm

2шт.

11

D29966

ARM - main, 48" gauge loader (Includes ref. no. 12 and 13)

1шт.

D30502

ARM - main, 42" gauge loader

1шт.

12

D21912

BUSHING

- main arm at bucket

2шт.

13

30634

BUSHING,32.05mm ID x 38.18mm OD x 17.6mm L

- main arm at dump linkage

8шт.

14

219-1

LUBE NIPPLE,1/8" - 27 NPTF

FITTING - grease, straight (1/8" NPT)

2шт.

15

219-55

LUBE NIPPLE,90 Degree Elbow, 1/8" - 27 NPTF

NIPPLE, LUBE, 90º, 1/8" NPT x .84" lg

2шт.

16

31318

SHAFT - mounting, main arm to main frame

1шт.

17

13-888

BOLT,Hex, 1/2" - 13 x 5-1/2", Gr 5

2шт.

18

D23332

X

NUT - lock, special (1/2" - 13 NC)

2шт.

19

D27929

CYLINDER - loader lift, hydraulic (See Figure 174 for breakdown)

2шт.

20

31109

PIN ASSY.

PIN - mounting, lift cylinder to main frame

2шт.

21

31340

PISTON

PIN - mounting, lift cylinder to main arm

2шт.

22

13-816

BOLT,Hex, 1/2" - 13 x 1", Gr 5, Full Thd

4шт.

23

193-32

LOCK WASHER,Int Tooth, 1/2"

WASHER, LOCK, Int Tooth, 1/2"

4шт.

24

D23740

BUSHING

- lock head pin bolt

4шт.

25

D24459

ARM - leveling

2шт.

26

DR10011

BUSHING

- leveling arm

2шт.

27

13-1680

CAPSCREW,Hex, 1" - 8 x 5", Gr 5

BOLT, Hex, 1"-8 x 5", G5

2шт.

28

95-16

WASHER,1 1/16" x 2 1/2" x .164"

- standard wrot (1-1/16" I.D. x 2-1/2" O.D. x 11/64" thick)

2шт.

29

D24584

BUSHING - spacer

2шт.

30

230-41116

NUT,1"-8, GA

NUT - lock (1" - 8 NC) Use 131-163

2шт.

131-163

LOCK NUT,1"-8, GA

NUT - lock (1" - 8 NC)

2шт.

31

D24442

LEVER - pivot, bucket cylinder to leveling arm

4шт.

32

13-1688

BOLT,Hex, 1" - 8 x 5-1/2", Gr 5

3шт.

33

D24462

SPACER - pivot lever

4шт.

34

230-41116

NUT,1"-8, GA

NUT - lock (1" - 8 NC) Use 131-163

4шт.

131-163

LOCK NUT,1"-8, GA

NUT - lock (1" - 8 NC)

4шт.

35

D27903

CYLINDER - bucket, hydraulic (See Figure 174 for breakdown)

2шт.

36

D24441

LEVER - pilot, bucket dump arm and bucket cylinder

4шт.

37

13-1664

BOLT,Hex, 1" - 8 x 4", Gr 5

3шт.

38

30959

SPACER - pivot lever

6шт.

39

230-41116

NUT,1"-8, GA

NUT - lock (1" - 8 NC) Use 131-163

6шт.

131-163

LOCK NUT,1"-8, GA

NUT - lock (1" - 8 NC)

6шт.

40

D24460

ROD - tie

1шт.

41

D24439

SPACER - dump linkage

1шт.

42

D29085

ARM - bucket dump, R.H. (Includes ref. no. 44 and 45) 48" gauge loader

1шт.

D29135

ARM - bucket dump, R.H. (Includes ref. no. 44 and 45) 42" gauge loader

1шт.

43

D29086

ARM - bucket dump, L.H. (Includes ref. no. 44 and 45) 48" gauge loader

1шт.

D29136

ARM - bucket dump, L.H. (42" gauge loader)

1шт.

44

30634

BUSHING,32.05mm ID x 38.18mm OD x 17.6mm L

- dump arm at dump linkage

2шт.

45

D21903

BUSHING

- dump arm at bucket

1шт.

46

219-1

LUBE NIPPLE,1/8" - 27 NPTF

FITTING - grease, straight (1/8" NPT)

2шт.

47

D24465

BUCKET - loader, 48" gauge loader (Machinery item)

1шт.

48

30889

EDGE - cutting, bucket

1шт.

49

46-826

RIVET

- cutting edge (1/2" x 1-5/8")

21шт.

47

D25181

BUCKET - loader, 42" gauge loader (Machinery item)

1шт.

48

31258

EDGE - cutting, bucket

1шт.

49

46-826

RIVET

- cutting edge (1/2" x 1-5/8")

21шт.

50

32598

PIN

- mounting, bucket to dump arm

2шт.

51

O1550L

WASHER

- shim, 32598 pin (Use D31312)

1шт.

D31312

WASHER

- shim, 32598 pin

1шт.

52

13-660

BOLT,Hex, 3/8" - 16 x 3-3/4", Gr 5

HHCS - 3/8" - 16 NC x 3-3/4"

2шт.

53

131-352

LOCK NUT,3/8"-16, GA

NUT - lock (3/8" - 16 NC)

2шт.

54

32599

PIN - mounting, bucket to main arm

2шт.

55

13-864

BOLT,Hex, 1/2" - 13 x 4", Gr 5

2шт.

56

D23332

X

NUT - lock, special (1/2" - 13 NC)

2шт.

57

D11656

GUARD - spill, D24465 bucket (Machinery item)

1шт.

58

13-820

BOLT,Hex, 1/2" - 13 x 1-1/4", Gr 5, Full Thd

4шт.

59

95-8

WASHER,1/2"

- standard wrot (9/16" I.D. x 1-3/8" O.D. x 7/64" thick) 1/2"

4шт.

60

13-828

BOLT,Hex, 1/2" - 13 x 1-3/4", Gr 5

HHCS - 1/2" - 13 NC x 1-3/4"

4шт.

61

92-8

LOCK WASHER,1/2"

8шт.

62

25-108

NUT,1/2"-13, G5

- hex. (1/2" - 13 NC)

8шт.

63

D29124

TOOTH

- digging (Optional equipment)

5шт.

64

18-840

BOLT

- plow, no. 3 head (1/2" - 13 NC x 2-1/2")

5шт.

65

13-828

BOLT,Hex, 1/2" - 13 x 1-3/4", Gr 5

HHCS - 1/2" - 13 NC x 1-3/4"

5шт.

66

92-8

LOCK WASHER,1/2"

10шт.

67

25-108

NUT,1/2"-13, G5

- hex. (1/2" - 13 NC)

10шт.

68

D28063

LARGE PIN

GAUGE - bucket leveling

1шт.

69

D28127

BRACKET - mounting, clamp

1шт.

70

D28126

CLAMP - leveling

1шт.

71

13-616

BOLT,Hex, 3/8" - 16 x 1", Gr 5, Full Thd

Clamp bracket and leveling gauge, front Hex, 3/8"-16 x 1", G5, Full Thd

2шт.

72

192-21

LOCK WASHER,3/8"

WASHER, LOCK, 3/8"

2шт.

73

195-25

WASHER,3/8"

- plain

2шт.

74

D28056

SPACER

2шт.

75

13-512

BOLT,Hex, 5/16" - 18 x 3/4", Gr 5

2шт.

76

92-5

LOCK WASHER,5/16"

2шт.

77

9635082

NUT,5/16" - 18, Gr 5

- hex. (5/16" - 18 NC)

2шт.

78

D28062

BOLT - special

1шт.

79

D28055

BOLT - special

1шт.

Выбрано товаров: 89