Запчасти Case 310F (244) - BACKHOE CONTROL LEVERS AND LINKAGE (12) - Chassis/Attachments

Схема запчастей Case 310F - (244) - BACKHOE CONTROL LEVERS AND LINKAGE (12) - Chassis/Attachments
FIT
1:1
100%

Артикул

Название

Примечание

Количество

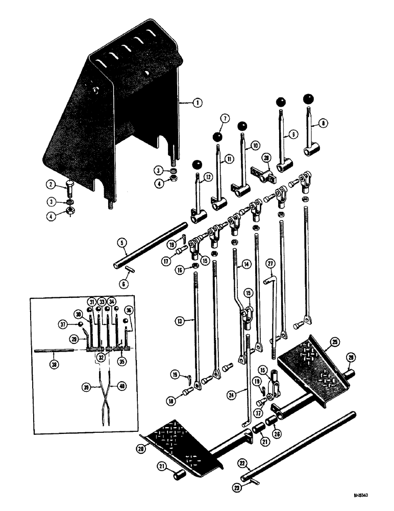
1

D30826

SHIELD - control rods

1шт.

2

13-628

BOLT,Hex, 3/8" - 16 x 1-3/4", Gr 5

2шт.

3

92-6

LOCK WASHER,3/8"

4шт.

4

25-106

NUT,3/8"-16, G5

- hex. (3/8" - 16 NC)

4шт.

5

D30817

SHAFT

- control levers

1шт.

6

138-98

LOCK PIN,3/16" x 1 1/4", Slotted

PIN, , D30817 shaft 3/16" x 1 1/4", Slotted

1шт.

7

70213

KNOB

- control levers

5шт.

8

D30811

LEVER - L.H. stabilizer control

1шт.

9

D32642

HANDLE

LEVER - boom control

1шт.

10

D32641

HANDLE

LEVER - dipper arm control

1шт.

11

D32640

HANDLE

LEVER - bucket control

1шт.

12

D30815

LEVER - R.H. stabilizer control

1шт.

13

D30821

ROD

- to valve, str.

5шт.

14

D30823

ROD - to valve, bent

1шт.

15

213-4

ADJUSTABLE CLEVIS,3/8"-24 x 2 1/2"

YOKE - control levers

8шт.

16

25-156

JAM NUT,Jam, 3/8"-24, G5

- hex., jam (3/8" - 24 NF)

6шт.

17

141-4

CLEVIS PIN,3/8" x 1.060"

PIN, CLEVIS, , Eye, 213-4 yoke 3/8" x 1.060"

7шт.

18

141-3

CLEVIS PIN,5/16" x .940"

PIN, CLEVIS, , Eye, rods 5/16" x .940"

6шт.

19

132-25

COTTER PIN,3/32" x 5/8"

Pin, Split (Cotter), 3/32" x 5/8"

15шт.

20

D30710

PEDAL - swing, R.H. (Left swing)

1шт.

21

D30706

BUSHING

- swing pedal

2шт.

22

D32056

SHAFT - swing pedals

1шт.

23

138-102

LOCK PIN,3/16" x 1 3/4", Slotted

PIN, 3/16" x 1 3/4", Slotted

1шт.

24

D30819

ROD

- swing control, front (R.H. pedal)

1шт.

25

D30711

PEDAL - swing, L.H. (Right swing)

1шт.

26

D30706

BUSHING

- swing pedal

2шт.

27

D21762

ROD

- swing control, rear (L.H. pedal)

1шт.

28

D30816

PIVOT ASSY.

PIVOT - swing control

1шт.

29

D32401

LEVER - R.H. stabilizer control, hand swing parts

1шт.

30

D32402

LEVER - dipper arm control, hand swing parts

1шт.

31

D32403

LEVER - boom control, hand swing parts

1шт.

32

138-137

LOCK PIN,1/4" x 1 3/8", Slotted

PIN, , Hand swing control parts 1/4" x 1 3/8", Slotted

2шт.

33

D32640

HANDLE

LEVER - bucket control, hand swing parts

1шт.

34

D32404

LEVER - swing control, hand parts

1шт.

35

D32431

ARM - lever, boom control, hand swing parts

1шт.

36

D30811

LEVER - L.H. stabilizer control, hand swing parts

1шт.

37

70213

KNOB

- control levers, hand swing parts

6шт.

38

D32405

SHAFT - control levers, hand swing parts

1шт.

39

D32406

ROD - dipper control lever to valve, hand swing parts

1шт.

40

D32407

ROD - bucket control lever to valve, hand swing parts

1шт.

Выбрано товаров: 40