Запчасти Case 310F (054) - MANIFOLD - DIESEL (01) - ENGINE

Схема запчастей Case 310F - (054) - MANIFOLD - DIESEL (01) - ENGINE
FIT
1:1
100%

Артикул

Название

Примечание

Количество

1

G2123

X

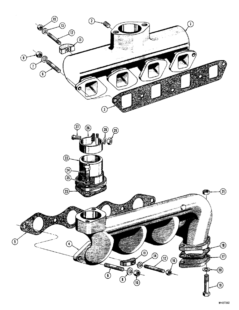
MANIFOLD - intake, uses 4 heater plugs (When stock is exhausted order 1 - A35782 intake manifold, 1 - A24396 manifold heater, 1 - A20916 manifold heater gasket, 1 - A21482 cable, and 1 - 129-503 brass nut)

1шт.

A35782

MANIFOLD

- intake, uses 1 heater plug (See G2123)

1шт.

2

221-1010

PLUG,Sq Hd, 1/4"-18 NPTF

- pipe, square head (1/4" NPT)

1шт.

G45259

PLUG

- heater, manifold (Not shown) See A24396 (See Figure 062, ref. #31)

4шт.

A24396

X

PLUG - heater, manifold (Not shown) See G45259 (See Figure 062, ref. #31)

1шт.

3

G46871

GASKET

- intake manifold

1шт.

4

G2113

EXHAUST MANIFOLD

MANIFOLD - exhaust

1шт.

5

G46872

MANIFOLD GASKET

- exhaust manifold

1шт.

6

VT4510

X

STUD - intake and exhaust manifolds to head (3/8" x 1-3/4")

4шт.

7

92-6

LOCK WASHER,3/8"

intake manifold 3/8"

2шт.

8

195-25

WASHER,3/8"

- plain, exhaust manifold (13/32" I.D. x 13/16" O.D. x 5/64" thick)

2шт.

9

25-106

NUT,3/8"-16, G5

- hex., intake manifold (3/8" - 16 NC)

2шт.

10

131-903

NUT,3/8"-16

NUT - seez-pruf, exhaust manifold (3/8" - 16 NC)

2шт.

11

A35028

CLAMP

- maniold

6шт.

12

A35175

STUD

- manifold clamp

6шт.

13

92-6

LOCK WASHER,3/8"

intake manifold 3/8"

3шт.

14

195-25

WASHER,3/8"

- plain, exhaust manifold (13/32" I.D. x 13/16" O.D. x 5/64" thick)

3шт.

15

25-106

NUT,3/8"-16, G5

- hex., intake manifold (3/8" - 16 NC)

3шт.

16

131-903

NUT,3/8"-16

NUT - seez-pruf, exhaust manifold (3/8" - 16 NC)

3шт.

17

G2044

LARGE PLATE

PLATE - cover, exhaust opening

1шт.

18

G46853

MANIFOLD GASKET

- cover, exhaust opening

1шт.

19

13-624

BOLT,Hex, 3/8" - 16 x 1-1/2", Gr 5

HHCS - 3/8" - 16 NC x 1-1/2"

2шт.

20

195-25

WASHER,3/8"

- plain (13/32" I.D. x 13/16" O.D. x 5/64" thick)

2шт.

21

131-903

NUT,3/8"-16

NUT - seez-pruf (3/8" - 16 NC)

2шт.

22

D22864

OUTLET

- exhaust, standard exhaust pipe or muffler (See D29308)

1шт.

D29308

OUTLET

- exhaust, spark arresting muffler (See D22864)

1шт.

23

G46853

MANIFOLD GASKET

- exhaust, Serial Range: outlet-manifold

1шт.

24

13-618

BOLT,Hex, 3/8" - 16 x 1-1/8", Gr 5

2шт.

25

92-6

LOCK WASHER,3/8"

2шт.

26

G45767

X

CLAMP - muffler

1шт.

27

11-520

X

BOLT - round head square neck (5/16" - 18 NC x 1-1/4")

1шт.

28

92-5

LOCK WASHER,5/16"

1шт.

29

9635082

NUT,5/16" - 18, Gr 5

- hex. (5/16" - 18 NC)

1шт.

Выбрано товаров: 33