Запчасти Case 310G (072) - STARTER, GENERATOR, BATTERY AND WIRING - GAS (POSITIVE BATTERY GROUND) (06) - ELECTRICAL SYSTEMS

Схема запчастей Case 310G - (072) - STARTER, GENERATOR, BATTERY AND WIRING - GAS (POSITIVE BATTERY GROUND) (06) - ELECTRICAL SYSTEMS
FIT
1:1
100%

Артикул

Название

Примечание

Количество

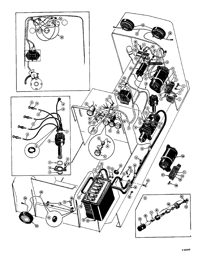
1

A30042

GASKET

- generator bracket support

1шт.

2

G2098

SUPPORT - generator bracket

1шт.

3

15-652

X

HHCS - 3/8" - 16 NC x 3-1/4"

3шт.

4

92-6

LOCK WASHER,3/8"

med. sect. 3/8"

3шт.

5

D26162

BRACKET - generator

1шт.

6

13-512

BOLT,Hex, 5/16" - 18 x 3/4", Gr 5

2шт.

7

92-5

LOCK WASHER,5/16"

med sect. 5/16"

2шт.

8

D22878

X

GENERATOR - 12 volt (Prestolite no. GJT 7106A) parts list figure 84

1шт.

9

13-520

BOLT,Hex, 5/16" - 18 x 1-1/4", Gr 5

HHCS - 5/16" - 18 NC x 1-1/4"

2шт.

10

95-5

WASHER,3/8" x 7/8" x .083"

- std. wrot (3/8" I.D. x 7/8" O.D. x 5/64" thick)

1шт.

11

92-5

LOCK WASHER,5/16"

med sect. 5/16"

2шт.

12

9635082

NUT,5/16" - 18, Gr 5

- hex. (5/16" - 18 NC)

2шт.

13

G11344

STRAP - generator adj.

1шт.

14

13-512

BOLT,Hex, 5/16" - 18 x 3/4", Gr 5

1шт.

15

95-5

WASHER,3/8" x 7/8" x .083"

- std. wrot. (3/8" I.D. x 7/8" O.D. x 5/64" thick)

1шт.

16

13-620

BOLT,Hex, 3/8" - 16 x 1-1/4", Gr 5, Full Thd

1шт.

17

92-6

LOCK WASHER,3/8"

med. sect. 3/8"

1шт.

18

25-106

NUT,3/8"-16, G5

- hex. (3/8" - 16 NC)

1шт.

19

G44888

X

MOTOR - starting (Prestolite no. MDU - 7104) parts list, figure 90, Includes: Ref. 20 - 23

1шт.

20

A20145

X

SOLENOID - str. (Prestolite no. SAW - 4201) when stock is exhausted, use A40795

1шт.

A40795

SOLENOID

- starter

1шт.

21

G46297

CONNECTOR, ELEC

BAR - connecting, solenoid to starting motor (Prestolite no. SS-6L)

1шт.

22

129-122

NUT,5/16"-24, G5

(Battery solenoid terminal) outer 5/16"-24, G5

1шт.

23

193-1000

NUT,Keps, w/LW,#10-32

- Keps, zinc plated (Ignition switch solenoid terminal, outer) No. 10 - 32 NF

1шт.

24

413-632

BOLT,Hex, 3/8" - 16 x 2", Gr 5

3шт.

25

92-6

LOCK WASHER,3/8"

med. sect. 3/8"

3шт.

26

G11051

DISTRIBUTOR

- Prestolite No. 1AD-6003-2J (Parts list, figure 96)

1шт.

27

NLS

NO LONGER SERVICED

- thrust, distributor advance arm

1шт.

28

A29989

ARM

- distributor advance

1шт.

29

113-1

BOLT,Hex, 1/4" - 20 x 1/2", Gr 5

1шт.

30

92-4

LOCK WASHER,1/4"

WASHER, LOCK, 1/4"

1шт.

31

A29456

O-RING,0.139" Thk x 1.046" ID, -215, Cl 5, 75 Duro

SEAL - distributor to block

1шт.

32

A30018

CABLE

WIRE - no. 2 and no. 3 spark plugs to distributor (8-1/2")

2шт.

33

A29994

CABLE

WIRE - no. 1 and no. 4 spark plugs to distributor (10-1/2")

2шт.

34

G44840

SPARK PLUG

- 18 MM (Prestolite no. 18 8), Includes: Ref. 35

4шт.

35

G46839

GASKET

- spark plug

1шт.

36

A30109

WASHER

- rubber, spark plug wire retaining

1шт.

37

A29338

COVER

NIPPLE - rubber, spark plug wires and coil cable

5шт.

38

G13085

ELECTRICAL WIRE

WIRE - coil to distributor (12")

1шт.

39

A30038

CABLE

- coil to distributor (11")

1шт.

40

G46803

BOOT

NIPPLE - rubber, coil to distributor cable at coil

1шт.

41

A41820

COIL

- ignition (Prestolite No. CAG - 4002A)

1шт.

42

G46106

BRACKET

BAND - coil mounting, Includes: Ref. 43

1шт.

43

173-219

RHMS - #10 - 32 NF x 1-1/2" (Zinc plated)

1шт.

44

G11705

BRACKET

STRAP - mounting, coil to valve cover stud

1шт.

45

49838

CLAMP

- wire

1шт.

46

13-512

BOLT,Hex, 5/16" - 18 x 3/4", Gr 5

2шт.

47

92-5

LOCK WASHER,5/16"

med sect. 5/16"

2шт.

48

9635082

NUT,5/16" - 18, Gr 5

- hex. (5/16" - 18 NC)

2шт.

49

D30243

LAMP

LIGHT - head (Parts list, figure 124)

2шт.

50

A11768

ELECTRICAL WIRE

WIRE - ground, headlight

2шт.

51

D22271

ELECTRICAL WIRE

JUMPER - headlight

1шт.

52

G44878

REGULATOR

- voltage (Prestolite no. VBO - 6201C-1)

1шт.

G44878 is a negative ground regulator. See information notes in GPN system on how to install.

1шт.

53

A26649

CLAMP - wire

1шт.

54

71-46

SCREW - machine, fillister hd. (1/4" - 20 NC x 3/8")

3шт.

55

92-4

LOCK WASHER,1/4"

WASHER, LOCK, 1/4"

3шт.

56

D44176

BATTERY

- 12 volt

1шт.

57

32375

CABLE

- battery, hot, 75" (Negative)

1шт.

58

R12586

TAPE

WRAP - hot battery cable

1шт.

59

49564

GROMMET,1 1/2" ID x 1 3/4" Groove Dia

- rubber, bat. cable hole in R.H. tool box

1шт.

60

49836

CLAMP

- wire, battery cable, inter. and fr.

2шт.

61

49838

CLAMP

- wire, battery cable, rear

1шт.

62

13-616

BOLT,Hex, 3/8" - 16 x 1", Gr 5, Full Thd

1шт.

63

92-6

LOCK WASHER,3/8"

med. sect. 3/8"

1шт.

64

25-106

NUT,3/8"-16, G5

- HEX. (3/8" - 16 NC)

1шт.

65

D27497

CABLE - battery, ground, 35" (Positive)

1шт.

66

413-632

BOLT,Hex, 3/8" - 16 x 2", Gr 5

1шт.

67

92-6

LOCK WASHER,3/8"

med. sect. 3/8"

1шт.

68

25-106

NUT,3/8"-16, G5

- hex. (3/8" - 16 NC)

1шт.

69

R21737

BOLT

ROD - battery holddown (For service, use 15-5148)

2шт.

15-5148

BOLT

HHCS - 5/16" - 18 NC x 9-1/4"

2шт.

70

D22841

BRACKET - battery hold down

1шт.

71

195-21

WASHER,5/16"

- plain () 5/16"

2шт.

72

131-351

LOCK NUT,5/16"-18, GA

NUT - lock (5/16" - 18 NC)

2шт.

73

D24941

HARNESS - main wiring

1шт.

74

49838

CLAMP

- wire

2шт.

75

13-412

BOLT,Hex, 1/4" - 20 x 3/4", Gr 5, Full Thd

1шт.

76

92-4

LOCK WASHER,1/4"

WASHER, LOCK, 1/4"

1шт.

77

25-104

NUT,1/4"-20, G5

1шт.

78

515-2348

CLAMP,4.8mm ID, 10.3mm Bolt Hole, P Type

- wire

2шт.

79

13-612

BOLT,Hex, 3/8" - 16 x 3/4", Gr 5, Full Thd

2шт.

80

92-6

LOCK WASHER,3/8"

med. sect. 3/8"

2шт.

81

49562

GROMMET,11/16" ID x 1" Groove Dia

- rubber, tailight wire hole in tool boxes

2шт.

82

R22699

X

SWITCH - light (When stock is exhausted, use 1-D35065 and 2 - A56120)

1шт.

D35065

SWITCH

- light (Not illustrated)

1шт.

A56120

WASHER

- special (Not illustrated)

2шт.

83

33705

GLASS

JUMPER - light sw. to ign. sw.

1шт.

84

A11373

SWITCH

- ignition & starter, Includes Ref 85

1шт.

85

A20346

KEY

- ign. sw.

1шт.

86

R18748

AMMETER

1шт.

87

A30326

GAUGE

- oil pressure

1шт.

88

11284

ELECTRICAL GAUGE

GAUGE - temperature

1шт.

89

71280

JUMPER - ammeter ti ign. switch

1шт.

90

D23834

HOLDER

- fuse (Includes 1-25 AGC fuse), Includes: Ref. 91

2шт.

91

223-25

FUSE,25 Amp, Type 3AG

- AGC, 25 amp. (1/4" dia. x 1-1/4" long)

1шт.

92

33481

X

METER - engine hour (When stock is exhausted, use D39286 engine hour meter kit) see figure 126

1шт.

D28798

SWITCH

OIL PRESSURE SWITCH ASSEMBLY, Includes: Ref. 93 and 94

1шт.

93

NSS

NOT SOLD SEPARAT

SWITCH - oil pressure

1шт.

94

D28797

ELECTRICAL WIRE

WIRE - oil pressure switch

1шт.

95

D33212

INTERIOR LIGHT

LIGHT - dash, Includes: Ref. 96 - 102

1шт.

96

NSS

NOT SOLD SEPARAT

MOUNT - rubber

1шт.

97

71421

BULB,R5W, 12V, 5W

- light

1шт.

98

R22232

SIGHTGLASS

LENS - dash light

1шт.

99

R22237

COVER

- dash light

1шт.

100

NSS

NOT SOLD SEPARAT

BASE ASSEMBLY - dash light

1шт.

101

92-10

LOCK WASHER,5/8"

WASHER, LOCK, 5/8"

1шт.

102

86637932

JAM NUT,Jam, 5/8"-18, G5

NUT - jam

1шт.

103

D30243

LAMP

LIGHT - tail (Parts list, figure 114)

1шт.

104

D33670

JUMPER WIRE - taillight to wiring harness

1шт.

105

A11768

ELECTRICAL WIRE

JUMPER WIRE -, Serial Range: taillight-ground

1шт.

106

D34009

GENERATOR

- enclosed (Optional) parts list, figure 112

1шт.

106

87297306

REMAN-GENERATOR

Remanufactured GENERATOR - N.A. Only

1шт.

106

87297307

CORE-GENERATOR

Return No, GENERATOR - N.A. Only

1шт.

107

D34012

BRACKET

- mounting, generator (D34009 generator only)

1шт.

108

13-620

BOLT,Hex, 3/8" - 16 x 1-1/4", Gr 5, Full Thd

(D34009 generator only) Hex, 3/8"-16 x 1 1/4", G5, Full Thd

2шт.

109

95-6

WASHER,3/8"

- plain () D34009 generator only 3/8"

2шт.

110

92-6

LOCK WASHER,3/8"

med. sect., D34009 generator only 3/8"

2шт.

111

25-106

NUT,3/8"-16, G5

- hex. (3/8" - 16 NC) D34009 generator only

2шт.

112

D37031

REGULATOR

- voltage, complete (D34009 generator only)

1шт.

NSS

NOT SOLD SEPARAT

REGULATOR - voltage (Not illustrated)

1шт.

D32596

MOUNTING PARTS

MOUNT - shock (Not illustrated)

1шт.

113

13-518

BOLT,Hex, 5/16" - 18 x 1-1/8", Gr 5

(D34010 regulator only) Hex, 5/16"-18 x 1 1/8", G5

4шт.

114

92-5

LOCK WASHER,5/16"

med sect., D34010 regulator only 5/16"

4шт.

Выбрано товаров: 124