Запчасти Case 310G (111A) - G44891 SOLENOID (06) - ELECTRICAL SYSTEMS

Схема запчастей Case 310G - (111A) - G44891 SOLENOID (06) - ELECTRICAL SYSTEMS
FIT
1:1
100%

Артикул

Название

Примечание

Количество

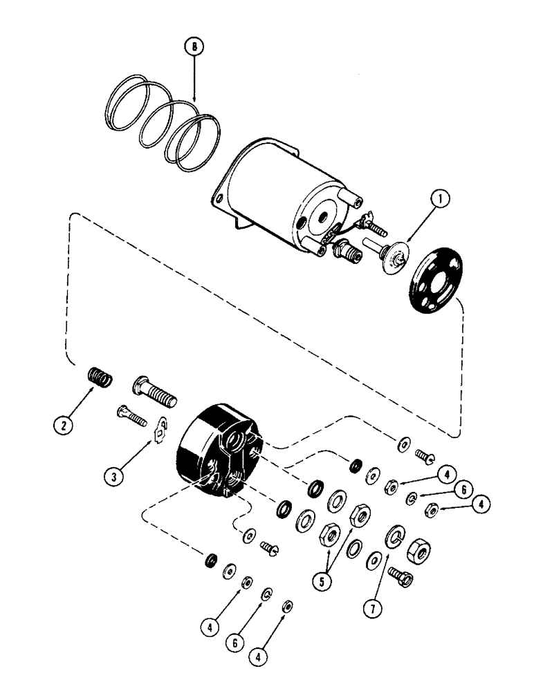
G44891

SOLENOID

ASSY, Includes: Ref. 1 - 8

1шт.

1

A42061

SWITCH

CONTACT ASSY

1шт.

2

A42059

SPRING

- contact

1шт.

3

A42060

HALF BLADE

BLADE - contact

1шт.

4

129-16

NUT,#8-32

Terminal #8-32

4шт.

5

87016560

JAM NUT,Jam, 3/8"-16, G5

Terminal (Replaces R15015) Jam, 3/8"-16, G5

2шт.

6

192-16

LOCK WASHER,Helical Spring, #8, 0.17" ID, CST, ZND

WASHER - lock, #8

2шт.

7

192-21

LOCK WASHER,3/8"

WASHER, LOCK, 3/8"

1шт.

8

A40221

SPRING

- return, plunger

1шт.

Выбрано товаров: 9