Запчасти Case 310G (166) - COMERICAL SHEARING HYDRAULIC PUMPS (USED BEFORE TRAC. SN 3025562) (07) - HYDRAULIC SYSTEM

Схема запчастей Case 310G - (166) - COMERICAL SHEARING HYDRAULIC PUMPS (USED BEFORE TRAC. SN 3025562) (07) - HYDRAULIC SYSTEM
FIT
1:1
100%

Артикул

Название

Примечание

Количество

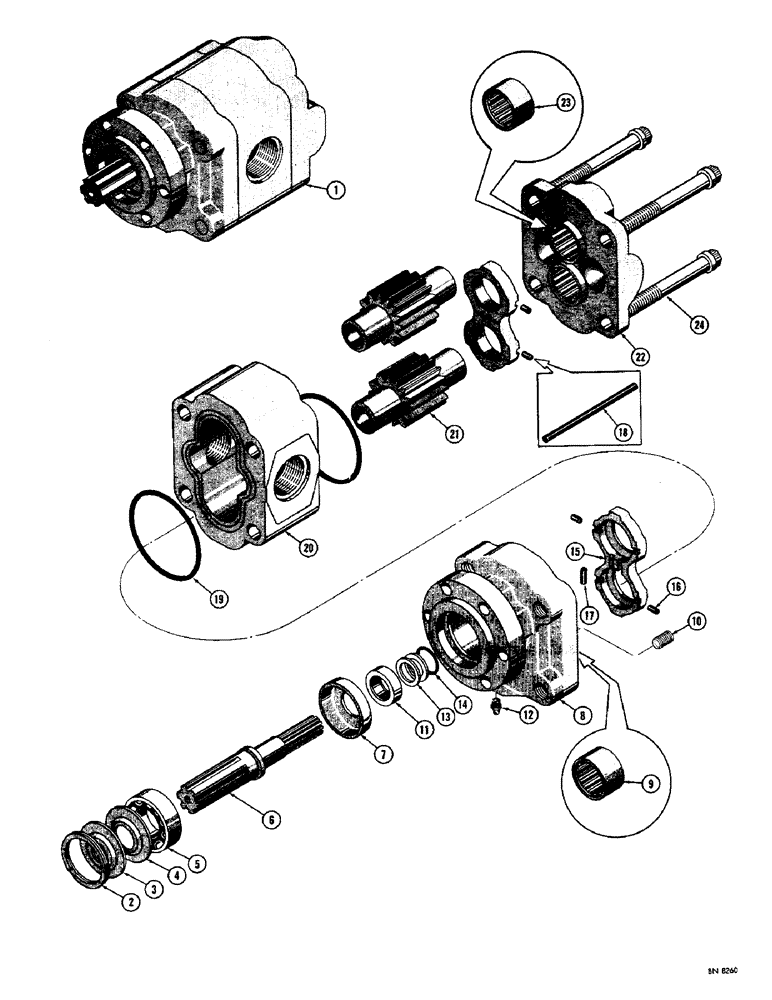
1

D25347

PUMP, HYDRAULIC

PUMP - hydraulic, 18-1/2 G.P.M. at 1850 pump R.P.M. (1850 eng. R.P.M.), Includes: Ref. 2 - 24

1шт.

2

71466

SNAP RING,#206, 2.190", Int, Spiral

- bearing shield

1шт.

3

71429

BEARING COVER

SHIELD - bearing

1шт.

4

R13679

SEAL ASSY.

SEAL - bearing

1шт.

5

R13676

BALL BEARING

BEARING - ball, driveshaft

1шт.

6

D26081

SHAFT - pump drive

1шт.

7

D26074

SPACER

- bearing

1шт.

8

D30030

COVER - shaft end, Includes: Ref. 9 and 10

1шт.

9

D26073

ROLLER BEARING,28.575 mm ID x 41.275 mm OD x 25.4 mm

BEARING - roller

2шт.

10

D48900

PLUG

SCREW - set (7/16" - 20 NF x 3/8")

1шт.

11

D26070

OIL RESERVOIR

SEAL - oil

1шт.

12

219-40

LUBE NIPPLE,65 Degree Elbow, 1/8" - 27 NPTF

FITTING - grease, 67-1/2 degrees (1/8" NPT)

1шт.

13

D26071

RING

- backup

2шт.

14

D31413

O-RING,0.139" Thk x 0.859" ID, -212, Cl 5, 75 Duro

SEAL - "O" ring

1шт.

15

D26077

LARGE PLATE

PLATE - thrust

2шт.

16

NSS

NOT SOLD SEPARAT

SEAL - pocket, thrust plate (7/32" long x .103" dia.) use D35673 for service

8шт.

17

NSS

NOT SOLD SEPARAT

SEAL - pocket, thrust plate (3/8" long x .103" dia.) use D35673 for service

4шт.

18

D30031

SEAL

- pocket (5" long x .103" dia.) when stock is exhausted, use D35673

1шт.

D35673

SEAL

- pocket (4-3/4" long x .103" dia.)

1шт.

19

D26080

O-RING

SEAL - "O" ring

2шт.

20

D26076

HOUSING - gear

1шт.

21

D26038

KIT - gear, drive and driven

1шт.

22

D26419

COVER - port end, Includes: Ref. 23

1шт.

23

D26073

ROLLER BEARING,28.575 mm ID x 41.275 mm OD x 25.4 mm

BEARING - roller

2шт.

24

166-97

12 PT SCREW,Flg, 1/2" - 13 x 4 1/2", Gr 8

SCREW - ferry cap (1/2" - 13 NC x 4-1/2")

4шт.

Выбрано товаров: 25