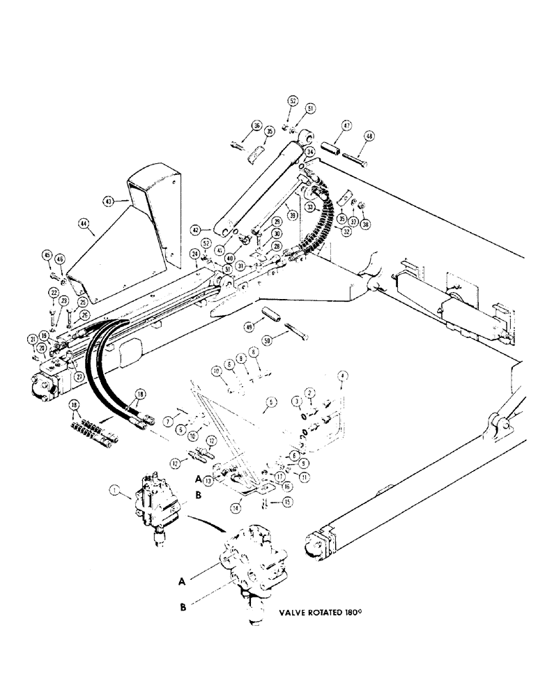
Запчасти Case 310G (230) - POWER TILT DOZER HYDRAULICS (TILT CIRCUIT) (07) - HYDRAULIC SYSTEM

Схема запчастей Case 310G - (230) - POWER TILT DOZER HYDRAULICS (TILT CIRCUIT) (07) - HYDRAULIC SYSTEM
FIT
1:1
100%

Артикул

Название

Примечание

Количество

1

REF

INSTRUCTION

VALVE - control, hydraulic (Parker VDP 12) see figures 174 thru 178 for proper valves

1шт.

2

218-5060

HYD CONNECTOR,3/4" - 16 Male JIC x 7/8" - 14 Male ORB

- male, Incl. Ref 3 3/4"-16, 37º x 7/8"-14, O-Ring

2шт.

3

237-6010

O-RING,0.097" Thk x 0.755" ID, -910, Cl 6, 90 Duro

10-1, 90 Duro, .755" ID x .097" Thk

1шт.

4

D33910

TUBE - upper control valve port to tilt cylinder - rod end

1шт.

5

D33908

TUBE - lower control valve port to tilt cylinder - closed end

1шт.

6

32978

PLATE ASSY.

CLAMP - tube

4шт.

7

13-524

BOLT,Hex, 5/16" - 18 x 1-1/2", Gr 5

- 5/16"-18 NC x 1-1/2"

1шт.

8

13-518

BOLT,Hex, 5/16" - 18 x 1-1/8", Gr 5

2шт.

9

92-5

LOCK WASHER,5/16"

med sect. 5/16"

3шт.

10

D33551

BUSHING

SPACER - tube clamp

3шт.

11

9635082

NUT,5/16" - 18, Gr 5

- hex. (5/16" - 18 NC)

1шт.

12

50883

UNION - special bulkhead

2шт.

13

25-1112

NUT,3/4"-16, G5

- hex. (3/4" - 16 NF)

2шт.

14

D30602

GUARD - tubing

1шт.

15

13-820

BOLT,Hex, 1/2" - 13 x 1-1/4", Gr 5, Full Thd

1шт.

16

92-8

LOCK WASHER,1/2"

med. sect. 1/2"

1шт.

17

25-108

NUT,1/2"-13, G5

- hex. (1/2" - 13 NC)

1шт.

18

D30603

HOSE

- bulkhead union to junction block and tube assembly (21-1/4" long)

2шт.

19

D23906

ELBOW

- special, 45 degrees

2шт.

20

D28040

STEM

JUNCTION BLOCK AND TUBE ASSEMBLY

1шт.

21

221-12

PLUG,Sq Hd, 1/4"-18

- pipe, sq. hd. (1/4" NPT)

1шт.

22

13-828

BOLT,Hex, 1/2" - 13 x 1-3/4", Gr 5

HHCS - 1/2" - 13 NC x 1-3/4"

2шт.

23

92-8

LOCK WASHER,1/2"

med. sect. 1/2"

2шт.

24

37966

GUARD - tubing

1шт.

25

13-828

BOLT,Hex, 1/2" - 13 x 1-3/4", Gr 5

HHCS - 1/2" - 13 NC x 1-3/4"

4шт.

26

92-8

LOCK WASHER,1/2"

med. sect. 1/2"

4шт.

27

D34003

SPACER - tubing guard

4шт.

28

36801

GEAR

CLAMP - tube

1шт.

29

13-820

BOLT,Hex, 1/2" - 13 x 1-1/4", Gr 5, Full Thd

1шт.

30

92-8

LOCK WASHER,1/2"

med. sect. 1/2"

1шт.

31

D34003

SPACER - tube clamp

1шт.

32

37965

HOSE - inside tube of junction block and tube assembly to tilt cylinder - closed end (19" long), Includes: Ref. 34

1шт.

33

D28212

HOSE - outside tube of junction block and tube assembly to tilt cylinder - rod end (19" long), Includes: Ref. 34

1шт.

34

237-6010

O-RING,0.097" Thk x 0.755" ID, -910, Cl 6, 90 Duro

10-1, 90 Duro, .755" ID x .097" Thk

1шт.

35

D28020

CLAMP - tube

2шт.

36

13-532

BOLT,Hex, 5/16" - 18 x 2", Gr 5

1шт.

37

92-5

LOCK WASHER,5/16"

med sect. 5/16"

1шт.

38

9635082

NUT,5/16" - 18, Gr 5

- hex. (5/16" - 18 NC)

1шт.

39

D28211

TUBE

- hose to tilt cylinder - closed end

1шт.

40

D25667

ELBOW

- special, Includes: Ref. 41

1шт.

41

237-6010

O-RING,0.097" Thk x 0.755" ID, -910, Cl 6, 90 Duro

10-1, 90 Duro, .755" ID x .097" Thk

1шт.

42

REF

INSTRUCTION

CYLINDER - tilt (See figure 272 for cylinders)

1шт.

43

39631

FLEXIBLE HOSE

GUARD - tilt cylinder, front

1шт.

44

39634

HOSE

Guard, Tilt Cylinder, Rear

1шт.

45

13-812

BOLT,Hex, 1/2" - 13 x 3/4", Gr 5

HHCS - 1/2" - 13 NC x 3/4"

6шт.

46

92-8

LOCK WASHER,1/2"

med. sect. 1/2"

6шт.

47

D20188

PIN - mounting, Serial Range: cylinder-blade

1шт.

48

13-888

BOLT,Hex, 1/2" - 13 x 5-1/2", Gr 5

1шт.

49

D20149

PIN - mounting, blade to push beam

1шт.

50

13-896

BOLT,Hex, 1/2" - 13 x 6", Gr 5

1шт.

51

92-8

LOCK WASHER,1/2"

med. sect. 1/2"

2шт.

52

25-108

NUT,1/2"-13, G5

- hex. (1/2" - 13 NC)

2шт.

Выбрано товаров: 52