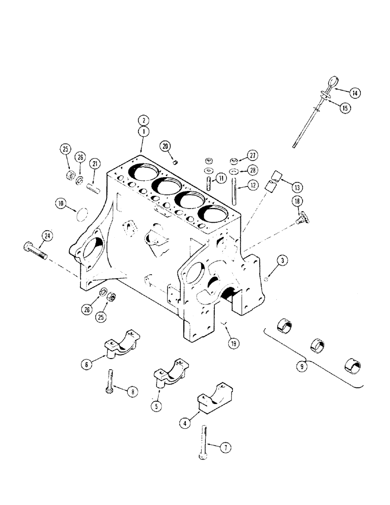
Запчасти Case 310G (011A) - CYLINDER BLOCK ASSY., (148B) SPARK IGNITION ENG., CASTING NO. A36779 W/ BRACKET MOUNTED OIL FILTER (01) - ENGINE

Схема запчастей Case 310G - (011A) - CYLINDER BLOCK ASSY., (148B) SPARK IGNITION ENG., CASTING NO. A36779 W/ BRACKET MOUNTED OIL FILTER (01) - ENGINE
FIT
1:1
100%

Артикул

Название

Примечание

Количество

1

A40586

SKELETON ENGINE

SHORT BLOCK ASSY - (Includes stripped block, crankshaft & bearings, camshaft & gear, pistons & rods, sleeves and oil pump), Includes: Ref. 2 - 21

1шт.

2

A40584

X

BLOCK ASSY - stripped (Casting no. A36779) (Order A37828 from figure 10), Includes: Ref. 3 - 14

1шт.

3

217-433

PLUG,Hex Soc, 1/4" - 18 NPTF

Oil gallery Hex Soc, 1/4"-18 NPTF

3шт.

4

G2035

CAP

- front bearing, crankshaft

1шт.

5

G2036

CAP

- center bearing, crankshaft

1шт.

6

G2037

CAP

- rear bearing, crankshaft

1шт.

7

G49059

BOLT

- front brg. cap & oil pump (1/2 x 4-3/4")

2шт.

8

G49037

BOLT

- bearing cap (1/2 x 3")

4шт.

9

A41225

KIT

BUSHING SET - camshaft

1шт.

10

A39241

PLUG,Exp, 2.12" dia

- rear (2-1/8" expansion type)

1шт.

11

A30057

STUD

- head to block (1/2" N.C. - N.F. x 2")

9шт.

12

A29436

STUD

- head to block (1/2" N.C. - N.F. x 2")

5шт.

13

A37149

TUBE

- dipstick & oil filler

1шт.

14

A37148

DIPSTICK

- oil level

1шт.

15

F62075

O-RING,0.139" Thk x 0.734" ID, -210, Cl 5, 75 Duro

"O" RING - seal (3/4 x 1 x 1/8")

2шт.

18

A23656

COCK, DRAIN

VALVE - drain (1/4" P.T.)

1шт.

19

A29442

RING

- dowel, timing gear cover

2шт.

20

221-1850

PLUG,Hex Soc, 1/16"-27

- pipe, 1/16" socket hd. (L.H. side)

1шт.

21

A29363

STUD

- clutch housing (5/8" N.C. - N.F. x 2-1/4")

2шт.

24

A30129

BOLT

- clutch housing (5/8 x 2-3/4" N.F. hex.)

2шт.

25

25-1110

NUT,5/8"-18, G5

- 5/8" N.F. hex.

4шт.

26

92-10

LOCK WASHER,5/8"

WASHER, LOCK, 5/8"

4шт.

27

A30021

NUT

- head stud (1/2" N.F. hex.)

14шт.

Выбрано товаров: 23