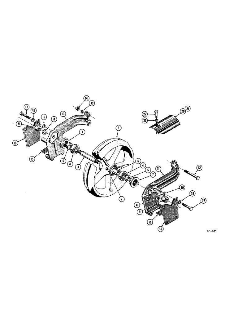
Запчасти Case 310G (142[1]) - IDLER WHEEL (04) - UNDERCARRIAGE

Схема запчастей Case 310G - (142[1]) - IDLER WHEEL (04) - UNDERCARRIAGE
FIT
1:1
100%

Артикул

Название

Примечание

Количество

1

D32440

HUB

- idler wheel

2шт.

2

219-49

LUBE NIPPLE,90 Degree Elbow, 1/4" - 18 NPTF

FITTING - grease, 67-1/2 degrees (1/4" NPT)

2шт.

D32569

KIT

- service, Includes: Ref. 3 - 9

2шт.

3

D32441

SHAFT

- idler

1шт.

4

40011

BEARING,1.378" ID x 3.1496" OD x 0.8268"

- ball

2шт.

5

D31806

BUSHING,34.92mm ID x 52.32mm OD x 19.43mm L

SPACER - outer

2шт.

6

D32442

SPACER

- inner

1шт.

7

D31322

SEAL

- oil

2шт.

8

195-2100

WASHER,1 1/32" x 2" x .238"

- special (1-1/32")

2шт.

9

230-41116

NUT,1"-8, GA

NUT - lock (1" - 8 NC)

2шт.

D32444

BRACKET

- set, idler wheel, Includes: Ref. 10 - 14

2шт.

10

NSS

NOT SOLD SEPARAT

BRACKET - idler wheel, R.H.

1шт.

11

NSS

NOT SOLD SEPARAT

BRACKET - idler wheel, L.H.

1шт.

12

13-1060

BOLT,Hex, 5/8" - 11 x 3-3/4", Gr 5

HHCS - 5/8" - 11 NC x 3-3/4"

2шт.

13

92-10

LOCK WASHER,5/8"

WASHER, LOCK, 5/8"

2шт.

14

25-1010

NUT,5/8"-11, G5

2шт.

15

31797

PLATE

- wear

4шт.

16

31796

PLATE - box

4шт.

17

13-824

BOLT,Hex, 1/2" - 13 x 1-1/2", Gr 5, Full Thd

16шт.

18

92-8

LOCK WASHER,1/2"

med. sect. 1/2"

16шт.

19

A30752

WASHER

- special

16шт.

20

D26698

SHIELD

- sliding, R.H.

1шт.

21

D26697

SHIELD

- sliding, L.H.

1шт.

22

13-612

BOLT,Hex, 3/8" - 16 x 3/4", Gr 5, Full Thd

4шт.

23

92-6

LOCK WASHER,3/8"

med. sect. 3/8"

4шт.

Выбрано товаров: 25