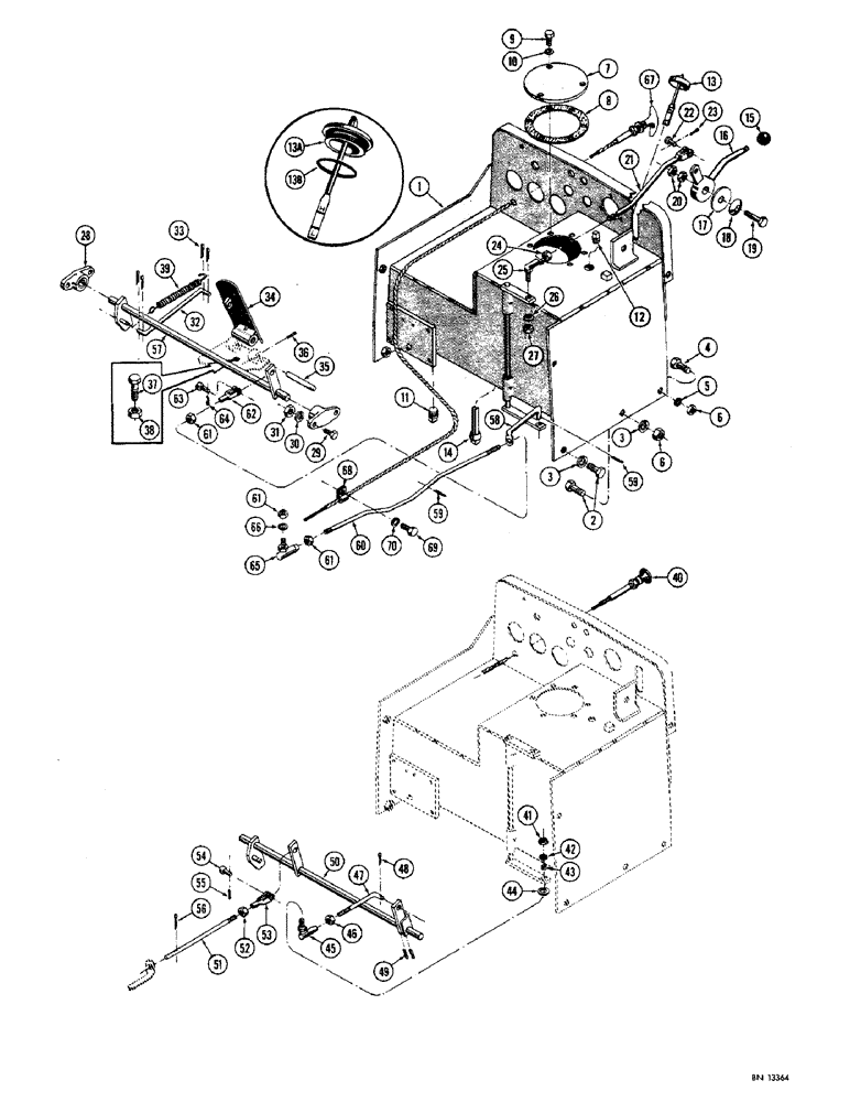
Запчасти Case 310G (120) - COWL DASH. AND THROTTLE CONTROL (05) - UPPERSTRUCTURE CHASSIS

Схема запчастей Case 310G - (120) - COWL DASH. AND THROTTLE CONTROL (05) - UPPERSTRUCTURE CHASSIS
FIT
1:1
100%

Артикул

Название

Примечание

Количество

1

D33209

COWL AND DASH

1шт.

2

13-816

BOLT,Hex, 1/2" - 13 x 1", Gr 5, Full Thd

4шт.

3

92-8

LOCK WASHER,1/2"

med. sect. 1/2"

4шт.

4

77-816

THMS - 1/2" - 13 NC x 1"

2шт.

5

193-32

LOCK WASHER,Int Tooth, 1/2"

WASHER, LOCK, Int Tooth, 1/2"

2шт.

6

25-108

NUT,1/2"-13, G5

- hex. (1/2" - 13 NC)

4шт.

7

37758

HOSE

COVER - filter hole (Models with hydraulic system, see figure 160, ref. no. 54)

1шт.

8

36321

GASKET

- filter hole cover

1шт.

9

14-616

BOLT,Hex, 3/8" - 24 x 1", Gr 5

HHCS - 3/8" - 24 NF x 1"

3шт.

10

92-6

LOCK WASHER,3/8"

med. sect. 3/8"

3шт.

11

221-2

DRAIN PLUG,Sq Hd, 1/4"-18 NPTF

PLUG - pipe, square head (1/4" NPT) models with hydraulic system, see figure 162

1шт.

12

221-7

DRAIN PLUG,Sq Hd, 1 1/4"-11 1/2 NPTF

PLUG - pipe, square head (1-1/4" NPT)

1шт.

13

35072

CAP - filler, includes dipstick (Use before tractor S/N 3024492)

1шт.

13a

D35919

DIPSTICK

CAP - filler, includes dipstick (Use with tractor S/N 3024492 and after)

1шт.

13b

A7552

O-RING,0.21" Thk x 1.975" ID, -329, Cl 5, 75 Duro

SEAL - "O" ring (Use with D35919 only)

1шт.

14

221-751

PLUG - magnetic, square head (3/4" NPT) 3/4"-14

1шт.

15

70213

KNOB

- throttle lever

1шт.

16

D33924

THROTTLE

LEVER - throttle

1шт.

17

R15071

DISC

- friction

1шт.

18

R14771

WASHER

- spring

1шт.

19

13-836

BOLT,Hex, 1/2" - 13 x 2-1/4", Gr 5

HHCS - 1/2" - 13 NC x 2-1/4"

1шт.

20

25-148

JAM NUT,Jam, 1/2"-13, G5

- hex, jam (1/2"-13 NC)

2шт.

21

D33925

ROD

- throttle lever

1шт.

22

141-3

CLEVIS PIN,5/16" x .940"

PIN, CLEVIS, 5/16" x .940"

1шт.

23

132-25

COTTER PIN,3/32" x 5/8"

Pin, Split (Cotter), 3/32" x 5/8"

1шт.

24

25-115

NUT,5/16"-24, G5

- hex (5/16"-24 NF)

1шт.

25

A19105

BALL JOINT

- adjustable

1шт.

26

92-5

LOCK WASHER,5/16"

med sect. 5/16"

1шт.

27

25-115

NUT,5/16"-24, G5

- hex (5/16"-24 NF)

1шт.

28

D33219

FLANGE

BEARING - pivot shaft

2шт.

29

13-616

BOLT,Hex, 3/8" - 16 x 1", Gr 5, Full Thd

4шт.

30

92-6

LOCK WASHER,3/8"

med. sect. 3/8"

4шт.

31

25-106

NUT,3/8"-16, G5

- hex. (3/8" - 16 NC)

4шт.

32

D33222

LINK - foot throttle to pivot shaft

1шт.

33

132-25

COTTER PIN,3/32" x 5/8"

Pin, Split (Cotter), 3/32" x 5/8"

4шт.

34

D33215

PEDAL - foot throttle

1шт.

35

R17364

SHAFT

- foot throttle

1шт.

36

135-737

GROOVED PIN,5/32" x 1", Type E

PIN, GROOVED, , R17364 shaft 5/32" x 1", Type E

1шт.

37

13-832

BOLT,Hex, 1/2" - 13 x 2", Gr 5

1шт.

38

25-148

JAM NUT,Jam, 1/2"-13, G5

- hex, jam (1/2"-13 NC)

1шт.

39

D42889

SPRING

- throttle return

1шт.

40

D27165

CONTROL - choke, gas models only

1шт.

41

25-114

NUT,1/4"-28, G5

- hex. (1/4" - 28 NF), gas models only

1шт.

42

92-4

LOCK WASHER,1/4"

WASHER, LOCK, , Gas models only 1/4"

1шт.

43

D28891

BRONZE BUSHING

BUSHING, gas models only

1шт.

44

95-4

WASHER,1/4"

- plain, gas models only

1шт.

45

A10329

BALL JOINT,1/4" - 28 x 1"

- adjustable, gas models only

1шт.

46

25-114

NUT,1/4"-28, G5

- hex. (1/4" - 28 NF), gas models only

1шт.

47

D27131

LINK

- throttle control, gas models only

1шт.

48

132-25

COTTER PIN,3/32" x 5/8"

Pin, Split (Cotter), 3/32" x 5/8"

1шт.

49

132-47

COTTER PIN,1/8" x 7/8"

Pin, Split (Cotter), 1/8" x 7/8"

2шт.

50

D33223

SHAFT - pivot, foot throttle

1шт.

51

D27130

ROD - throttle

1шт.

52

25-114

NUT,1/4"-28, G5

- hex. (1/4" - 28 NF)

1шт.

53

213-2

ADJUSTABLE CLEVIS,1/4"-28 x 2"

YOKE - end, adjustable

1шт.

54

141-2

CLEVIS PIN,1/4" x .770"

PIN - clevis (1/4")

1шт.

55

132-5

COTTER PIN,1/16" x 1/2"

Pin, Split (Cotter), 1/16" x 1/2"

1шт.

56

132-25

COTTER PIN,3/32" x 5/8"

Pin, Split (Cotter), 3/32" x 5/8"

2шт.

57

D33224

CONTROL BLOCK

SHAFT - pivot, foot throttle, diesel models only

1шт.

58

D26783

LINK

- throttle lever, diesel models only

1шт.

59

132-25

COTTER PIN,3/32" x 5/8"

Pin, Split (Cotter), , Diesel models only 3/32" x 5/8"

1шт.

60

D33225

ROD

- throttle, diesel models only

1шт.

61

25-114

NUT,1/4"-28, G5

- hex. (1/4" - 28 NF), diesel models only

3шт.

62

213-2

ADJUSTABLE CLEVIS,1/4"-28 x 2"

YOKE - end, adjustable, diesel models only

1шт.

63

141-2

CLEVIS PIN,1/4" x .770"

PIN - clevis (1/4"), diesel models only

1шт.

64

132-5

COTTER PIN,1/16" x 1/2"

Pin, Split (Cotter), , Diesel models only 1/16" x 1/2"

1шт.

65

A10329

BALL JOINT,1/4" - 28 x 1"

- adjustable, diesel models only

1шт.

66

92-4

LOCK WASHER,1/4"

WASHER, LOCK, , Diesel models only 1/4"

1шт.

67

D26791

CONTROL - engine shut-off (For service, use D22773), diesel models only

1шт.

D22773

CONTROL

- engine shut-off, diesel models only

1шт.

68

A26673

CLIP

CLAMP - engine shut-off control, diesel models only

1шт.

69

13-48

BOLT,Hex, 1/4" - 20 x 1/2", Gr 5

Diesel models only Hex, 1/4"-20 x 1/2", G5, Full Thd

1шт.

70

92-4

LOCK WASHER,1/4"

WASHER, LOCK, , Diesel models only 1/4"

1шт.

Выбрано товаров: 73