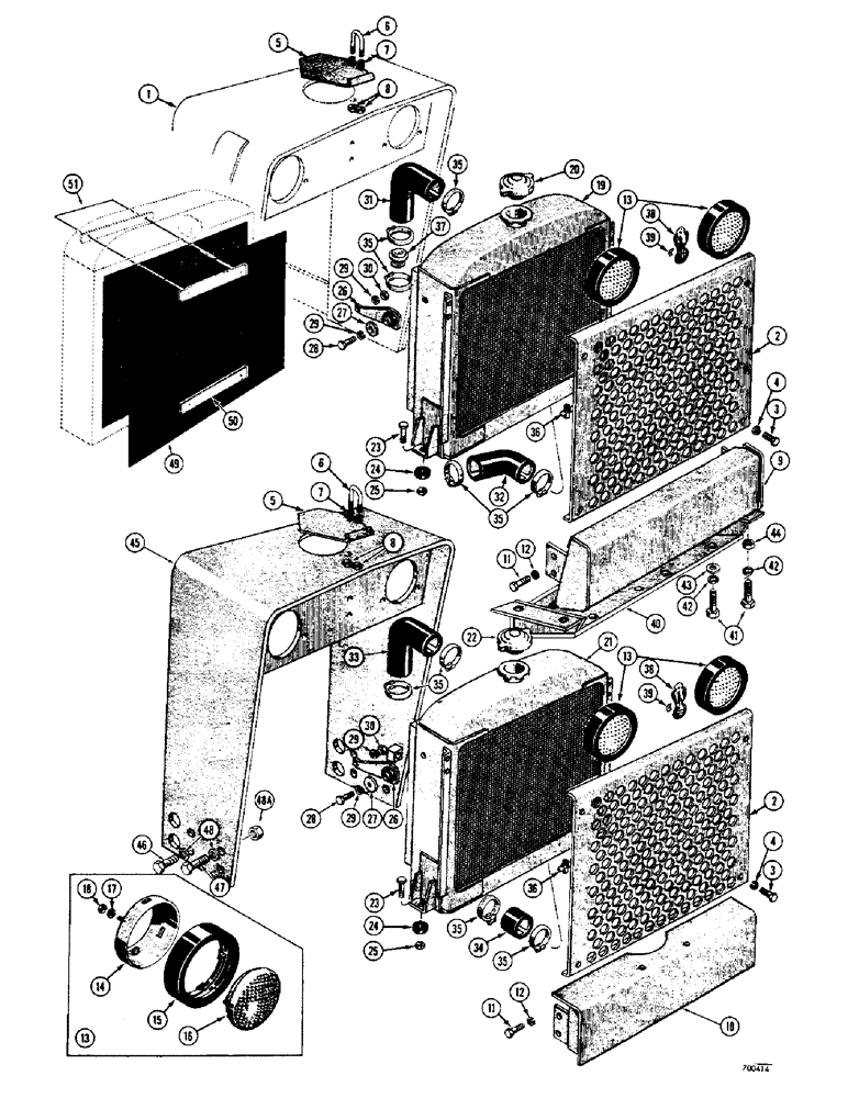
Запчасти Case 310G (124) - RADIATOR, THERMOSTAT AND GRILLE (05) - UPPERSTRUCTURE CHASSIS

Схема запчастей Case 310G - (124) - RADIATOR, THERMOSTAT AND GRILLE (05) - UPPERSTRUCTURE CHASSIS
FIT
1:1
100%

Артикул

Название

Примечание

Количество

1

D33059

GUARD - grille (Loader Models)

1шт.

2

D29964

GRILLE - radiator

1шт.

3

13-816

BOLT,Hex, 1/2" - 13 x 1", Gr 5, Full Thd

4шт.

4

92-8

LOCK WASHER,1/2"

med. sect. 1/2"

4шт.

5

D30074

LID

- radiator

1шт.

6

D29688

U-BOLT

"U" BOLT - radiator lid

1шт.

7

23098

SPRING

- radiator lid "U" bolt

2шт.

8

131-365

LOCK NUT

NUT - lock (5/16" - 18 NC)

2шт.

9

D33203

FENDER

BUMPER - all models without backhoe

1шт.

10

D26239

BUMPER - all models with backhoe

1шт.

11

13-828

BOLT,Hex, 1/2" - 13 x 1-3/4", Gr 5

HHCS - 1/2" - 13 NC x 1-3/4"

4шт.

12

92-8

LOCK WASHER,1/2"

med. sect. 1/2"

4шт.

13

D30243

LAMP

LIGHT- head, Includes: Ref. 14 - 16

2шт.

14

NSS

NOT SOLD SEPARAT

FRAME - lamp retaining

1шт.

15

D31441

RETAINER

- rubber (Use only with Guide Lamp)

1шт.

A25213

RETAINER

- rubber (Use only with Hobbs)

1шт.

16

D33182

LAMP

- sealed unit

1шт.

17

192-18

LOCK WASHER,Helical Spring, #10, 0.196" ID, CST, ZND

WASHER, LOCK, #10

6шт.

18

129-17

NUT,Hex, #10 - 24

NUT - hex. (No. 10 - 24 NC) zinc plated

6шт.

19

D21839

RADIATOR - Gas Models only, Includes: Ref. 20

1шт.

20

D25826

CAP

- pressure, radiator (7 P.S.I.)

1шт.

21

D26522

RADIATOR - Diesel Models only, Includes: Ref. 22

1шт.

22

D25826

CAP

- pressure, radiator (7 P.S.I.)

1шт.

23

13-824

BOLT,Hex, 1/2" - 13 x 1-1/2", Gr 5, Full Thd

2шт.

24

D23003

SHOCK ABSORBER

WASHER - vibration

2шт.

25

131-354

LOCK NUT,1/2"-13, GA

NUT - lock (1/2" - 13 NC)

2шт.

26

D27991

SUPPORT - radiator (When stock is exhausted, use D50208)

2шт.

26

D50208

SUPPORT

- radiator

2шт.

27

D22988

WASHER

- snubbing

2шт.

28

13-624

BOLT,Hex, 3/8" - 16 x 1-1/2", Gr 5

HHCS - 3/8" - 16 NC x 1-1/2"

2шт.

29

92-6

LOCK WASHER,3/8"

med. sect. 3/8"

4шт.

30

25-106

NUT,3/8"-16, G5

- hex. (3/8" - 16 NC)

2шт.

31

D21961

HOSE,1.75" ID x 5.13", SAE 20R4

RADIATOR HOSE, , Inlet, Upper (Gas Models Only) 1.75" ID x 5.13", SAE 20R4

1шт.

32

D21960

HOSE,1.75" ID x 4.56", SAE 20R4

RADIATOR HOSE, , Outlet (Gas Models Only) 1.75" ID x 4.56", SAE 20R4

1шт.

33

D26526

HOSE,2.13" ID x 4.81", SAE 20R4

RADIATOR HOSE, , Upper (Diesel Models Only) 2.13" ID x 4.81", SAE 20R4

1шт.

34

D26525

HOSE

- radiator, lower (Diesel Models only)

1шт.

35

214-260

HOSE CLAMP,#36, 1.81" - 2.75", Type F Worm

(5 used on Gas Models - 4 used on Diesel Models) #36, 1.81/2.75 Type F Worm

4-5шт.

36

217-92

COCK

DRAINCOCK - special

1шт.

37

G11005

CASE

THERMOSTAT - Gas Models only (For diesel thermostat see figure 38)

1шт.

38

D40300

EMBLEM

MEDALLION - Case Eagle

1шт.

39

D41526

NUT - Tinnerman (Push on type)

2шт.

40

36979

SPACER

SUPPORT - bumper (Drawbar Models only)

1шт.

41

13-820

BOLT,Hex, 1/2" - 13 x 1-1/4", Gr 5, Full Thd

8шт.

42

92-8

LOCK WASHER,1/2"

med. sect. 1/2"

8шт.

43

195-33

WASHER,1/2"

- plain () 1/2"

4шт.

44

25-108

NUT,1/2"-13, G5

- hex. (1/2" - 13 NC)

2шт.

45

D33964

GUARD - grille (Drawbar and Dozer Models)

1шт.

46

13-820

BOLT,Hex, 1/2" - 13 x 1-1/4", Gr 5, Full Thd

4шт.

47

13-824

BOLT,Hex, 1/2" - 13 x 1-1/2", Gr 5, Full Thd

4шт.

48

92-8

LOCK WASHER,1/2"

med. sect. 1/2"

8шт.

48a

25-108

NUT,1/2"-13, G5

- hex. (1/2" - 13 NC) Loader Models only

4шт.

D13459

KIT - anti-sandblast, Includes: Ref. 49 - 51

1шт.

49

NSS

NOT SOLD SEPARAT

SCREEN - sandblast (For use with pusher fan only)

1шт.

50

R14077

STRAP

- guard, radiator

4шт.

51

R14078

ELECTRICAL WIRE

WIRE

2шт.

Выбрано товаров: 55