Запчасти Case 310G (128) - HOOD AND AIR CLEANER - GAS (05) - UPPERSTRUCTURE CHASSIS

Схема запчастей Case 310G - (128) - HOOD AND AIR CLEANER - GAS (05) - UPPERSTRUCTURE CHASSIS
FIT
1:1
100%

Артикул

Название

Примечание

Количество

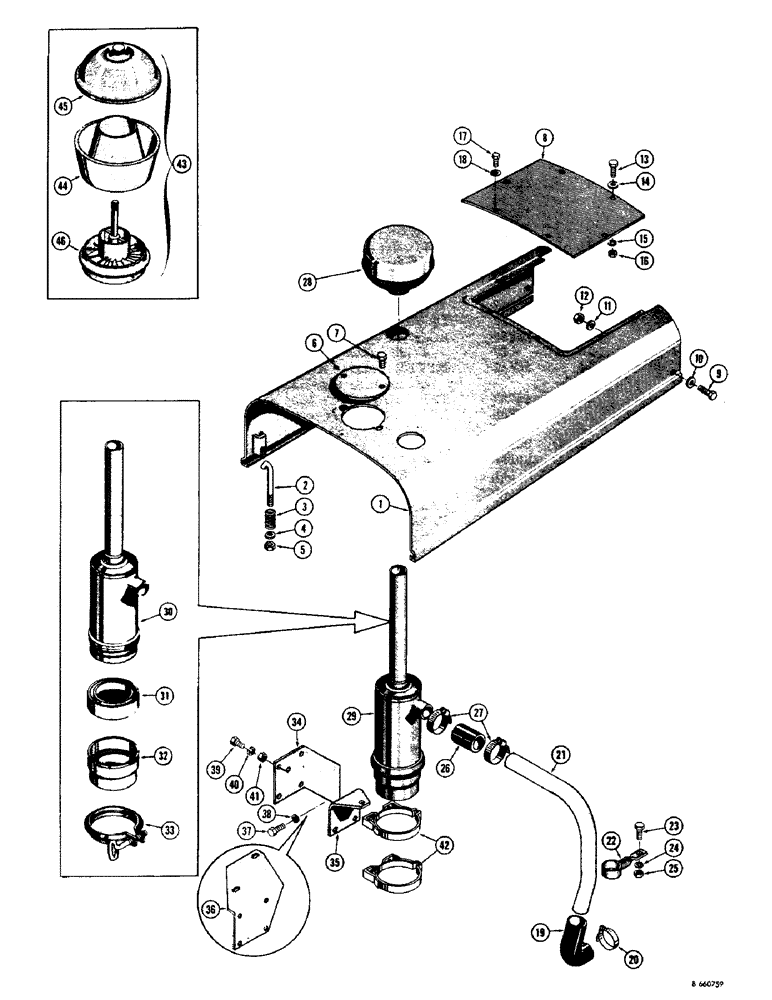
1

D33953

HOOD - engine

1шт.

2

D33958

BOLT

- hold down, hood

2шт.

3

F60482

SPRING

- hood hold down bolt

2шт.

4

195-25

WASHER,3/8"

- plain () 3/8"

2шт.

5

131-352

LOCK NUT,3/8"-16, GA

NUT - lock (3/8" - 6 NC)

2шт.

6

D29977

CAP - hood

1шт.

7

114-2

BOLT,Hex, 1/4" - 28 x 1/2", Gr 5

HHCS - 1/4" - 28 NF x 1/2" (Zinc plated)

2шт.

8

D29976

COVER - access

1шт.

9

13-612

BOLT,Hex, 3/8" - 16 x 3/4", Gr 5, Full Thd

4шт.

10

195-25

WASHER,3/8"

- plain () 3/8"

4шт.

11

92-6

LOCK WASHER,3/8"

med. sect. 3/8"

4шт.

12

25-106

NUT,3/8"-16, G5

- hex. (3/8" - 16 NC)

4шт.

13

113-206

BOLT,Hex, 3/8" - 16 x 3/4", Gr 5, Full Thd

2шт.

14

195-525

WASHER,3/8", SAE

- plain (3/8") zinc plated

2шт.

15

192-21

LOCK WASHER,3/8"

WASHER, LOCK, 3/8"

2шт.

16

129-103

NUT,Hex, 3/8" - 16, Gr 5

NUT, 3/8"-16, G5

2шт.

17

114-2

BOLT,Hex, 1/4" - 28 x 1/2", Gr 5

HHCS - 1/4" - 28 NF x 1/2" (Zinc plated)

4шт.

18

192-19

LOCK WASHER,Helical Spring, 0.256" ID, CST, ZND

WASHER, LOCK, 1/4"

4шт.

19

D27155

ELBOW

- hose, carb. to air cleaner (Lower sect.)

1шт.

20

214-258

HOSE CLAMP,#28, 1.31" - 2.25", Type F Worm

2шт.

21

D27136

TUBE - carb. to air cleaner (Center sect.)

1шт.

22

38289

CLAMP - air cleaner tube

1шт.

23

13-412

BOLT,Hex, 1/4" - 20 x 3/4", Gr 5, Full Thd

1шт.

24

92-4

LOCK WASHER,1/4"

WASHER, LOCK, 1/4"

1шт.

25

25-104

NUT,1/4"-20, G5

1шт.

26

R14169

HOSE

- carb. to air cleaner (Upper section)

1шт.

27

214-258

HOSE CLAMP,#28, 1.31" - 2.25", Type F Worm

2шт.

28

A30532

CAP

- inlet

1шт.

29

D24939

CLEANER

AIR CLEANER, Includes: Ref. 30 - 33

1шт.

30

NSS

NOT SOLD SEPARAT

BODY - air cleaner

1шт.

31

D26377

X

CUP - oil, inner

1шт.

32

D26371

CUP - oil, outer

1шт.

33

D26370

CLAMP

- retaining, oil cup

1шт.

34

D36079

BRACKET - mounting, air cleaner (Use with D21733 only)

1шт.

35

D27133

BRACKET - support, air cleaner (When stock is exhausted, use 1 - D36079, 4 - 13-512, 4 - 25-105, and 4 - 92-5

1шт.

36

D36079

BRACKET - mounting, air cleaner

1шт.

37

13-58

BOLT,Hex, 5/16" - 18 x 1/2", Gr 5

2шт.

38

92-5

LOCK WASHER,5/16"

med sect. 5/16"

2шт.

39

13-512

BOLT,Hex, 5/16" - 18 x 3/4", Gr 5

5шт.

40

92-5

LOCK WASHER,5/16"

med sect. 5/16"

5шт.

41

9635082

NUT,5/16" - 18, Gr 5

HUT - hex. (5/16" - 18 NC)

5шт.

42

D27245

COLLAR CLAMP

BAND - mounting, air cleaner

2шт.

43

D20605

PRECLEANER

PRE-CLEANER - air (Optional), Includes: Ref. 44 - 46

1шт.

44

D30675

BODY

- pre-cleaner

1шт.

45

D30676

COVER

- pre-cleaner

1шт.

46

D36078

TUBE

SLEEVE - pre-cleaner

1шт.

Выбрано товаров: 46