Запчасти Case 310G (246) - THREE POINT HITCH (05) - UPPERSTRUCTURE CHASSIS

Схема запчастей Case 310G - (246) - THREE POINT HITCH (05) - UPPERSTRUCTURE CHASSIS
FIT
1:1
100%

Артикул

Название

Примечание

Количество

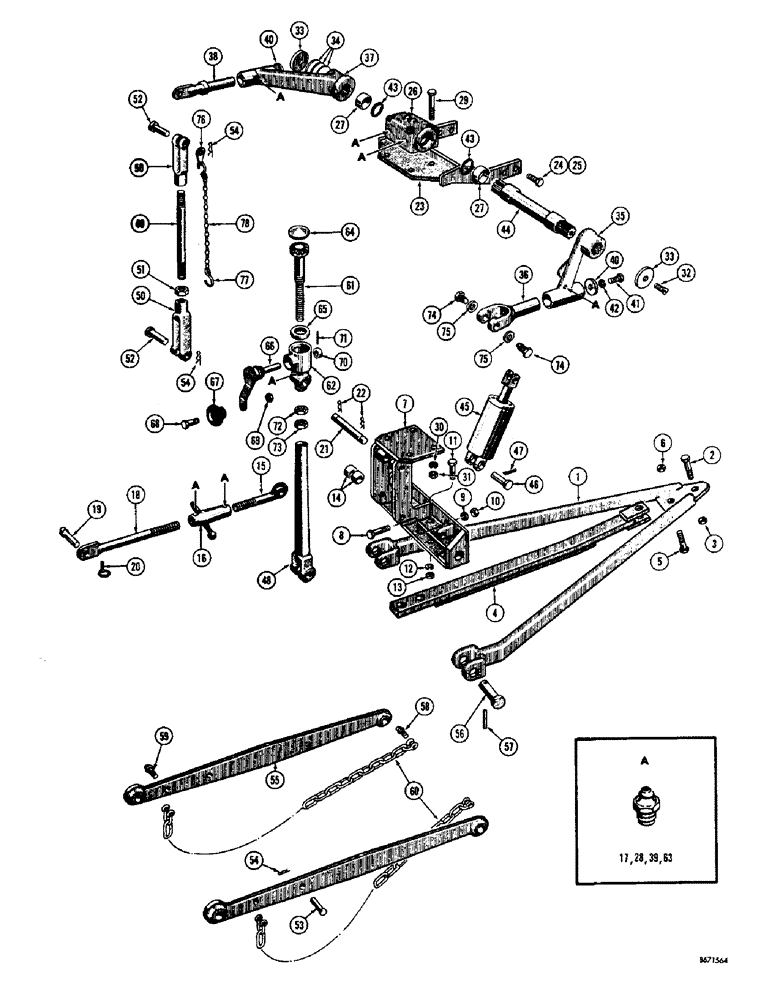
1

D20635

AMR - mounting, drawbar

1шт.

2

13-1656

BOLT,Hex, 1" - 8 x 3-1/2", Gr 5

HHCS - 1" - 8 NC x 3-1/2"

1шт.

3

230-41116

NUT,1"-8, GA

NUT - hex. (1" - 8 NC)

1шт.

4

39778

SCREW

DRAWBAR - three point hitch

1шт.

5

13-1664

BOLT,Hex, 1" - 8 x 4", Gr 5

1шт.

6

230-41116

NUT,1"-8, GA

NUT - lock (1" - 8 NC)

1шт.

7

D20636

BRACKET - mounting, three point hitch

1шт.

8

13-1028

BOLT,Hex, 5/8" - 11 x 1-3/4", Gr 5, Full Thd

4шт.

9

92-10

LOCK WASHER,5/8"

WASHER, LOCK, 5/8"

4шт.

10

25-1010

NUT,5/8"-11, G5

4шт.

11

13-872

BOLT,Hex, 1/2" - 13 x 4-1/2", Gr 5

2шт.

12

92-8

LOCK WASHER,1/2"

med. sect. 1/2"

2шт.

13

25-108

NUT,1/2"-13, G5

- hex. (1/2" - 13 NC)

2шт.

14

D20483

SPACER - mounting, front depth adjusting screw

2шт.

15

A7240

SCREW - depth adjusting, front (L.H. thread), turnbuckle

1шт.

16

A7821

TURNBUCKLE - depth adjusting screw

1шт.

17

219-1

LUBE NIPPLE,1/8" - 27 NPTF

FITTING - grease, straight (1/8" NPT), turnbuckle

2шт.

18

D20622

LINK - depth adjusting, rear (R.H. thread), turnbuckle

1шт.

19

G16735

PIN

- mast, turnbuckle

1шт.

20

A30338

PIN

- keeper, mast pin, turnbuckle

1шт.

21

39798

BRACKET

PIN - depth adjusting link, turnbuckle

1шт.

22

VC1419

X

PIN - hair pin, cotter, turnbuckle

2шт.

23

D33890

STRAP - hanger, rockshaft and housing

1шт.

24

13-1236

BOLT,Hex, 3/4" - 10 x 2-1/4", Gr 5

Rockshaft and housing Hex, 3/4"-10 x 2 1/4", G5

4шт.

25

13-836

BOLT,Hex, 1/2" - 13 x 2-1/4", Gr 5

HHCS - 1/2" - 13 NC x 2-1/4", rockshaft and housing

4шт.

26

D33977

HOUSING

- rockshaft, Includes: Ref. 27

1шт.

27

A23422

BUSHING

- rockshaft housing

2шт.

28

219-1

LUBE NIPPLE,1/8" - 27 NPTF

FITTING - grease, straight (1/8" NPT), rockshaft and housing

2шт.

29

13-1080

BOLT,Hex, 5/8" - 11 x 5", Gr 5

HHCS - 5/8" - 11 NC x 5", rockshaft and housing

4шт.

30

92-10

LOCK WASHER,5/8"

WASHER, LOCK, , Rockshaft and housing 5/8"

4шт.

31

25-1010

NUT,5/8"-11, G5

Rockshaft and housing 5/8"-11, G5

4шт.

32

73-616

SCREW,Slotted Flat Hd, 3/8"-16 x 1"

- machine, flat head (3/8" - 16 NC x 1"), rockshaft and housing

2шт.

33

A27679

PLATE - lock, lift arm, rockshaft and housing

2шт.

34

A27678

SHIM - rockshaft lock plate, L.H., housing

3шт.

35

D20612

ARM - rockshaft lift, R.H., housing

1шт.

36

A35019

END

SWIVEL - lift arm, R.H., rockshaft and housing

1шт.

37

D20614

ARM ASSY.

ARM - rockshaft lift, L.H., housing

1шт.

38

G16755

SWIVEL - L.H. lift arm, rockshaft and housing

1шт.

39

219-1

LUBE NIPPLE,1/8" - 27 NPTF

FITTING - grease, straight (1/8" NPT), rockshaft and housing

2шт.

40

G16747

WASHER - retainer, lift arm swivel, rockshaft and housing

2шт.

41

13-612

BOLT,Hex, 3/8" - 16 x 3/4", Gr 5, Full Thd

Rockshaft and housing Hex, 3/8"-16 x 3/4", G5, Full Thd

2шт.

42

92-6

LOCK WASHER,3/8"

med. sect., rockshaft and housing 3/8"

2шт.

43

A23423

SEAL

- "O" ring, rockshaft housing

2шт.

44

A23419

ROCKSHAFT, housing

1шт.

45

A11231

CYLINDER

- hydraulic (Parts list figure 284), draft arms, lift links

1шт.

46

A27344

PIN - mounting, cylinder, draft arms, lift links

2шт.

47

132-150

COTTER PIN,1/4" x 1 1/2"

Pin, Split (Cotter), , Draft arms, cylinder and lift links 1/4" x 1 1/2"

2шт.

48

A35195

YOKE

- leveling screw, draft arms, cylinder and lift links, Includes: Ref. 49 - 51

1шт.

49

D20652

LINK

ROD - lift link, L.H., draft arms, cylinder

1шт.

50

213-8

CLEVIS,3/4"-16

- lift link rod, L.H. upper and lower, draft arms, cylinder

2шт.

51

25-1112

NUT,3/4"-16, G5

- hex. (3/4" - 16 NF), draft arms, cylinder and lift links

1шт.

52

141-8

CLEVIS PIN,3/4" x 1.910", HDN

PIN - 213-8 clevis, draft arms, cylinder and lift links

2шт.

53

A27657

PIN

- A35195 yoke, draft arms, cylinder and lift links

1шт.

54

A29054

HAIR PIN COTTER

- hair pin, cotter, draft arms, cylinder and lift links

3шт.

55

D28996

ARM - draft (When stock is exhausted, use D37077 arm), cylinder and lift links

2шт.

D37077

ARM - draft, cylinder and lift links

2шт.

56

D20629

PIN - mounting, draft arm, cylinder and lift links

2шт.

57

138-141

LOCK PIN,1/4" x 1 7/8", Slotted

PIN, , Draft arms, cylinder and lift links 1/4" x 1 7/8", Slotted

2шт.

58

D21858

SHACKLE - screw, draft arms, cylinder and lift links

2шт.

59

D28997

SHACKLE - screw (When stock is exhausted, use D37078 shackle), draft arms, cylinder and lift links

2шт.

D37078

SHACKLE - screw, draft arms, cylinder and lift links

2шт.

60

D21389

CHAIN - mounting bracket to draft arm, cylinder and lift links

2шт.

61

A35021

ARM

ROD - leveling, with gear, draft arms, cylinder and lift links

1шт.

62

A26236

GEARBOX ASSY

HOUSING - gear, adjusting screw, draft arms, cylinder and lift links

1шт.

63

219-1

LUBE NIPPLE,1/8" - 27 NPTF

FITTING - grease, straight (1/8" NPT), draft arms, cylinder and lift links

1шт.

64

41-30

PLUG

- Welch, 1-7/8" dia., draft arms, cylinder and lift links

1шт.

65

A27655

BEARING, BALL

BEARING - thrust, leveling screw, draft arms, cylinder and lift links

1шт.

66

A28584

CRANK

CRANK - adjusting screw, with gear, draft arms, cylinder and lift links

1шт.

67

A26845

KNOB

- adjusting screw crank, draft arms, cylinder and lift links

1шт.

68

A27652

SCREW

BOLT - mounting, knob, draft arms, cylinder and lift links

1шт.

69

25-116

NUT,Hex, 3/8"-24, G5

- hex. (3/8" - 24 NF), draft arms, cylinder and lift links

1шт.

70

A27651

COLLAR

- leveling screw crankshaft, draft arms, cylinder and lift links

1шт.

71

135-45

PIN - O9207AB collar, draft arms, cylinder and lift links

1шт.

72

A27656

NUT

- brass (7/8" - 14 NF), draft arms, cylinder and lift links

1шт.

73

25-1514

JAM NUT,Jam, 7/8"-14, G5

- jam (7/8" - 14 NF), draft arms, cylinder and lift links

1шт.

74

A27658

STUD

PIN - pivot, adjusting screw, draft arms, cylinder and lift links

2шт.

75

F20286

WASHER

- pivot pin, draft arms, cylinder and lift links

1шт.

D20504

CHAIN ASSEMBLY, Includes: Ref. 76 - 78, draft arms, cylinder and lift links

1шт.

76

A28294

RETAINER - chain, draft arms, cylinder and lift links

1шт.

77

A27643

HOOK

"S" HOOK - chain, Includes: Ref. 78, draft arms, cylinder and lift links

2шт.

78

NSS

NOT SOLD SEPARAT

CHAIN, draft arms, cylinder and lift links

1шт.

Выбрано товаров: 81