Запчасти Case 310G (090) - INSTRUMENT PANEL (06) - ELECTRICAL SYSTEMS

Схема запчастей Case 310G - (090) - INSTRUMENT PANEL (06) - ELECTRICAL SYSTEMS
FIT
1:1
100%

Артикул

Название

Примечание

Количество

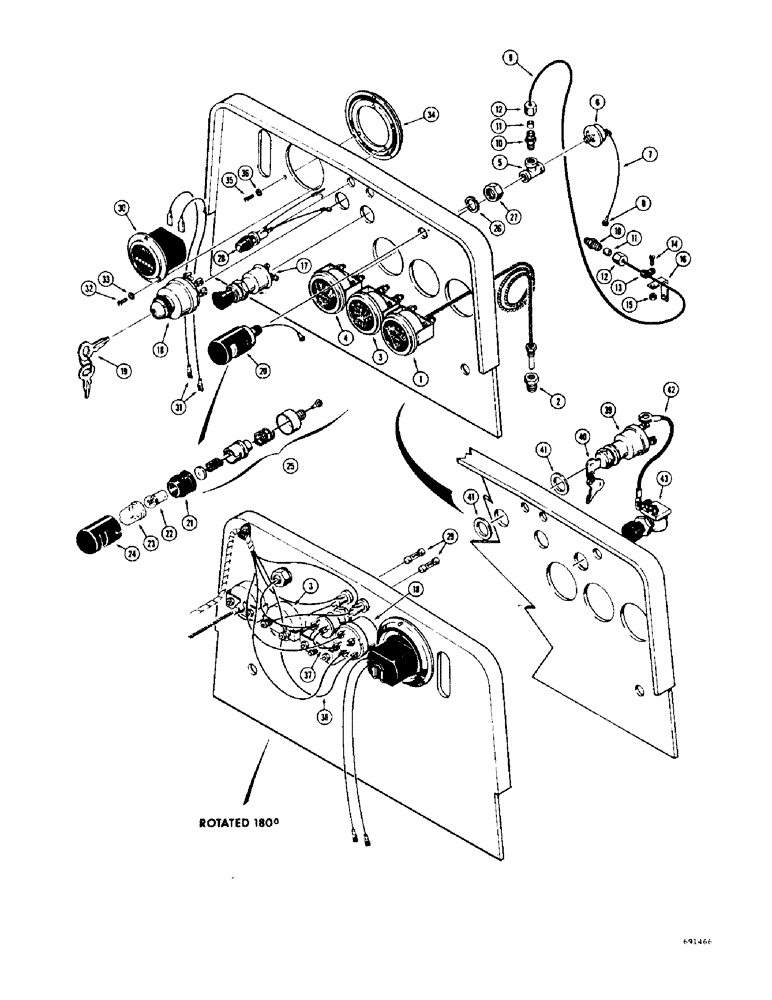
1

11284

ELECTRICAL GAUGE

GAUGE - temperature

1шт.

2

D26015

FITTING

ADAPTER - temperature gauge heat bulb

1шт.

3

R18748

AMMETER

1шт.

4

A30326

GAUGE

- oil pressure (Gas models only)

1шт.

D22853

GAUGE

- oil pressure (Diesel models only)

1шт.

5

221-421

TEE,1/8" NPT

- pipe () 1/8" NPT

1шт.

D28798

SWITCH

OIL PRESSURE SWITCH ASSEMBLY

1шт.

6

NSS

NOT SOLD SEPARAT

SWITCH - oil pressure

1шт.

7

D28797

ELECTRICAL WIRE

WIRE - oil pressure switch

1шт.

8

54772R2

TERMINAL CONNECTOR

TERMINAL - eyelet

1шт.

9

D36961

TUBE

- Nylaflow, oil pressure gauge (Diesel models only)

1шт.

D36944

TUBE

- Nylaflow, oil pressure gauge (Gas models only)

1шт.

D35816

CONNECTOR, ELEC

CONNECTOR - tube, male

2шт.

10

NSS

NOT SOLD SEPARAT

CONNECTOR

1шт.

11

D37176

SLEEVE

- connector

1шт.

12

D37362

TUBE NUT

- connector

1шт.

13

D39234

CLAMP - tube

1шт.

14

169-76

FHMS - no. 8 - 32 NC x 7/16"

1шт.

15

193-1002

NUT,Keps, #8 - 32, w/ Ext Tooth LW

- lock, hex. (No. 8 - 32 NC) Zinc plated

1шт.

16

G11358

BRACKET - tube mounting

1шт.

17

D35065

SWITCH

- light

1шт.

18

A11373

SWITCH

- ignition & starter (Gas models only)

1шт.

D29292

SWITCH - electrical, diesel models (Not illustrated) When stock is exhausted, use D15156 kit for service

1шт.

19

A20346

KEY

- ignition switch

1шт.

20

D33212

INTERIOR LIGHT

DASH LIGHT ASSEMBLY - complete

1шт.

21

NSS

NOT SOLD SEPARAT

MOUNT - rubber

1шт.

22

71421

BULB,R5W, 12V, 5W

- light

1шт.

23

R22232

SIGHTGLASS

LENSE - dash light

1шт.

24

R22237

COVER

- dash light

1шт.

25

NSS

NOT SOLD SEPARAT

BASE ASSEMBLY - dash light

1шт.

26

92-10

LOCK WASHER,5/8"

WASHER, LOCK, 5/8"

1шт.

27

86637932

JAM NUT,Jam, 5/8"-18, G5

NUT - lock, hex. (5/8" - 18 NF)

1шт.

28

D23834

HOLDER

- fuse

2шт.

29

233-25

FUSE - AGC 25 amp. (1/4" dia. x 1-1/4" long)

1шт.

D39286

GAUGE

KIT - engine hour meter

1шт.

30

NSS

NOT SOLD SEPARAT

METER - engine hour

1шт.

31

D39285

ELECTRICAL WIRE

LEAD - wire (36" long)

2шт.

D39284

KIT

PACKET - mounting hardware

1шт.

32

173-61

SCREW,Sl Rnd Hd, #6 - 32 x 1/2"

RHMS - no. 6 - 32 x 1/2"

3шт.

33

193-24

LOCK WASHER,Int Tooth, #6

WASHER, LOCK, Int Tooth, #6

3шт.

34

D35079

DAMPER

DAMPENER - vibration

1шт.

35

173-203

SCREW,Sl Rnd Hd, #6 - 32 x 1/2"

RHMS - no. 6 - 32 NC x 1/2" (Zinc plated)

3шт.

36

192-15

LOCK WASHER,Helical Spring, #6, 0.145" ID, CST, ZND

Washer, Lock, #6

3шт.

37

NLS

NO LONGER SERVICED

WIRE - jumper, light switch to ignition or electrical switch

1шт.

38

71280

WIRE - jumper, ammeter to ignition or electrical switch

1шт.

D15156

IGNITION SWITCH

KIT - ignition switch (Diesel models only)

1шт.

39

D35092

SWITCH

- electrical

1шт.

40

D36822

KEY

- set of two

1шт.

41

A56120

WASHER

- spacer

2шт.

42

33705

GLASS

WIRE - jumper

1шт.

43

D40459

SWITCH

- electrical, starter

1шт.

Выбрано товаров: 0