Запчасти Case 310G (166) - DOZER HYDRAULICS (LIFT CIRCUIT), (USED ON ALL DOZERS EXCEPT HYTECO DOZER) (07) - HYDRAULIC SYSTEM

Схема запчастей Case 310G - (166) - DOZER HYDRAULICS (LIFT CIRCUIT), (USED ON ALL DOZERS EXCEPT HYTECO DOZER) (07) - HYDRAULIC SYSTEM
FIT
1:1
100%

Артикул

Название

Примечание

Количество

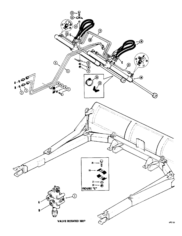
1

REF

INSTRUCTION

VALVE - control, hydraulic (Parker VDP 22) See figure 206 and 208 for proper valve

1шт.

2

218-5062

HYD CONNECTOR,7/8"-14, 37 Degree x 7/8"-14, O-Ring

Male, straight

2шт.

3

237-6010

O-RING,0.097" Thk x 0.755" ID, -910, Cl 6, 90 Duro

1шт.

4

D38158

SPARE PART Upper control valve port to lift cylinder - closed end

1шт.

5

D38156

SPARE PART Lower control valve port to lift cylinder - rod end

1шт.

6

D33316

CLAMP

PLATE - clamp, tube

1шт.

7

13-520

BOLT,Hex, 5/16" - 18 x 1-1/4", Gr 5

1шт.

8

92-5

LOCK WASHER,5/16"

1шт.

9

D33552

BUSHING

SPACER - clamp

1шт.

10

D36077

TUBE

SPARE PART Crossover to lift cylinder - closed end

1шт.

11

D36078

TUBE

SPARE PART Crossover to lift cylinder - rod end

1шт.

12

32978

PLATE ASSY.

Clamp, tube

2шт.

13

13-528

BOLT,Hex, 5/16" - 18 x 1-3/4", Gr 5

2шт.

14

D33552

BUSHING

SPACER - clamp

2шт.

15

D26751

SPARE PART Mounting

2шт.

16

195-21

WASHER,5/16"

Flat

2шт.

17

131-4

LOCK NUT,5/16"-18, GB

2шт.

18

D26792

SPARE PART Crossover tube to lift cylinder (26" long)

4шт.

19

D33316

CLAMP

PLATE - clamp, hose

4шт.

20

13-528

BOLT,Hex, 5/16" - 18 x 1-3/4", Gr 5

2шт.

21

195-21

WASHER,5/16"

Flat

2шт.

22

131-4

LOCK NUT,5/16"-18, GB

2шт.

23

D27785

SPARE PART Cylinder, closed end (Mechanical angling dozer)

2шт.

D28214

SPARE PART Cylinder, closed end (Power angling dozer)

2шт.

D30605

SPARE PART Cylinder, closed end (Power tilt dozer)

2шт.

24

D27783

SPARE PART Cylinder, rod end (Mechanical angling dozer)

2шт.

D28216

SPARE PART Cylinder, rod end (Power angling dozer)

2шт.

D30607

SPARE PART Cylinder, rod end (Power tilt dozer)

2шт.

25

218-5107

90 ELBOW,90 Degree Elbow, 7/8" - 14 Male JIC x 7/8" - 14 Male ORB

Adjustable

3шт.

26

237-6010

O-RING,0.097" Thk x 0.755" ID, -910, Cl 6, 90 Duro

1шт.

27

R19576

FITTING

TEE - special

1шт.

28

237-6010

O-RING,0.097" Thk x 0.755" ID, -910, Cl 6, 90 Duro

1шт.

29

221-11

PLUG,Sq Hd, 1/8"-27

Pipe (1/8" NPT)

1шт.

30

REF

INSTRUCTION

CYLINDER - lift (See figure 220 and 221A for proper cylinders)

2шт.

31

16741

MOLDBOARD - mechanical angling dozer (See figure 164)

1шт.

31

D20266

SPARE PART MOLDBOARD - power angling dozer (See figure 268)

1шт.

D25701

MOLDBOARD - power tilt dozer (See figure 174)

1шт.

32

D38648

BLOCK

SADDLE - rubber, if used

4шт.

33

214-262

HOSE CLAMP,#44, 2.31" - 3.25", Type F Worm

Tube, if used

4шт.

Выбрано товаров: 39