Запчасти Case 310G (202) - PULL BEHIND HYDRAULICS, (MODELS WITHOUT DIVERSION VALVE) (07) - HYDRAULIC SYSTEM

Схема запчастей Case 310G - (202) - PULL BEHIND HYDRAULICS, (MODELS WITHOUT DIVERSION VALVE) (07) - HYDRAULIC SYSTEM
FIT
1:1
100%

Артикул

Название

Примечание

Количество

1

REF

INSTRUCTION

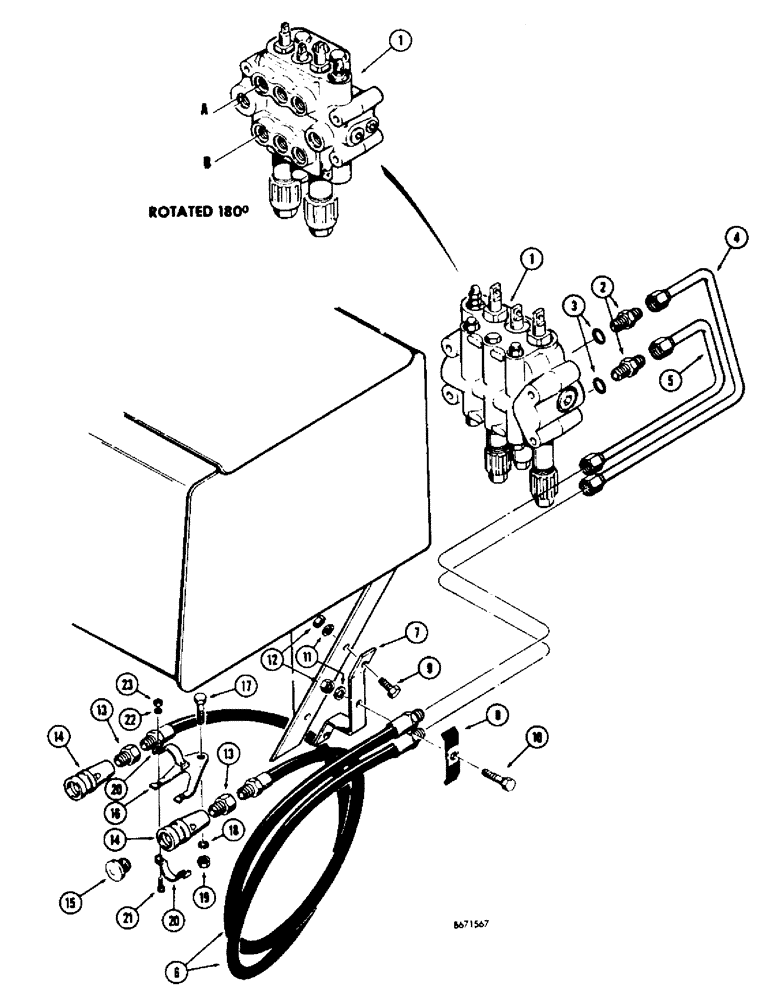
VALVE - control, hydraulic (Parker VDP 22) See figures 206 and 208 for proper valve

1шт.

2

218-5062

HYD CONNECTOR,7/8"-14, 37 Degree x 7/8"-14, O-Ring

Male

2шт.

3

237-6010

O-RING,0.097" Thk x 0.755" ID, -910, Cl 6, 90 Duro

1шт.

4

D38145

SPARE PART Upper control valve port to pull behind coupling

1шт.

5

D38147

SPARE PART Lower control valve port to pull behind coupling

1шт.

6

D28119

SPARE PART HOSE - valve port to pull behind coupling (26-1/2" long)

2шт.

7

D38331

SPARE PART Mounting, hose clamp

1шт.

8

D33316

CLAMP

PLATE - clamp, hose

1шт.

9

13-512

BOLT,Hex, 5/16" - 18 x 3/4", Gr 5

2шт.

10

13-532

BOLT,Hex, 5/16" - 18 x 2", Gr 5

1шт.

11

92-5

LOCK WASHER,5/16"

3шт.

12

9635082

NUT,5/16" - 18, Gr 5

3шт.

13

A27744

ADAPTER,7/8" - 18 x 1/2" NPT

Special

2шт.

14

A28542

COUPLING, QUICK, FEM

Pull behind, female (Parts list figure 238)

2шт.

A28541

COUPLING, BREAK AWAY

Pull behind, male (Parts list figure 238) Not illustrated

2шт.

15

A22768

PLUG

Dust

2шт.

16

A27360

BRACKET

Mounting, pull behind coupling

2шт.

17

13-516

BOLT,Hex, 5/16" - 18 x 1", Gr 5

2шт.

18

92-5

LOCK WASHER,5/16"

2шт.

19

9635082

NUT,5/16" - 18, Gr 5

2шт.

20

A27423

CLAMP

Pull behind coupling

4шт.

21

173-79

SCREW,Sl Rnd Hd, #8 - 32 x 5/8"

4шт.

22

192-6

LOCK WASHER,#8

4шт.

23

129-6

NUT,#8-32

4шт.

Выбрано товаров: 24