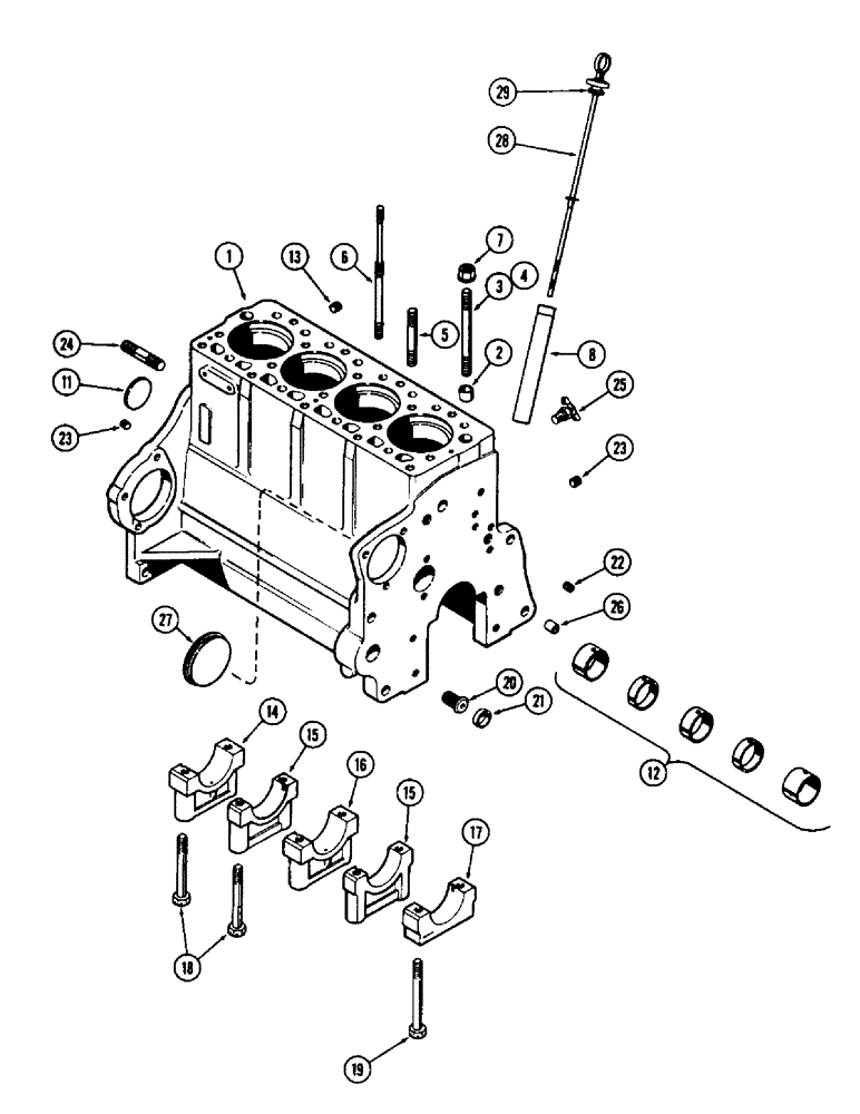
Запчасти Case 310G (006) - CYLINDER BLOCK ASSEMBLY, (188) DIESEL ENGINE, 1ST USED ENG. SN. 2614827 (01) - ENGINE

Схема запчастей Case 310G - (006) - CYLINDER BLOCK ASSEMBLY, (188) DIESEL ENGINE, 1ST USED ENG. SN. 2614827 (01) - ENGINE
FIT
1:1
100%

Артикул

Название

Примечание

Количество

A40817

BLOCK ASSY - cylinder, short (Not illust.) (Incl. stripped block, camshaft, crankshaft & brgs, pistons, conn. rods and oil pump)

1шт.

1

A40818

BLOCK ASSY - stripped

1шт.

2

G49608

RING

- dowel, Serial Range: head-block

2шт.

3

A36902

STUD

- head to block, 1/2" N.C. x 5-5/8"

11шт.

4

A36905

STUD

- head to block, 1/2" N.C. x 6"

2шт.

5

A36904

STUD

- head to block, 1/2" N.C. x 4"

4шт.

6

A36903

STUD

- head &, Serial Range: cover-block

2шт.

7

A37030

FLANGE NUT

- flanged, head stud

19шт.

8

A37149

TUBE

- dipstick support

1шт.

11

A39241

PLUG,Exp, 2.12" dia

- expansion, 2-1/8" dia.

1шт.

12

A41232

KIT

BUSHING SET - camshaft (Reamed to size) (Replaces A36317)

1шт.

13

221-1032

DRAIN PLUG,Sq Soc, 3/8"-18 NPTF

PLUG - pipe, 3/8" sckt. hd.

1шт.

14

G2129

CAP

- rear bearing, crankshaft

1шт.

15

G2128

CAP

- intermediate bearings, crankshaft

2шт.

16

G2127

CAP

- center bearing, crankshaft

1шт.

17

G2126

CAP

- front bearing, crankshaft

1шт.

18

G49078

BOLT - bearing cap, 1/2 x 4-1/2" N.C. spec.

8шт.

19

G49077

BOLT

- bearing cap & oil pump 1/2 x 5-1/8" N.C. spec.

2шт.

20

A153552

ADAPTER

- oil filter

1шт.

21

A37207

X

PLUG - cap, filter adapter

1шт.

22

G49070

PLUG

- pipe, drilled, front, 1/4"

1шт.

23

217-433

PLUG,Hex Soc, 1/4" - 18 NPTF

Oil gallery Hex Soc, 1/4"-18 NPTF

2шт.

24

A29333

STUD

- engine mounting, 5/8" N.C. x 3"

2шт.

25

217-103

COCK, DRAIN

DRAIN COCK

1шт.

26

A29442

RING

- dowel, Serial Range: cover-block

2шт.

27

A29268

PLUG

COVER - pump hole

1шт.

28

A37148

DIPSTICK

- oil level

1шт.

29

F62075

O-RING,0.139" Thk x 0.734" ID, -210, Cl 5, 75 Duro

"O" RING - dipstick, 3/4 x 1 x 1/8"

2шт.

Выбрано товаров: 28