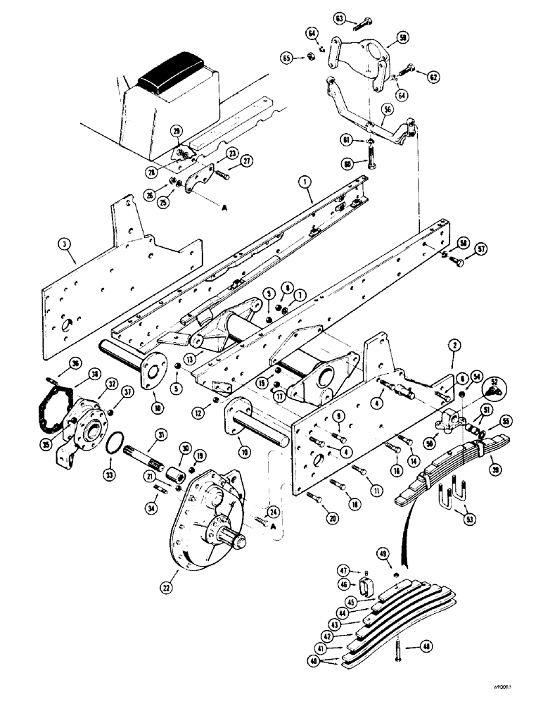
Запчасти Case 310G (060) - ENGINE FRAME, SIDE PLATES AND SUSPENSION SYSTEM, (36" GAUGE CRAWLERS ONLY) (01) - ENGINE

Схема запчастей Case 310G - (060) - ENGINE FRAME, SIDE PLATES AND SUSPENSION SYSTEM, (36" GAUGE CRAWLERS ONLY) (01) - ENGINE
FIT
1:1
100%

Артикул

Название

Примечание

Количество

1

D30882

FRAME - engine

1шт.

2

D30574

PLATE - side, R.H. (When stock is exhausted, use D47906 plate for service)

1шт.

D47906

PLATE - side, R.H.

1шт.

3

D30574

PLATE - side, L.H. (When stock is exhausted, use D47907 plate for service)

1шт.

D47907

PLATE - side, L.H.

1шт.

4

13-1232

BOLT,Hex, 3/4" - 10 x 2", Gr 5

6шт.

5

25-1012

NUT,3/4"-10, G5

6шт.

6

13-1032

BOLT,Hex, 5/8" - 11 x 2", Gr 5

4шт.

7

92-10

LOCK WASHER,5/8"

WASHER, LOCK, 5/8"

4шт.

8

25-1010

NUT,5/8"-11, G5

4шт.

9

13-832

BOLT,Hex, 1/2" - 13 x 2", Gr 5

(Steering lever cross shaft bar) Hex, 1/2"-13 x 2", G5

4шт.

10

D27542

BAR - pivot

2шт.

11

14-1236

BOLT,Hex, 3/4" - 16 x 2-1/4", Gr 5, Full Thd

HHCS - 3/4" - 16 NF x 2-1/4"

6шт.

12

25-1112

NUT,3/4"-16, G5

- hex. (3/4" - 16 NF)

6шт.

13

D34271

TUBE

- torque

1шт.

14

14-1244

BOLT,Hex, 3/4" - 16 x 2-3/4", Gr 5

HHCS - 3/4" - 16 NF x 2-3/4"

2шт.

15

231-46112

LOCK NUT,3/4"-16, GB

NUT - lock, hex. (3/4" - 16 NF)

2шт.

16

33047

BOLT,Hex, 1" - 14 x 3 3/32"

- special

4шт.

17

232-46116

LOCK NUT,1"-14, GC

NUT - lock, hex. (1" - 14 NF)

4шт.

18

14-1240

BOLT,Hex, 3/4" - 16 x 2-1/2", Gr 5

HHCS - 3/4" - 16 NF x 2-1/2"

2шт.

19

231-46112

LOCK NUT,3/4"-16, GB

NUT - lock, hex. (3/4" - 16 NF)

2шт.

20

D29721

BOLT

- special

4шт.

21

231-46112

LOCK NUT,3/4"-16, GB

NUT - lock, hex. (3/4" - 16 NF)

4шт.

22

REF

INSTRUCTION

FINAL DRIVE - complete (Parts list figure 08)

2шт.

23

D41576

BRACKET - mounting

2шт.

24

13-728

BOLT,Hex, 7/16" - 14 x 1-3/4", Gr 5

4шт.

25

92-7

LOCK WASHER,7/16"

4шт.

26

25-107

NUT,7/16"-14, G5

- hex. (7/16" - 14 NC)

4шт.

27

13-820

BOLT,Hex, 1/2" - 13 x 1-1/4", Gr 5, Full Thd

4шт.

28

92-8

LOCK WASHER,1/2"

4шт.

29

25-108

NUT,1/2"-13, G5

- hex. (1/2" - 13 NC)

4шт.

30

32634

COUPLING

- axle (Use D15274 kit for service) (Parts list figure 108)

2шт.

31

32635

AXLE - use D15274 kit for service (Parts list figure 108)

2шт.

32

32658

SPACER - final drive, R.H.

1шт.

32659

ROLLER

SPACER - final drive, L.H.

1шт.

33

A27507

O-RING,0.139" Thk x 3.984" ID, -242, Cl 5, 75 Duro

SEAL - "O" ring

2шт.

34

46509

STUD - final drive to spacer tube

16шт.

35

131-154

LOCK NUT,5/8"-18, GA

NUT - lock, hex. (5/8" - 18 N.F.)

16шт.

36

46505

STUD

- transmission to spacer tube

12шт.

37

131-675

LOCK NUT,9/16"-18, GB

NUT - lock. hex. (9/16" - 18 NF)

12шт.

38

D29309

GASKET

- spacer tube

2шт.

39

D25558

LEAF SPRING ASSEMBLY

2шт.

40

33117

LEAF - spring (29-1/4" long)

2шт.

41

33118

LEAF - spring (26-1/2" long)

1шт.

42

33119

SPRING

LEAF - spring (22-1/4" long)

1шт.

43

33120

NEEDLE BEARING

LEAF - spring (17-3/4" long)

1шт.

44

33121

LEAF - spring (13" long)

1шт.

45

33122

HOUSING

LEAF - spring (8-3/4" long)

1шт.

46

33123

PIN

CLIP - leaf retainer

2шт.

47

33124

PLUG

RIVET - retainer, Serial Range: clip-leaf

2шт.

48

D25557

BOLT - special

1шт.

49

25-116

NUT,Hex, 3/8"-24, G5

- hex. (3/8" - 24 NF)

1шт.

50

D25525

BRACKET - leaf spring pivot

2шт.

51

30634

BUSHING,32.05mm ID x 38.18mm OD x 17.6mm L

- pivot bracket

2шт.

52

219-55

LUBE NIPPLE,90 Degree Elbow, 1/8" - 27 NPTF

NIPPLE, LUBE, 90º, 1/8" NPT x .84" lg

2шт.

53

D26725

"U" BOLT

4шт.

54

131-354

LOCK NUT,1/2"-13, GA

NUT - lock, hex. (1/2" - 13 NC)

8шт.

55

D26918

SNAP RING,#125, Ext

Ring, Snap, #125, Ext

2шт.

56

D42175

MOUNTING PARTS

SUPPORT - engine, front

1шт.

57

13-820

BOLT,Hex, 1/2" - 13 x 1-1/4", Gr 5, Full Thd

4шт.

58

92-8

LOCK WASHER,1/2"

4шт.

59

D36857

BRACKET

MOUNT - engine, front

1шт.

60

13-1044

BOLT,Hex, 5/8" - 11 x 2-3/4", Gr 5

HHCS - 5/8" - 11 NC x 2-3/4"

1шт.

61

92-10

LOCK WASHER,5/8"

WASHER, LOCK, 5/8"

1шт.

62

13-1032

BOLT,Hex, 5/8" - 11 x 2", Gr 5

2шт.

63

G49039

BOLT

- ground body, special

2шт.

64

92-10

LOCK WASHER,5/8"

WASHER, LOCK, 5/8"

4шт.

65

25-1110

NUT,5/8"-18, G5

- hex. (5/8" - 18 NF)

2шт.

49

25-116

NUT,Hex, 3/8"-24, G5

- hex. (3/8" - 24 NF)

1шт.

Выбрано товаров: 69