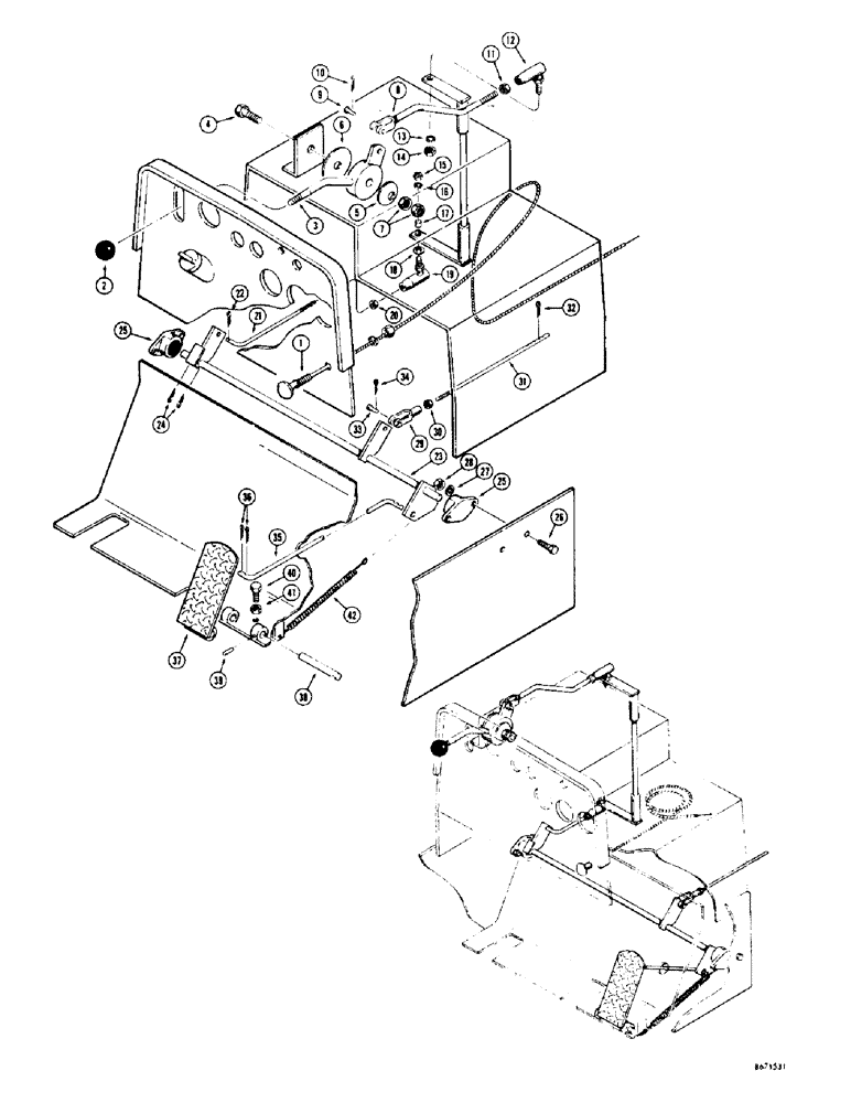
Запчасти Case 310G (092) - ENGINE CONTROLS - GAS (01) - ENGINE

Схема запчастей Case 310G - (092) - ENGINE CONTROLS - GAS (01) - ENGINE
FIT
1:1
100%

Артикул

Название

Примечание

Количество

1

D27165

CONTROL - choke

1шт.

2

70213

KNOB

- D33924 throttle lever, 3/8" - 24 NF

1шт.

2

D49996

KNOB

- D50241 throttle lever, 1/2" - 20 NF

1шт.

3

D50241

LEVER

- throttle (1/2" - 20 NF)

1шт.

3

D33924

THROTTLE

LEVER - throttle (3/8" - 24 NF)

1шт.

4

13-836

BOLT,Hex, 1/2" - 13 x 2-1/4", Gr 5

HHCS - 1/2" - 13 NC x 2-1/4"

1шт.

5

R14771

WASHER

- special

1шт.

6

R15071

DISC

- friction

1шт.

7

25-148

JAM NUT,Jam, 1/2"-13, G5

- hex, lock (1/2"-13 NC)

2шт.

8

D33925

ROD

- throttle lever

1шт.

9

141-3

CLEVIS PIN,5/16" x .940"

PIN, CLEVIS, 5/16" x .940"

1шт.

10

132-25

COTTER PIN,3/32" x 5/8"

Pin, Split (Cotter), 3/32" x 5/8"

1шт.

11

25-115

NUT,5/16"-24, G5

- hex (5/16"-24 NF)

1шт.

12

A19105

BALL JOINT

- adjustable

1шт.

13

92-5

LOCK WASHER,5/16"

1шт.

14

25-115

NUT,5/16"-24, G5

- hex (5/16"-24 NF)

1шт.

15

25-114

NUT,1/4"-28, G5

- hex. (1/4"- 28 NF)

1шт.

16

92-4

LOCK WASHER,1/4"

WASHER, LOCK, 1/4"

1шт.

17

D28891

BRONZE BUSHING

BUSHING

1шт.

18

95-4

WASHER,1/4"

- std. wrot () 1/4"

1шт.

19

A10329

BALL JOINT,1/4" - 28 x 1"

- adjustable

1шт.

20

25-114

NUT,1/4"-28, G5

- hex. (1/4" - 28 NF)

1шт.

21

D27131

LINK

- throttle control

1шт.

22

132-25

COTTER PIN,3/32" x 5/8"

Pin, Split (Cotter), 3/32" x 5/8"

1шт.

23

D33223

SHAFT - pivot, foot throttle

1шт.

24

132-47

COTTER PIN,1/8" x 7/8"

Pin, Split (Cotter), 1/8" x 7/8"

2шт.

25

D33219

FLANGE

BEARING - pivot shaft

2шт.

26

13-616

BOLT,Hex, 3/8" - 16 x 1", Gr 5, Full Thd

4шт.

27

92-6

LOCK WASHER,3/8"

4шт.

28

25-106

NUT,3/8"-16, G5

- hex. (3/8" - 16 NC)

4шт.

29

213-2

ADJUSTABLE CLEVIS,1/4"-28 x 2"

YOKE - end, adjustable

1шт.

30

25-114

NUT,1/4"-28, G5

- hex. (1/4"- 28 NF)

1шт.

31

D27130

ROD - throttle

1шт.

32

132-25

COTTER PIN,3/32" x 5/8"

Pin, Split (Cotter), 3/32" x 5/8"

1шт.

33

141-2

CLEVIS PIN,1/4" x .770"

PIN - clevis (1/4")

1шт.

34

132-5

COTTER PIN,1/16" x 1/2"

Pin, Split (Cotter), 1/16" x 1/2"

1шт.

35

D33222

ROD - foot throttle to pivot shaft

1шт.

36

132-25

COTTER PIN,3/32" x 5/8"

Pin, Split (Cotter), 3/32" x 5/8"

4шт.

37

D33215

PEDAL - foot throttle

1шт.

38

R17364

SHAFT

- foot throttle pedal

1шт.

39

135-737

GROOVED PIN,5/32" x 1", Type E

PIN, GROOVED, , Shaft 5/32" x 1", Type E

1шт.

40

13-832

BOLT,Hex, 1/2" - 13 x 2", Gr 5

1шт.

41

25-148

JAM NUT,Jam, 1/2"-13, G5

- hex, lock (1/2"-13 NC)

1шт.

42

D31240

SPRING

- throttle return (When stock is exhausted, order D42889 spring for service)

1шт.

D42889

SPRING

- throttle return

1шт.

Выбрано товаров: 45